阿摩線上測驗
登入
首頁
>
電路學
> 101年 - 101 調查特種考試_三等_電子科學組:電子電路學#26261
101年 - 101 調查特種考試_三等_電子科學組:電子電路學#26261
科目:
電路學 |
年份:
101年 |
選擇題數:
0 |
申論題數:
5
試卷資訊
所屬科目:
電路學
選擇題 (0)
申論題 (5)
【已刪除】一、如圖一之電路,所有運算放大器均為理想,若R
1
= 5 kΩ,R
2
= 10 kΩ,R
3
= 2.5 kΩ, R
4
= 2 kΩ,R
a
=R
b
=R
c
= 10 kΩ,v
1
= 500 mV,v
2
= 800 mV,v
3
= 200 mV,v
4
= 100 mV, 試推導出電路之輸出電壓v
o
=?(20 分)
【已刪除】二、如圖二之電路,若輸入正弦波vi之均方根值為 120 V(rms),變壓器一次側與二次 側之線圈匝數比等於 10,二極體電壓降V
D
= 0.7 V,試推導出v
o
之輸出電壓平均值 V
o
(avg)=?,以及二極體之反向峰值電壓(PIV)=?(20 分)
【已刪除】三、如圖三之電路,Q
1
與Q
2
完全匹配,並忽略電晶體之有限β值的效應,已知ln(10)=2.3, 若參考電流源I
REF
= 1 mA,輸出電流I
O
= 10 μA,試推導出電阻R
E
=?(20 分)
【已刪除】四、如圖四為壓電晶體的(a)電路符號(b)等效電路(c)晶體阻抗特性圖,忽略有限Q值的效 應,試推導出晶體阻抗特性圖中的ωs與ωp。(20 分)
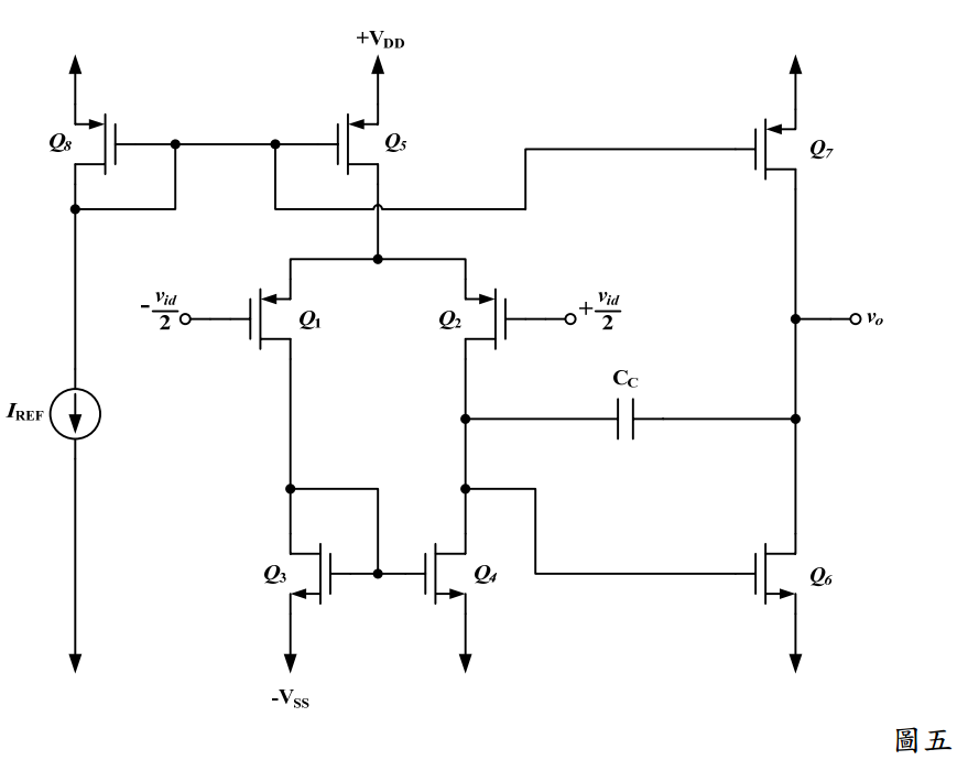
【已刪除】五、如圖五之電路,試說明此電路之工作原理及每個電晶體及電容之作用為何?(20 分)
相關試卷
114年 - 114 地方政府公務特種考試_三等_電力工程、電子工程、電信工程:電路學#134770
114年 · #134770
114年 - 114 專技高考_電機工程技師:電路學#133707
114年 · #133707
114年 - 114 專技高考_電子工程技師:電路學#133700
114年 · #133700
114年 - 114 公務升官等考試_薦任_電力工程、電子工程、電信工程:電路學#133241
114年 · #133241
114年 - 114 高等考試_三級_電力工程、電子工程、電信工程:電路學#128784
114年 · #128784
113年 - 113-2 國營臺灣鐵路股份有限公司_從業人員甄試_第8階-助理工程師-電機:電路學#137142
113年 · #137142
113年 - 113 地方政府公務特種考試_三等_電力工程、電子工程:電路學#124508
113年 · #124508
113年 - 113 專技高考_電機工程技師:電路學#123962
113年 · #123962
113年 - 113 專技高考_電子工程技師:電路學#123933
113年 · #123933
113年 - 113 高等考試_三級_電力工程、電子工程、電信工程:電路學#121512
113年 · #121512