所屬科目:電路學
一、如圖一所示電路,若開關“S1”在“a”點、“S2”在“c”點停留了很長的時間。 時間 0 秒時,“S1”開關瞬間從“a”點移動到“b”點、“S2”開關瞬間從“c”移動到“d”點。以拉普拉斯轉換法求 v2(t)。(25 分)
(一)請畫出圖二,a 與 b 端點間於相量空間之諾頓等效電路。 (20 分)
(二)將阻抗 Z 接於 a 與 b 端點,若要把最大功率傳送至阻抗 Z,請問阻抗值 Z 應設計為多少?(5 分) (皆以極座標表示答案)
三、如圖三所示電路,若開關“S1”關起來了很長的時間、“S2”在“a”點停留了 很長的時間。時間 0 秒時,“S1”開關瞬間打開、“S2”開關瞬間從“a”移動到“b”點。以拉普拉斯轉換法求 i1(t)。(25 分)
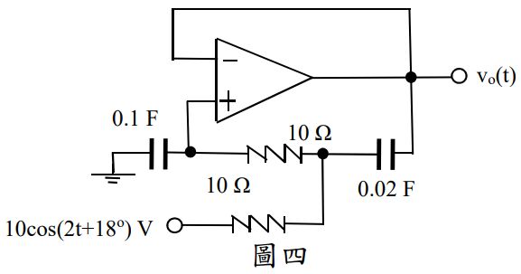
四、如圖四,假設運算放大器為理想。求 vo(t)的穩態解。(25 分)