阿摩線上測驗 登入

申論題資訊

試卷:114年 - 114 公務升官等考試_薦任_電力工程、電子工程、電信工程:電路學#133241
科目:電路學
年份:114年
排序:3

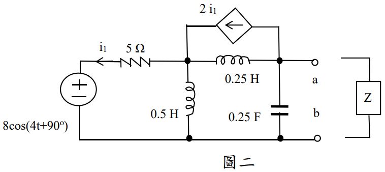
題組內容

二、

申論題內容

三、如圖三所示電路,若開關“S1”關起來了很長的時間、“S2”在“a”點停留了 很長的時間。時間 0 秒時,“S1”開關瞬間打開、“S2”開關瞬間從“a”移動到“b”點。以拉普拉斯轉換法求 i1(t)。(25 分)