阿摩線上測驗
登入
首頁
>
基本電學(概要)
> 102年 - 102 宏華人力資源股份有限公司_派駐中華電信客戶網路人員遴選_客戶網路人員:基本電學#24417
102年 - 102 宏華人力資源股份有限公司_派駐中華電信客戶網路人員遴選_客戶網路人員:基本電學#24417
科目:
基本電學(概要) |
年份:
102年 |
選擇題數:
40 |
申論題數:
0
試卷資訊
所屬科目:
基本電學(概要)
選擇題 (40)
41.一個額定 10V,2Ah 的蓄電池,理想情況下,充滿電後蓄電池儲存的能量為多少 ? (A) 1.2×10
3
J (B)600 J (C) 20J (D)7.2×10
4
J
42.有關戴維寧等效電路之敘述,下列何者正確 ? (A)等效電阻(Rth)為負載兩端間將電壓源視為開路、電流源視為短路的電阻 (B)等效電阻(Rth)為負載兩端間將電壓源視為短路、電流源視為短路的電阻 (C)等效電壓源(Eth)為負載兩端間的開路電壓 (D)任意兩端點間的直流線性網路,均可用一電壓源(Eth)並聯一個電阻(Rth)等值代替
43.兩交流電壓為 V
1
= 2sin ( ωt-30°),V
2
= 2cos ( ωt-30°),則 V
1
與 V
2
相位關係為何 ? (A) V1超前V2 90度 (B)V
1
落後V
2
90度 (C) V
1
落後V
2
60度 (D)V
1
與V
2
相位相同
44.如【圖 44】所示,試求 V
AB
=?
(A) 12V (B)13V (C) 23V (D)26V
45.如【圖 45】所示,試求 V
AB
= ?
(A) 10V (B)5V (C) 4V (D)0V
46.如【圖 46】所示,試求 AB 兩端的電阻為何 ?
(A) 3Ω (B)6Ω (C) 9Ω (D)12Ω
47.有一 300W 電熱器,因檢修而將其電熱線剪去原長度的 1/3,則電熱器功率變為多少 ? (A) 900W (B)300W (C) 450W (D)200W
48.如【圖 48】所示之交流電路,電路的功率因素為 0.8 落後,則電容器 C 值為何 ?
(A) 1/32 F (B)1/16 F (C) 7/16 F (D)7/32 F
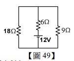
49.如【圖 49】所示電路上,請問 6Ω 電阻上的電壓降為若干 ?
(A) 2V (B)3V (C) 6V (D)8V
50.一座電爐其內阻為 10Ω,當外加 2A 電流使用 5 分鐘,則此電爐產生的電能為若干焦耳 ? (A) 12000 焦耳 (B)6000 焦耳 (C) 1000 焦耳 (D)600 焦耳
51. 一 R-L-C 串聯電路中,當在諧振時的頻率為 2000Hz,若將電路的電抗值調整為 X
C
=4X
L
, 則此時電路的頻率應變為若干 Hz ? (A) 500Hz (B)1000Hz (C) 4000Hz (D)8000Hz
52.二個電感線圈其自感分別是:0.1 亨利與 0.4 亨利;若其耦合系數為 0.5,則其互感量為若干亨利 ? (A) 0.1 亨利 (B)0.2 亨利 (C) 0.25 亨利 (D)0.4 亨利
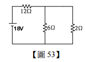
53.在【圖 53】的電路中,請問 2Ω 上的消耗功率為多少瓦特(W) ?
(A) 2W (B)4W (C) 6W (D)8W
54.在【圖 54】中的時間常數為多少秒(S) ?
(A) 36mS (B)9mS (C) 8mS (D)2mS
55.正弦波的波形因數是多少 ? (A) 1 (B)1.11 (C) 1.414 (D)1.732
56.在【圖 56】中是一交流的波形,試求其平均值為多少 ?
(A) 27V (B)11V (C) 9V (D)7.5V
57.在一 R-L 串聯電路中,當 R=15Ω,L=20mH,輸入電壓=141.4sin1000t, 則此電路的電流為多少安培 ? (A) 5∠37°( A ) (B)4∠37°( A ) (C) 5∠-53°( A ) (D)4∠-53°( A )
58.一交流 R-L-C 串聯電路中,當電阻 R=6Ω,電感抗 X
L
=2Ω,電容抗 X
C
=8Ω;則電路的功率因數為多少 ? (A) 0.5 (B)0.6 (C) 0.707 (D)0.8
59.有一台 2 馬力的抽水馬達,滿載的效率 η= 93.25%,請問損失為多少 ? (A) 108W (B)1492W (C)600W (D)101W
60.下列敘述何者正確 ? (A)絕緣體的價電子的數量< 4 (B)傳統電流的方向與電子流動的方向相同 (C)電流的定義:單位時間內通過導體某一截面積的電荷量 (D)電能的定義:單位時間內所做的功
61.有一導線在常溫(25.5 ℃)時測得電阻為 0.26Ω,若溫度上升 40℃,則電阻的變化為: (A)增加 0.04Ω (B)增加 0.3Ω (C)減少 0.04Ω (D)減少 0.3Ω
62. 用 1kW 的電熱器將一公升的水加熱,若要將 28℃的水加熱到 100℃,需花多久的時間 ? (A) 300 分鐘 (B)300秒 (C) 30 分鐘 (D)30秒
63.如【圖 63】所示,若將開關 S
2
與 S
4
閉合,E =100V,則電壓表ⓥ的數值應為多少 ?
(A) 25V (B)50V (C) 75V (D)100V
64.如【圖 64】所示,若電流表的內阻值 R
a
=0.24Ω,電流表的最大額定電流 I
F
=1mA,要將電流表擴充至可量測 I
m
=25mA,則圖中與電流表並聯的 RS為多少 ?
(A) 0.0096Ω (B)0.01Ω (C) 0.1Ω (D)2.4Ω
65.如【圖 65】電路所示的△轉換為 Y 接,請問下列何者正確 ?
(A) R
a
=1.2Ω (B)R
b
+R
c
=24Ω (C) R
c
=0.9Ω (D)R
a
+R
c
=2.1Ω
66.如【圖 66】電路所示,V
ab
=36V,則 R
ab
=?
(A) 18Ω (B)9Ω (C) 6Ω (D)4Ω
67.如【圖 67】電路所示,則 I=?
(A) 1A (B)2A (C) 3A (D)4A
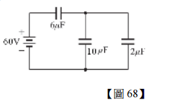
68.如【圖 68】電路所示,則電路中 6 μ F 的電容器兩端的電壓為多少 ?
(A) 15V (B)20V (C) 35V (D)40V
69.有一個負電荷,若順著電場方向移動,則此電荷的電位及位能的變化為何 ? (A)電位增加,位能減少 (B)電位增加,位能增加 (C)電位減少,位能減少 (D)電位減少,位能增加
70.如【圖 70】之電路所示,若將磁鐵向左側移出,則線圈的磁場所感應的磁場為何?電阻上的電流方向為何?
(A)線圈磁場為左側為N 極,電阻上的電流方向為:A→B (B)線圈磁場為左側為N 極,電阻上的電流方向為:B→A (C)線圈磁場為左側為S 極,電阻上的電流方向為:A→B (D)線圈磁場為左側為S 極,電阻上的電流方向為:B→A
71.如【圖 71】之電路所示,電路中的 R1=25Ω,R2=15Ω,R3=15Ω,E =110V,則電路達到穩定時流過 R2的電 流大小為多少 ?
(A) 0A (B)1.375A (C) 2.75A (D)5.4A
72.有一個電壓方程式的 V(t)=100√2 sin(377t +30°),請問 t=1/240 秒時的電壓瞬間值為多少 ? (A)50√2V (B)50√3V (C)50√6V (D)50V
73. R-L-C 串聯電路,設電源電壓為 V,電源電流為 I,若電路之 V
L
> V
C
,則下列何者正確 ? (A)電路呈電容性 (B)I 相位領先 V (C)V
R
相位超前 V (D)V
R
與 I 同相位
74. R-L-C 並聯電路,設電源電壓為 V,電源電流為 I,若電路之 X
L
> X
C
,則下列何者正確 ? (A)電路呈電感性 (B)I 相位領先 V (C)I
R
相位落後 I
L
(D)I
R
相位超前 V
75.某工廠的負載為 600kVA,原功率因數為 0.6,若想將功率因數提高至 0.8,則應並聯電容器之虛功率為多少 kVAR ? (A) 210 kVAR (B)480 kVAR (C) 360 kVAR (D)270 kVAR
76.有一 R-L-C 串聯諧振電路,其中 R =20Ω,L =16mH,C =10 μ F,則此電路的品質因數為多少 ? (A) 1 (B)2 (C) 4 (D)8
77.有關 R-L-C 並聯諧振的敘述,下列何者正確 ? (A)諧振時電流最大 (B)電路的頻率若從 0Hz 往上增加至無限大,則電源電流先增後減 (C)諧振時的阻抗為最小值 (D)諧振時的電源電流與電阻電流數值相同
78.有一 R-L-C 串聯諧振電路,電路電源 V =100V,R =5Ω,則電路在截止頻率(半功率點)時電源的電流為多少 ? (A) 10A (B)10 √2A (C) 20√2A (D)20 A
79.單相三線式供電系統中,中性線的導線顏色下列何者最為恰當 ? (A)黑色 (B)綠色 (C)白色 (D)紅色
80.下列何者為交流發電機(G)發電所依據的原理 ? (A)焦爾定律 (B)庫侖定律 (C)歐姆定律 (D)法拉第電磁感應定律
申論題 (0)
相關試卷
115年 - 115 關務特種考試_四等_電機工程(選試英文):基本電學#138955
115年 · #138955
115年 - 115-1 臺北市立大安高工教師甄選試題_電子/控制科:基本電學#138451
115年 · #138451
114年 - 114 關務特種考試_四等_電機工程(選試英文):基本電學#126651
114年 · #126651
113年 - 113 關務特種考試_四等_電機工程(選試英文)、電機工程(選試日文):基本電學#119481
113年 · #119481
112年 - 112 地方政府特種考試_四等_電力工程、電子工程、電信工程:基本電學#118330
112年 · #118330
112年 - 112 普通考試_電力工程、電子工程、電信工程:基本電學#115756
112年 · #115756
112年 - 112 關務特種考試_四等_電機工程:基本電學#113949
112年 · #113949
111年 - 111 地方政府特種考試_四等_電力工程、電子工程、電信工程:基本電學#112594
111年 · #112594
111年 - 111 中華郵政股份有限公司_職階人員資產營運及工程類科甄試試題_專業職(一)/電力工程:基本電學#111525
111年 · #111525
111年 - 111 普通考試_電力工程、電子工程、電信工程:基本電學#109349
111年 · #109349