阿摩線上測驗
登入
首頁
>
教甄◆電腦科專業
> 103年 - 教育部受託辦理103年國立高中職教師甄選資訊科試題#46380
103年 - 教育部受託辦理103年國立高中職教師甄選資訊科試題#46380
科目:
教甄◆電腦科專業 |
年份:
103年 |
選擇題數:
20 |
申論題數:
31
試卷資訊
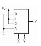
所屬科目:
教甄◆電腦科專業
選擇題 (20)
1.一個理想全波整流器之輸入電壓為V
(t)
=3+4(cos+sin 2t)伏特,則經一個理想變壓器(變壓比1:1)之後,其輸出電壓的平均值為何? (A)3V (B) 5.1V (C)6.3V (D)4V。
2.如下圖所示之電路,線性非時變RLC串聯電路,若i
L
(0) =1A,V
C
(0)=4V,試求零輸入響應 為何? (A)V
C(t)
=6e
-t
-4e
-2t
、i
L(t)
=3e
-t
-4e
-2t
(B) V
C(t)
=6e
-t
-4e
-2t
、i
L(t)
=3e
-t
+4e
-2t
(C) V
C(t)
=-6e
-t
-4e
-2t
、i
L(t)
=3e
-t
-4e
-2t
(D) V
C(t)
=-6e
-t
-4e
-2t
、iL
(t)
=3e-t +4e
-2t
。
3.如右圖所示之電路,其轉移函數為何?
(A)
(B)
(C)
(D)
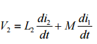
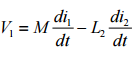
4.如右圖所示為一耦合電感器,有關線圈中的電壓-電流關 係式何者正確? (A)
(B)
(C)
(D)
。
5.有一互感線圈,初級線圈 N
1
= 010 ,次級線圈 N
2
= 020 ,當初級線圈通過2A電流,產生磁 通 φ
1
=10
-1
Wb ,有4 ×10
-2
Wb 與次級線圈交鏈,求L
1
及L
2
? (A) L
1
=5H,L
2
=40H (B)L
1
=5H,L
2
=0.4H (C)L
1
=5H,L
2
=10H (D)L
1
=5H,L
2
6.電阻串聯電容交流電路,交流電壓100V,電容容抗10Ω,電阻電壓80V,下列敘述選項何者 為正確? a.電容電壓60V b.電路電流10A c.視在功率1kVA d.功率因素0.8 e.電流角 度落後電阻電壓角度53度 f.虛功率360乏 (A)aef (B)cdf (C)adf (D)abcd。
某市區將500個的200W號誌燈更換成LED,每一個LED號誌燈消耗20W,號誌燈全天候開 啟,請問一個月(30天)的可節省多少電費(一度3元)? (A) 2160000元 (B) 194400元 (C) 216000元 (D) 6480元。
8.某電阻器在溫度30度時電阻為11歐姆,溫度20度時電阻為10歐姆,則下列敘述何者有誤? (A)此電阻為正溫度係數 (B)
=0.01C
-1
(C)溫度為-100度時電阻為0歐姆 (D)
=0.0125C
-1
9.下列有關放大器電路的頻率響應之敘述,何者正確? (A)耦合電容(coupling capacitors)主要 是影響電路的高頻響應 (B)共射極(CE)放大器的高頻響應不會受到米勒效應(Miller effect) 的影響 (C)複數極點(complex poles)會以共軛對(conjugate pairs)的方式出現 (D)於波德圖 (Bode plot)上,每經過一極點,其大小值會以每增加兩倍頻率降20dB的速率減少。 。
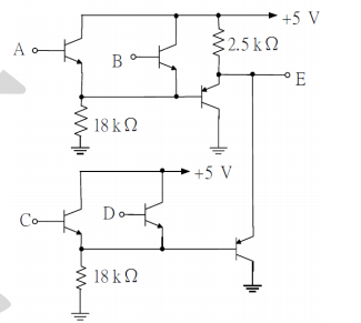
10.如右圖所示之電路,已知所有電晶體VBE = 0.7 V、 β= 50,則A、B、C、D均為0 V時,E之電壓約為多 少?
(A)5 V (B)0.2 V (C)4.72 V (D)0.98 V。
11.如下圖所示之電路,電晶體原始工作點如圖中之Q點,欲把Q點移往D點,下列何種為正確 方法?
(A)提高R
B
(B)提升V
CC
(C)降低V
CC
(D)降低R
C
。
12.如右圖所示之電路,下列敘述為非?
(A)當 R
2
C
2
1C
1
時,電路為帶通濾波器 (B)電路的最大增益值=
(C) OPA1 的電路為低通濾波器 (D)當
,則中頻 A
V (dB )
=46 分貝。
13.有關放大器之增益、分貝等敘述,何者正確? a.當放大器操作在截止頻率時,增益為中頻 增益的 0.707 倍 b. A
P (dB )
不一定等於AV
( dB)
,
c.
P=1×V,A
P
= A
I
✖A
V
,A
P(
dB)=
A
I(dB)+
A
V(dB)
d. A
I(dB)
=
e. 分貝值與增益值一樣可看出輸出信號的放大或衰減倍數 以及相位關係 f. 當每一級增益值皆大於 1,串越多級則頻寬越小。 (A)abf (B)acdf (C)acef (D)abef。
14.如下圖所示之電路中,已知電晶體工作在線性區,輸入訊號為 10kHz正弦波,逐漸增加輸 入訊號的振幅,在不失真條件下,由雙軌示波器顯示出V0與Vi之相位關係如何?又把電晶 體的射極旁路電容器拆離電路,則電壓增益的變化如何? (A) V0與Vi同相,電壓增益會變 大 (B) V
0
與V
i
同相,電壓增益會變小 (C) V
0
與V
i
反相,電壓增益會變大 (D) V
0
與V
i
反 相,電壓增益會變小。
15.如下圖所示之振盪電路,假如輸出電壓v0的最大值為± 12V,且R
1
=10kΩ,R
2
= 10kΩ,則跨於電容器C兩端電 壓的範圍及波形為何? (A)–6V~6V ,鋸齒波 (B)3V~6V,脈波 (C)–4V~4V,鋸齒波 (D)–6V~6V, 正弦波。
16.設有一布林代數
,使用 4:1 的多工器來製作此函數,其接線圖應為下列 何者 ? (A)
(B)
(C)
(D)
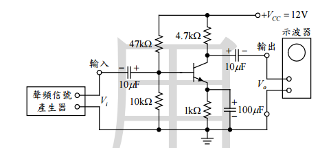
17.有關如右圖所示之電路敘述選項,何者正確? a. R
A
=10k Ω , RB=20kΩ,C
1
=0.01µF,其輸出頻率約 為 2.857kHz b.C
1
之電壓最大值=
c.當 R
B
>> R
A
時,其工作週期近似於 50% d. C
1
充電時,其輸出為高 態 e.輸出低態時間= 7.0 ×R
B
× C
1
f.此電路之工作週 期不可能低於 50%。 (A) abce (B) bdef (C) abcdef (D) abcde。
18.若(1101)
x
= (375)
8
,則基底 x 之值為何? (A)4 (B)5 (C)6 (D)7。
19.若一串資料,經漢明碼(Hamming code)編碼後傳送出去,而接收端收到的資料為 1001101(最 左邊為第一個 bit),若已知在傳送過程中,最多只會有 1-bit 錯誤,則未經編碼前的原始資 料為何? (A)0101 (B)0100 (C)1101 (D)0110。
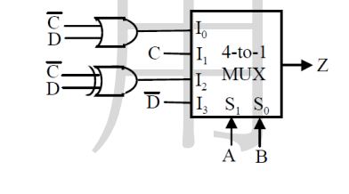
20.如下圖所示之電路,試問其所實現之布林函數Z(A, B, C, D)為何? (A) ∑(0, 1, 3, 6, 7, 8, 11, 12, 14) (B) ∑(0, 1, 2, 4, 5, 9, 10, 12, 15) (C) ∑(2, 3, 4, 6, 7, 9, 10, 13, 15) (D) ∑(2, 3, 5, 6, 8, 11, 12, 14, 15)。
申論題 (31)
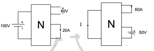
【已刪除】 1.如下圖所示之電路,若N為線性非時變網路,試求I=____
2.如下圖所示之電路,求L
ab
= ______
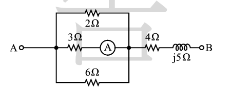
3.如下圖所示之電路,若交流電表
的讀數為 2 安培時,則A、B間的電壓降為_______
4.兩條長而平行之導線,電流方向相反,垂直於紙面均勻磁場B=2×10
-7
韋伯/平方公尺中,若 電流I = 0.5A,導線之距離為多少時,各導線無淨力作用?_______
5.如下圖所示之電路中,試求出I_______安培
(1) i(0)=____A
(2)v
L
(0)= _____V,若假設K閉 合後歷時tm秒後,電路已達穩態,則
則(3)i(tm)= ______A
(4) v
C
(tm)= _____V
7.如下圖所示之電路,F
1
之布林函數為______
8.如下圖所示之電路,若A為MSB,C為LSB,則此布林代數式的最簡式為_______
9.如下圖所示之電路為A/D轉換器,若類比輸入電壓Vi為 3.8V時,則數位輸出(Y
2
Y
1
Y
0
) =________
10.如下圖所示之電路為八位元右移移位記錄器,D
in
為輸入右移資料,假設輸出八位元
a
至h為 00000000,當經過十個脈波(CKs)後,則輸出八位元
a
至h成為____
1.請解釋二瓦特表法如何能量測出三相平衡實功與虛功。(4分)
2.簡述NFB之跳脫容量、框架容量、啟斷容量為何?(3分)
(1) t=0s以後之V
C(t)?
(2)當t為 40ms時,R
S
電壓為多少?(2 分)
(1)R
L
值為多少? (2 分)
(2)R
L
之最大功率為多少?
(1)畫出V
o1
及V
o2
之波形。(2 分)
(2)求V
o2
峰對峰值?(2 分)
(3)求V
o2
波形的週期?(2 分) (假設OPA之飽和電壓等於±12V)
6.如下圖所示之電路為 OPA 負電阻轉換器,請證明圖中之輸入阻抗
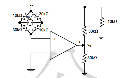
。(2 分)
7.如下圖所示之電路,求V
o
、V
a
、i
o
。(6 分)
(1)屬於何種多諧振盪器?
(2)振盪頻率f=?(寫出公式)
(3)輸出高電位時間T
High
=?(寫出公式)
(4)輸出低電位時間T
Low
=?(寫出公式)
(5)輸出工作週期D=?(寫出公式)
(1)
(2 分)
(2)
(2 分)
相關試卷
113年 - 113 金門縣國民小學教師聯合甄選試題:資訊科技專業科目#120867
113年 · #120867
113年 - 113 高雄市市立國民小學_教師聯合甄選:專長類-資訊試卷#120693
113年 · #120693
112年 - 112 新北市國民小學暨幼兒園教師甄選試題:資訊科#118895
112年 · #118895
112年 - 112-1 國立臺東大學附設實驗國民小學教師甄選試題:資訊專業科目#115036
112年 · #115036
112年 - 112 臺北市市立國民中學正式教師聯合甄選:資訊科技(雙語)科#114640
112年 · #114640
112年 - 112 臺北市市立國民中學正式教師聯合甄選:資訊科技科#114633
112年 · #114633
112年 - 112 高雄市市立高級中等學校聯合教師甄選試題:資料處理科#114465
112年 · #114465
112年 - 112-1 國立東華大學附設實驗國民小學教師甄選題目:資訊專業#114445
112年 · #114445
112年 - 112 臺北市市立普通型暨技術型高級中等學校正式教師聯合甄選:資料處理科#114335
112年 · #114335
112年 - 112 新北市公立高級中等學校教師聯合甄選試題:資訊科#114159
112年 · #114159