阿摩線上測驗
登入
首頁
>
教甄◆電腦科專業
>
103年 - 教育部受託辦理103年國立高中職教師甄選資訊科試題#46380
> 申論題
題組內容
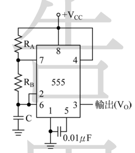
8.如下圖所示之電路,請回答下列問題:(每小題 1 分,共 5 分)
(5)輸出工作週期D=?(寫出公式)
相關申論題
(1) (2 分)
#158043
(2) (2 分)
#158044
⑴畫出vI - vO電壓轉換特性(Voltage transfer characteristics)。(5 分)
#158045
⑵當vI = 2 V,求vO與vA分別為何?(5 分)
#158046
⑶當vI = 20 mV,求vO與vA分別為何?(5 分)
#158047
⑷說明此電路與傳統二極體半波整波電路比較,有何不同?(5 分) 圖1
#158048
⑴試利用此 OPA 組成一直流增益為 10 V/V 之非反相放大器(假設目前手邊只有 2 kΩ, 5 kΩ, 8 kΩ, 12 kΩ, 15 kΩ及 18 kΩ的電阻器各一個),畫出其電路圖。(5 分)
#158049
⑵試估計上述放大器之截止頻率(Cutoff frequency)及單一增益頻率(Unity-gain frequency)。(5 分)
#158050
⑶畫出上述放大器Vo/Vi(增益gain)之振幅響應圖(Magnitude response)與相位響 應圖(Phase response)。(10 分)
#158051
四、如 圖 3 所 示 為 一 以 二 個 CMOS 反 相 器 所 組 成 之 無 穩 態 多 諧 振 盪 器 ( Astable multivibrator),試畫出vo1、vo2與vI1之波形(10 分),並說明該電路之工作原理。( 10 分)
#158053
相關試卷
113年 - 113 金門縣國民小學教師聯合甄選試題:資訊科技專業科目#120867
113年 · #120867
113年 - 113 高雄市市立國民小學_教師聯合甄選:專長類-資訊試卷#120693
113年 · #120693
112年 - 112 新北市國民小學暨幼兒園教師甄選試題:資訊科#118895
112年 · #118895
112年 - 112-1 國立臺東大學附設實驗國民小學教師甄選試題:資訊專業科目#115036
112年 · #115036
112年 - 112 臺北市市立國民中學正式教師聯合甄選:資訊科技(雙語)科#114640
112年 · #114640
112年 - 112 臺北市市立國民中學正式教師聯合甄選:資訊科技科#114633
112年 · #114633
112年 - 112 高雄市市立高級中等學校聯合教師甄選試題:資料處理科#114465
112年 · #114465
112年 - 112-1 國立東華大學附設實驗國民小學教師甄選題目:資訊專業#114445
112年 · #114445
112年 - 112 臺北市市立普通型暨技術型高級中等學校正式教師聯合甄選:資料處理科#114335
112年 · #114335
112年 - 112 新北市公立高級中等學校教師聯合甄選試題:資訊科#114159
112年 · #114159