阿摩線上測驗
登入
首頁
>
船用電機與自動控制(概要)
> 104年 - 104年 - 104年第一次航海人員特考/二等管輪 /船用電機與自動控制#25651
104年 - 104年 - 104年第一次航海人員特考/二等管輪 /船用電機與自動控制#25651
科目:
船用電機與自動控制(概要) |
年份:
104年 |
選擇題數:
40 |
申論題數:
0
試卷資訊
所屬科目:
船用電機與自動控制(概要)
選擇題 (40)
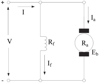
1.下圖所示為某直流電動機之電路接線示意圖,其中R
a
為電樞電阻、R
f
為磁場電阻、I
a
為電樞 電流、I
f
為磁場電流、I為負載電流、V為外加端電壓、E
b
為電動機之反電動勢。若不考慮電樞 反應之影響,且外加端電壓維持不變,則下列何者不屬於此直流電動機之特性?
(A)激磁方式為並激式 (B)激磁電流為定值 (C)其速度將隨I
a
或I之增加而增加 (D)每極之磁通為定值
2.有關感應電動機之起動法,下列敘述何者正確? (A)小型電動機不適合使用全電壓起動,因電流極易超過安全範圍 (B)Y-△起動法不適用於 5 kW以上之電動機 (C)補償器起動法適用於15 kW以上之電動機 (D)串聯電抗器降壓起動法成本最高
3.採用波繞繞組之六極直流發電機,其兩碳刷間之並聯電路數為何? (A)2 (B)4 (C)8 (D)16
4.兩部額定伏安數不同之三相變壓器並聯時,下列何項條件錯誤? (A)各變壓器的相序必須相同 (B)各變壓器的阻抗必須相等 (C)各變壓器的電壓比必須相等 (D)各變壓器的極性必須一致
5.氣壓馬達之主要功能為何? (A)將電能轉換成機械能 (B)氣壓轉電壓以驅動馬達 (C)將流體能量轉換成動能 (D)供應氣源
6.三相感應電動機的控制電路中,作為過載保護用的積熱繼電器至少應在主電路中串接幾個發 熱元件? (A)1 (B)2 (C)3 (D)4
7.皮托管(Pitot tube)可應用於何種計器? (A)煙濃度指示器 (B)流量計 (C)水位計 (D)檢鹽計
8.下列何種溫度感測裝置線性度較佳? (A)鉻鎳-鋁鎳熱電耦 (B)鉑-鉑銠熱電耦 (C)白金感溫電阻 (D)鎳合金感溫電阻
9.低通濾波器(Low pass filter)的特性為何? (A)阻止低頻,通過高頻 (B)阻止高頻,通過低頻 (C)通過指定高頻、低頻間之訊號,排除其餘頻率之訊號 (D)排除指定高頻、低頻間之訊號,通過其餘頻率之訊號
10.固態元件DIAC之輸出特性為何? (A)只產生正相的脈波 (B)只產生正相的直流 (C)產生正、負相的脈波 (D)產生正、負相的方波
11.在順序控制中,為了裝置多位置之遙控起動命令,其最佳電路之連接型態為: (A)串聯之a接點 (B)並聯之a接點 (C)串聯之b接點 (D)並聯之b接點
12.下列何者不屬於保護型繼電器(Protection relay)? (A)逆電力繼電器 (B)過電流繼電器 (C)電壓監視器 (D)電磁繼電器
13.在空氣壓縮機之起動-停止控制系統中,其受控對象(Controlled process)為: (A)空氣瓶 (B)氣壓調壓閥 (C)空氣壓縮機 (D)壓力開關
14.下列何種控制動作的輸出是與誤差的累積量成比例? (A)比例動作 (B)積分動作 (C)微分動作 (D)逆動作
15.二氧化碳含量檢測器,常用於下列何種檢測? (A)主機排煙 (B)鍋爐排煙 (C)油輪油貨艙封艙氣體 (D)機艙中的空氣
16.把電阻R = 8 Ω、感抗XL = 6 Ω串聯後,接於220 V交流電源上,這時電路的電流(A)及功 率因數分別為多少? (A)15.7 A,0.8 (B)22 A,0.8 (C)15.7 A,0.6 (D)22 A,0.6
17.依據右手螺旋定則,拇指代表下列何種物理量的方向? (A)導體運動 (B)電荷運動 (C)電流 (D)磁力線
18.依據克希荷夫定理,多個電阻串聯的總電阻計算公式為下列何者?
(A)1/R
1
+1/R
2
+1/R
3
+…+1/R
m
(B)R
1
+R
2
+R
3
+…+R
m
(C)1/(R
1
+R
2
+R
3
+…+R
m
) (D)(R
1
×R
2
×R
3
×…R
m
)/(R
1
+R
2
+R
3
+…+R
m
)
19.如下圖,每個電池電壓為12V,總電流I為2A,總電壓及通過每個電池的電流為何?
(A)12V/2A (B)12V/1A (C)24V/2A (D)24V/1A
20.RC並聯電路跨接於50 V的直流電源上,若電容器的電壓V
C
= a,電阻的電壓V
R
= b,則下列 何者正確? (A)a = 50,b = 0 (B)a = 0,b = 50 (C)a = 50,b = 50 (D)a = 0,b = 0
21.描述交流電之三項基本要素為何?①頻率 ②振幅 ③平均值 ④最大值 ⑤相位角 (A)①②③ (B)①④⑤ (C)②③⑤ (D)③④⑤
22.電腦記憶體容量大小單位通常用KB、TB、GB或MB表示,上述四種單位,由大到小排序為 何? (A)KB>TB>GB>MB (B)TB>GB>MB>KB (C)MB>KB>TB>GB (D)GB>TB>KB>MB
23.邏輯式 A + AB 之簡化結果為: (A)A + B (B)AB (C)A (D)A + AB
24.無人當值(MO)機艙之火災感測裝置以紅、白LED指示燈分層、分區顯示;若發生火災警 報,當值者於控制室按下「確認鈕」(Acknowledge)後,則紅亮閃爍指示燈轉變成: (A)紅色恆亮 (B)白色恆亮 (C)紅色緩閃爍 (D)白色緩閃爍
25.某船有下列接地方式,其中屬於「工作接地」的為下列何者? (A)電焊機的接地線 (B)比流器的鐵芯接地 (C)比壓器的鐵芯接地 (D)變壓器的鐵芯接地
26.無刷式同步交流發電機之激磁機,其運轉方式下列何者正確? (A)另設電動機驅動 (B)與轉子軸同軸運轉 (C)由電瓶供電驅動 (D)不需驅動運轉
27.為避免船舶搖動而引起液位感測器之錯誤警報,船舶故障警報系統常採用之方法為何? (A)增強感測器的靈敏度 (B)增大警報的設定值 (C)增大檢測感測器的誤差值 (D)增加一個較長時間之延時開關
28.在三相交流電中的有效功率(Active power)為何?(θ為電壓V與電流I之相角差)
(A)V × I sin θ (B)V × I cos θ (C)√ 3 V × I sin θ (D)√ 3 V × I cos θ
29.同步發電機的外部短路保護通常是由下列那項來執行? (A)保險絲 (B)電流繼電器 (C)溫度繼電器 (D)空氣斷路器的過電流裝置
30.船舶用電高峰時,可能引起電機過載,在備用電機投入運轉前,為確保電路網系能連續供 電,自動卸載裝置應能自動將下列那項設備移除? (A)大功率的 (B)任一部分的 (C)次要的 (D)功率因數低的
31.電機繞線(Windings)絕緣值(Insulation resistance)的量測,應在何時測量? (A)電機運轉中,已投入電路系統 (B)電機運轉中,尚未投入電路系統 (C)電機已停止運轉,並在冷機狀態下 (D)電機剛停止運轉,並在熱機狀態下
32.目前船上柴油交流發電機均裝有調速器(Governor),其主要目的是: (A)保持供電系統固定的負荷及固定的頻率 (B)提供供電系統因應負荷變化及不同的頻率 (C)提供供電系統固定的負荷及不同的頻率 (D)提供供電系統負荷的變化及固定的頻率
33.在主機遙控系統中有掃氣壓力限制油門的功能,其主要作用於: (A)高轉速區 (B)低轉速區 (C)高負荷區 (D)海況惡劣時
34.在主機遙控系統中,有關於正俥(Ahead)及倒俥(Astern)邏輯偵測的元件是: (A)凸輪軸(Cam shaft)的位置 (B)換向閥(Reversing valve)的位置 (C)俥鐘桿的位置 (D)主機飛輪(Flywheel)的位置
35.在具有負荷程式控制(Load program control)的主機遙控系統,俥鐘命令設定較高轉速 時,應滿足的是: (A)加速過程較快 (B)減速過程較快 (C)加速過程較慢 (D)減速過程較慢
36.柴油主機遙控系統,雙凸輪換向裝置在換向過程中,凸輪軸的動作為何? (A)上、下調換 (B)左、右調換 (C)液壓差動 (D)軸向移動
37. 控制線路圖中綠燈(GL)亮時代表意義為何? 鼠籠式三相感應電動機正逆轉控制線路圖
(A)電源失電 (B)馬達過載 (C)馬達逆轉 (D)馬達正轉
38.為保證電動舵機供電之可靠性,通常採用: (A)由專用柴油發電機供電 (B)由緊急電源直接供電 (C)由主配電盤與應急配電盤分左右舷兩路獨立饋電 (D)由配電盤分兩路獨立饋電
39.以下何者是微電腦型巡迴監視式警報系統之特點? (A)僅有一個中央處理單元;檢測精度高,速度快 (B)僅有一個中央處理單元;檢測精度及速度不如常規型 (C)監視點越多,則中央處理單元也多;檢測精度高,速度快 (D)監視點越多,則中央處理單元也多;檢測精度高,但速度稍慢
40.連續監視警報系統之核心單元是: (A)各種檢測器 (B)自檢控制單元 (C)警報控制單元 (D)電源
申論題 (0)
相關試卷
115年 - 115年第一次航海人員測驗【602】二等管輪【000022】船用電機與自動控制概要#138328
115年 · #138328
115年 - 115-1 航海人員測驗 _ 一等管輪:船用電機與自動控制#137837
115年 · #137837
114年 - 114-4 航海人員測驗_二等管輪:船用電機與自動控制概要#133727
114年 · #133727
114年 - 114-4 航海人員測驗 _ 一等管輪:船用電機與自動控制#133524
114年 · #133524
114年 - 114-3 航海人員測驗_一等管輪:船用電機與自動控制概要#130590
114年 · #130590
114年 - 114-3 航海人員測驗_二等管輪:船用電機與自動控制概要#130417
114年 · #130417
114年 - 114 海岸巡防特種考試_三等_海洋巡護科輪機組:船用電機與自動控制#129555
114年 · #129555
114年 - [無官方正解]114-2 航海人員測驗_二等管輪:船用電機與自動控制概要#128256
114年 · #128256
114年 - 114-2 航海人員測驗_一等管輪:船用電機與自動控制#127546
114年 · #127546
114年 - 114-1 航海人員測驗_二等管輪:船用電機與自動控制概要#125848
114年 · #125848