阿摩線上測驗
登入
首頁
>
工程力學(包括流體力學與材料力學)
> 104年 - 104 公務升官等考試_薦任_土木工程:工程力學(包括流體力學與材料力學)#41234
104年 - 104 公務升官等考試_薦任_土木工程:工程力學(包括流體力學與材料力學)#41234
科目:
工程力學(包括流體力學與材料力學) |
年份:
104年 |
選擇題數:
0 |
申論題數:
6
試卷資訊
所屬科目:
工程力學(包括流體力學與材料力學)
選擇題 (0)
申論題 (6)
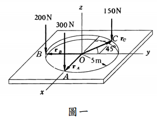
【已刪除】一、如圖一所示之圓盤,試求此力系之合力 R 大小及其作用位置。 (25 分)
【已刪除】二、一矩形自動閥門如圖二所示,其閥門長 5.4 m、寬 3.6 m,閥門 AB 可繞 C 點旋轉, 試求使閥門自動打開之最低水位 d 為何?(25 分)
⑴若 P =475 kN,求 B 點的水平位移。(10 分)
⑵若 B 點的位移容許在 1.5 mm 之內,求最大容許載重值 P
max
。(15 分)
⑴試求此梁斷面之中性軸位置。 分) (9
⑵試求此梁的最大拉應力及最大壓應力。 (16 分)
相關試卷
114年 - 114 公務升官等考試_薦任_土木工程:工程力學(包括流體力學與材料力學)#133245
114年 · #133245
113年 - 113 地方政府公務特種考試_三等_土木工程:材料力學#124539
113年 · #124539
112年 - 112 公務升官等考試_薦任_土木工程:工程力學(包括流體力學與材料力學)#117162
112年 · #117162
112年 - 112 原住民族特種考試_三等_土木工程:工程力學(包括流體力學與材料力學)#116539
112年 · #116539
111年 - 111 原住民族特種考試_三等_土木工程:工程力學(包括流體力學與材料力學)#110630
111年 · #110630
110年 - 110 公務升官等考試_薦任_土木工程、結構工程:工程力學(包括流體力學與材料力學)#103690
110年 · #103690
110年 - 110 原住民族特種考試_三等_土木工程:工程力學(包括流體力學與材料力學)#101004
110年 · #101004
109年 - 109 原住民族特種考試_三等_土木工程:工程力學(包括流體力學與材料力學)#90831
109年 · #90831
108年 - 108 公務人員升官等公務薦任_土木工程:工程力學(包括流體力學與材料力學)#80522
108年 · #80522
108年 - 108 特種考試原住民族三等 工程力學(包括流體力學與材料力學)#79058
108年 · #79058