阿摩線上測驗
登入
首頁
>
工程力學(包括流體力學與材料力學)
>
104年 - 104 公務升官等考試_薦任_土木工程:工程力學(包括流體力學與材料力學)#41234
> 申論題
題組內容
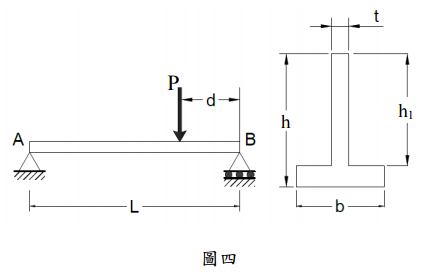
四、一載重 P 作用於簡支梁 AB 上,詳如圖四所示,若 P =6.2 kN,L=3.2 m,d=1.25 m, b=80 mm,t=25 mm,h=120 mm 及 h
1
=90 mm。
⑴試求此梁斷面之中性軸位置。 分) (9
相關申論題
⑴若 P =475 kN,求 B 點的水平位移。(10 分)
#127862
⑵若 B 點的位移容許在 1.5 mm 之內,求最大容許載重值 Pmax。(15 分)
#127863
⑵試求此梁的最大拉應力及最大壓應力。 (16 分)
#127865
五、如下圖所示,此樑於 c 點承受一集中載重,試求所有的支承反力,以及樑之位移與傾角與座標軸 x 的函數關係。假設楊氏模數 E = 200 GPa,矩 形截面積,樑寬 20 cm,樑深 30 cm。(20 分)
#555950
四、剛體均質薄板 ABCD(500 mm✖200 mm)如下圖所示,質量 9 kg。AE 與 DF 為剛體桿件(可忽略質量),桿長均為 150 mm,均以鉸接方式與 薄板和支承結合。當繩索 BH 被切斷的瞬間,試求薄板之加速度和 AE 與 DF 桿件之內力。假設重力加速度向下 g = 9.81 m/s2。(20 分)
#555949
三、如下圖所示,鉸支承 A 點與鉸支承 E 點之高程差為 6 m,由四段可忽略自重的纜索連接起來,B、C、D 為鉸接,已知 C 點低於 A 點,高程差為 1.5 m,試求 B 點與 A 點的高程差,D 點與 A 點的高程差,以及纜索中的最大斜率和最大張力。 (20 分)
#555948
二、試求下圖矩形閘門 de 上的靜流體合力之大小、方向和作用點,假設此閘門突出紙面之寬度為 1 m,液體 A 和液體 B 的密度分別為 1125 和 1320 kg/m3, 重力加速度向下 g=9.81 m/s2。bc 點高程差 1.8 m,cd 點高程差 1.2 m,de 點 高程差 2 m,ef 點高程差 2 m。(20 分)
#555947
一、在平面應變之假設下,一應變元素如下圖正方形所示,其在 x-y 座標系之應變值為 εxx = 0.00032,εyy = 0.00012,γxy = 0.00017,剪應力為 τxy = Gγxy,G 為剪力模數,試求此元素之主應變及其主軸座標方向,以及最大和最小剪應變及其方向,請繪製相應之應變元素圖以明確表示。(20 分)
#555946
四、有一連續梁 ABCDE 如下圖所示,A 點為固定端,B 點為鉸支承,C 點為鉸接,D 點為滾支承。此梁於 C 點受到一集中載重 P,如梁斷面彎矩勁度為 EI,求 A、B 及 D 點之反力(可包括彎矩)。並計算 C 點之位移、D 點之轉角及 E 點之位移。請註明反力、位移及轉角之方向。(25 分)提示: a + b =L
#529566
三、有一 60°應變計組合,安裝在圓柱形壓縮空氣儲槽表面如下圖所示。應變計A 的紀錄為 εa =100✖10-6,應變計 B 與 C 的紀錄相等,且εb=εc= 280✖10-6。如果儲槽的半徑 r 與厚度 t 之比值 r/t= 20,且儲槽內部空氣壓力為p=4 MPa ,計算儲槽材料的彈性係數 E 和柏松比ν 。(25 分)提示:εx'=
#529565
相關試卷
114年 - 114 公務升官等考試_薦任_土木工程:工程力學(包括流體力學與材料力學)#133245
114年 · #133245
113年 - 113 地方政府公務特種考試_三等_土木工程:材料力學#124539
113年 · #124539
112年 - 112 公務升官等考試_薦任_土木工程:工程力學(包括流體力學與材料力學)#117162
112年 · #117162
112年 - 112 原住民族特種考試_三等_土木工程:工程力學(包括流體力學與材料力學)#116539
112年 · #116539
111年 - 111 原住民族特種考試_三等_土木工程:工程力學(包括流體力學與材料力學)#110630
111年 · #110630
110年 - 110 公務升官等考試_薦任_土木工程、結構工程:工程力學(包括流體力學與材料力學)#103690
110年 · #103690
110年 - 110 原住民族特種考試_三等_土木工程:工程力學(包括流體力學與材料力學)#101004
110年 · #101004
109年 - 109 原住民族特種考試_三等_土木工程:工程力學(包括流體力學與材料力學)#90831
109年 · #90831
108年 - 108 公務人員升官等公務薦任_土木工程:工程力學(包括流體力學與材料力學)#80522
108年 · #80522
108年 - 108 特種考試原住民族三等 工程力學(包括流體力學與材料力學)#79058
108年 · #79058