阿摩線上測驗
登入
首頁
>
統測◆(一)電子學、基本電學
> 104年 - 104 四技二專統測_電機與電子群電機類、電機與電子群資電類_專業科目(一):電子學、基本電學#21070
104年 - 104 四技二專統測_電機與電子群電機類、電機與電子群資電類_專業科目(一):電子學、基本電學#21070
科目:
統測◆(一)電子學、基本電學 |
年份:
104年 |
選擇題數:
50 |
申論題數:
0
試卷資訊
所屬科目:
統測◆(一)電子學、基本電學
選擇題 (50)
1. 兩電壓 v
1
(t)= 8cos(20πt +13°)V 及v
2
(t)= 4sin(20πt + 45°)V ,則兩電壓之相位差為多少 度? (A) 58 (B) 45 (C) 32 (D) 13
ˉ 2. 下列有關半導體之敘述,何者正確? (A) 當溫度升高時本質半導體的電阻會變大 (B) P型半導體內電洞載子濃度約等於受體濃度 (C) 外質半導體中電洞與自由電子的濃度相同 (D) N型半導體內總電子數大於總質子數 ˉ
3. 下列敘述何者正確? (A) 紅外線LED可發紅色可見光 (B) LED發光原理與白熾鎢絲燈泡相同 (C) 矽二極體之障壁電壓即為熱當電壓(thermal voltage ) (D) 矽二極體於溫度每上升 10°C,其逆向飽和電流約增加一倍 ˉ
4. 則C 值約為多少 μF ? (A) 2 (B) 40 (C) 120 (D) 360 ˉ
5. 承接上題,若變壓器匝數比N1 /N2=x,則x 約為何? (A) 5.5 (B) 4.5 (C) 3.5 (D) 2.5 ˉ
6. 單相中間抽頭變壓器型二極體全波整流電路中,其輸出電壓平均值為50V,負載為純電阻, 則每個二極體之逆向峰值電壓(PIV)約為多少伏特?(A)173 (B) 157 (C) 79 (D) 50 ˉ
7. NPN型BJT工作於飽和區時,下列敘述何者正確? (A) 適合作為訊號放大 (B) 集極電流與基極電流成正比 (C) 相同集極電流下,BJT消耗功率比工作於主動區小 (D) 基-射極與基-集極間均為逆向偏壓 ˉ
8. PNP 型 BJT 工作於主動區時,其射極電壓 ( VE ) 、基極電壓 ( VB ) 及集極電壓 ( VC ) 之大小 關係為何? (A) VE >VB >VC (B) VB >VE >VC (C) VB >VC >VE (D) VC >VB >VE
9. 則Vo約為多少伏特? (A) 3.6 (B) 4.5 (C) 5.5 (D) 6.4 ˉ
10. 承接上題,V
CE
約為多少伏特? (A) 2.31 (B) 3.37 (C) 4.85 (D) 5.21 ˉ
11. 則Io /Ii約為何? (A) 92.34 圖(三) (B) 56.68 (C) 48.42 (D) 39.27 ˉ
12. 承接上題,Vo /Vi約為何? (A) – 95.3 (B) – 57.6 (C) – 48.9 (D) – 30.5 ˉ
13. 常作為射極隨耦器的電晶體組態為何? (A) 共射極組態 (B) 共基極組態 (C) 共集極組態 (D) 共閘極組態 ˉ
14. 下列有關常見的達靈頓電路(Darlington circuit)之特點,何者錯誤? (A) 高輸出阻抗 (B) 高輸入阻抗 (C) 高電流增益 (D) 低電壓增益 ˉ
15. 下列敘述何者正確? (A) 變壓器耦合串級放大電路不易受磁場干擾 (B) 直接耦合串級放大電路之低頻響應不佳 (C) 直接耦合串級放大電路前後級阻抗容易匹配 (D) 電阻電容耦合串級放大電路偏壓電路獨立,設計容易 ˉ
16. 某N通道增強型MOSFET放大電路,MOSFET之臨界電壓(threshold voltage )Vt=2V,參數 K = 0.3 mA / V 2,若 MOSFET 工作於夾止區,閘-源極間電壓 V GS = 4 V,則轉移電導 g m為 多少mA/V? (A) 0.6 (B) 1.2 (C) 1.8 (D) 2.4
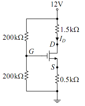
17. 如圖(四)所示之電路,若MOSFET之I
D
=2mA,臨界電壓V
t
=2V,則其參數K約為多少mA/V
2
?
(A) 0.22 (B) 0.31 (C) 0.42 (D) 0.54
18.則Vo /Vi約為何? (A) – 1.6 (B) – 2.5 (C) – 6.8 (D) – 12.3 ˉ
19. 承接上題,Io /Ii約為何? (A) 750 (B) 55 (C) – 55 (D) – 750
20. 若V1=1V,V2=2V,V3=3V,V4=4V,則Vo為多少伏特? (A) – 2 圖(六) (B) – 1 (C) 4 (D) 7 ˉ
21. 承接上題,若V1=–1V,V2=2V,V3=– 3V時,Vo=0V,則V4為多少伏特? (A) – 5 (B) – 4 (C) 4 (D) 5 ˉ
22. 如圖(七)所示之電路,若Vi為峰值 ± 3V之對稱三角波,則Vo之平均電壓約為多少伏特?
(A) – 7.5(B) – 5 (C) 5 (D) 7.5
23. R2=2kΩ,VR=–2V,若其上臨界電壓為4V,則R1約為多少kΩ? (A) 1.5 圖(八) (B) 2.8 (C) 3.6 (D) 4.8 ˉ
24. 承接上題,若R1=R2=2 kΩ 且VR =2V,則其下臨界電壓為多少伏特? (A) – 8 (B) – 6 (C) – 4 (D) – 2 ˉ
25. 下列有關555計時IC的控制電壓腳(第5腳)之敘述,何者錯誤? (A) 可改變輸出之電壓大小 (B) 可改變輸出之振盪頻率 (C) 可改變內部上比較器之參考電位 (D) 可改變內部下比較器之參考電位
26. 在3秒內將10庫侖的電荷由電位10V處移動到50V處,再從50V處移動到30V處,則總共 作功多少焦耳? (A) 200 (B) 400 (C) 500 (D) 600 ˉ
27. 某裝置的電源電池為1.5 V,可使用能量為5400 J。該裝置之工作與待機模式所需電流分別為 19mA與 200μA ,若設定每小時工作10分鐘,待機50分鐘,則該裝置約可使用多少小時? (A) 150 (B) 200 (C) 300 (D) 375 ˉ
28. 將長度為100公尺且電阻為1 Ω 的某金屬導體,在維持體積不變情況下,均勻拉長後的電阻 變為9Ω,則拉長後該金屬導體長度為多少公尺? (A) 200 (B) 300 (C) 600 (D) 900 ˉ
29. 將電阻值分別為 2 Ω、3 Ω 及 4 Ω 的三個電阻串聯後,接於 E 伏特的直流電源,若 2 Ω 電阻 消耗功率為18W,則E 值為何? (A) 18 (B) 27 (C) 32 (D) 36 ˉ
30. 如圖(九)所示之電路,當電壓V1=10V時,則電流I 約為多少安培?
(A) 1 (B) 5 (C) 8 (D) 10 ˉ
31. 如圖(十)所示之電路,若I2=0A,則R 與I1分別為何?
(A) R=3Ω,I1=5A (B) R=3Ω,I1=4A (C) R=6Ω,I1=3A (D) R=6Ω,I1=2A
32. 由a、b 兩端往左看入之諾頓等效電流約為多少安培? (A) 0.8 圖(十一) (B) 1.2 (C) 2.4 (D) 3.2 ˉ
33. 承接上題,若Vc=9V,則R
L
約為多少歐姆? (A) 1 (B) 2 (C) 3 (D) 4 ˉ
34. 如圖(十二)所示之電路,若b 為參考節點,則下列節點方程式組何者正確?
35. 電容器X的電容值為 60μF ,耐壓250 V。若電容器 X和另一電容器Y串聯後,其總電容值 為 20μF ,總耐壓為300V,則電容器Y的電容值和耐壓分別為何? (A) ( 60μF,150V) (B) ( 60μF,200V) (C) ( 30μF,150V) (D) ( 30μF,200V) ˉ
36. 某電感值為0.5H的線圈,若通過4A電流可產生0.01韋柏(Wb )磁通,則該線圈的匝數與 儲存磁能分別為何? (A) 200匝,4焦耳 (B) 200匝,2焦耳 (C) 100匝,4焦耳 (D) 100匝,2焦耳 ˉ
37. 匝數分別為500匝和1000匝的X線圈與Y線圈,若X線圈通過5A電流時,產生4× 10
–4
Wb 磁通量,其中90%交鏈至Y線圈,則X線圈自感L 及兩線圈互感M 分別為何? (A) L=72mH,M=40mH (B) L=70mH,M=40mH (C) L=40mH,M=70mH (D) L=40mH,M=72mH
38. 如圖(十三)所示之電路,在t =0秒時將開關S 閉合,若電容器的電壓vc初值為12V,則S 閉合瞬間的電容器電流 i
c
與充電時間常數分別為何?
(A) 7mA,0.2秒 (B) 7mA,0.25秒 (C) 12mA,0.2秒 (D) 20mA,0.4秒 ˉ
39. 如圖 ( 十四 ) 所示之電路,開關 S 在 t = 0 秒時閉合,若電感器的初始能量為零,則電路 時間常數 τ 與t =1秒時之電感器電流iL分別為何?
(A) τ=1ms,iL=2.4A (B) τ=1ms,iL=1.2A (C) τ=2ms,iL=2.4A (D) τ=2ms,iL=1.2A ˉ
40. 若 v(t) =100 √2 sin(157t - 30°)V ,則 v(t) 的頻率與有效值分別為何? (A) 50Hz,120V (B) 25Hz,120V (C) 50Hz,100V (D) 25Hz,100V ˉ
41. 若 i 1 (t) = 4sin(ωt)A 的相量式為 2 √2∠0°A ,則 i(t) =10cos(ωt -45°)A 的相量式為何?
ˉ
42. 某 RC 串聯電路的輸入電壓為 4sin(377t)V ,若流經電阻的電流為 √2 sin(377t + 45°)A, 則電阻約為多少歐姆? (A) 4 (B) 3 (C) 2 √2 (D) 2
43. 某 RL 並聯電路的電阻 R = 3 Ω,電感抗 X
L
= 3 Ω。若總消耗電流為 8sin(377t)A,則流經 電阻的電流為何? (A) 4 √2 sin(377t + 45°)A (B) 4 √2 sin(377t - 45°)A (C) 4sin(377t + 45°)A (D) 4sin(377t - 45°)A ˉ
44. 如圖(十五)所示之電路,若 vs (t) =100 √2 sin(377t)V ,則 v
1
(t) 為何?
(A) 25sin(377t -30°)V (B) 25sin(377t - 45°)V (C) 50sin(377t -30°)V (D) 50sin(377t - 45°)V
45. 某負載電壓為 110 √2 sin(314t + 60°)V ,電流為 5 √2 sin(314t +30°)A ,則該負載的視在功率 約為多少VA? (A) 1100 (B) 952.63 (C) 777.82 (D) 550 ˉ
46. 某RL 並聯電路的電阻R = 4 Ω,輸入電壓
,若總視在功率大小為500VA,則 電感抗約為多少歐姆? (A) 2.66 (B) 5.33 (C) 10.66 (D) 16
47. RLC 串聯電路發生諧振時,下列敘述何者正確? (A) 阻抗最小,功率因數0.707 (B) 阻抗最小,功率因數1.0 (C) 阻抗最大,功率因數0.707 (D) 阻抗最大,功率因數1.0 ˉ
48. 外接電流源
的RLC 並聯電路中,電阻R=10Ω,電感L =5mH,電容 C =10μF。 當發生諧振時,該電路平均消耗功率約為多少瓦特? (A) 80 (B) 160/√2 (C) 160 (D) 160√2
49. 如圖(十六)所示之 1Φ2W 與 1Φ3W 供電系統,其中每一配電線路的等效電阻為r,單一負載 皆為 1 kW。若 1Φ2W 系統供電之配電線路損失為 P 2W,1Φ3W 系統供電之配電線路損失 為P3W,則下列敘述何者正確?
(A) P3W =4P2W (B) P3W =3P2W (C) P3W =0.5P2W (D) P3W =0.25P2W
50. 三相平衡Y接電源系統,n為中性點,若線電壓分別為
及
,下列有關相電壓 Vbn 之敘述,何者正確? (A)
(B)
(C)
(D)
申論題 (0)
相關試卷
115年 - [無官方正解]115 四技二專統測_電機與電子群電機類 電機與電子群資電類_專業科目(一):基本電學、基本電學實習、 電子學、電子學實習#139187
115年 · #139187
114年 - 114 四技二專統測_電機與電子群電機類 電機與電子群資電類_專業科目(一):基本電學、基本電學實習、 電子學、電子學實習#126877
114年 · #126877
113年 - 113 四技二專統測_電機與電子群電機、電資類_專業科目(一):基本電學、基本電學實習、 電子學、電子學實習#119627
113年 · #119627
112年 - 112 四技二專統測_電機與電子群電機、電資類_專業科目(一):基本電學(實習)、電子學(實習)#114333
112年 · #114333
111年 - 111 身心障礙學生升學大專校院甄試試題_四技二專組_電機與電子群電機、資電類_專業科目(一):基本電學、基本電學實習、電子學、電子學實習#118902
111年 · #118902
111年 - 111 四技二專統測_電機與電子群電機、電資類_專業科目(一):電子學(含實習)、基本電學(含實習)#107683
111年 · #107683
110年 - 110 四技二專統測_電機與電子群電機類、電機與電子群電資類_專業科目(一):電子學、基本電學#98522
110年 · #98522
109年 - 109 四技二專統測_電機與電子群電機類、電機與電子群資電類_專業科目(一):電子學、基本電學#85155
109年 · #85155
108年 - 108 四技二專統測_電機與電子群電機類、電機與電子群資電類_專業科目(一):電子學、基本電學#79927
108年 · #79927
107年 - 107 四技二專統測_電機與電子群電機類、電機與電子群資電類_專業科目(一):電子學、基本電學#68917
107年 · #68917