阿摩線上測驗
登入
首頁
>
基本電學(概要)
> 104年 - 104 身心障礙特種考試_四等_電力工程、電子工程:基本電學#43058
104年 - 104 身心障礙特種考試_四等_電力工程、電子工程:基本電學#43058
科目:
基本電學(概要) |
年份:
104年 |
選擇題數:
0 |
申論題數:
5
試卷資訊
所屬科目:
基本電學(概要)
選擇題 (0)
申論題 (5)
【已刪除】一、如圖一所示,若R
1
= R
2
= 10 Ω ,R
3
= 6 Ω ,R
4
= R
5
= R
6
= 12 Ω ,求出R
T
為多少Ω ? (20 分)
【已刪除】二、利用節點電位法求圖二電路之 V
1
為多少伏特? I
1
為多少安培? I
2
為多少安培? 4 Ω 電阻所消耗的功率為多少瓦?(20 分)
【已刪除】三、利用諾頓等效電路方法,求圖三電路之 a,b 兩點左邊之諾頓等效電阻 R
th
為多少歐 姆?a,b 兩點左邊之諾頓等效電流 I
th
為多少安培?通過 3 Ω 電阻的電流為多少安培? 及 3 Ω 電阻所消耗的功率為多少瓦?(20 分)
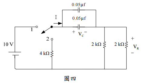
【已刪除】四、圖四的開關電路,電路已達到直流穩態,當 t = 0 時,開關由位置 1 切換到位置 2, 求 t > 0 時,時間常數為多少秒?電壓 V
R
(t) 之值?電壓 V
C
(t) 之值?電流 I(t)之值? (20 分)
【已刪除】五、圖五為交流電路,求電源所看到之總阻抗、電流 I 的大小?功率因數為多少?電源提 供之平均功率為多少?(電源V = 30∠0° ,其中 30 為電壓有效值)(20 分)
相關試卷
115年 - 115 關務特種考試_四等_電機工程(選試英文):基本電學#138955
115年 · #138955
115年 - 115-1 臺北市立大安高工教師甄選試題_電子/控制科:基本電學#138451
115年 · #138451
114年 - 114 關務特種考試_四等_電機工程(選試英文):基本電學#126651
114年 · #126651
113年 - 113 關務特種考試_四等_電機工程(選試英文)、電機工程(選試日文):基本電學#119481
113年 · #119481
112年 - 112 地方政府特種考試_四等_電力工程、電子工程、電信工程:基本電學#118330
112年 · #118330
112年 - 112 普通考試_電力工程、電子工程、電信工程:基本電學#115756
112年 · #115756
112年 - 112 關務特種考試_四等_電機工程:基本電學#113949
112年 · #113949
111年 - 111 地方政府特種考試_四等_電力工程、電子工程、電信工程:基本電學#112594
111年 · #112594
111年 - 111 中華郵政股份有限公司_職階人員資產營運及工程類科甄試試題_專業職(一)/電力工程:基本電學#111525
111年 · #111525
111年 - 111 普通考試_電力工程、電子工程、電信工程:基本電學#109349
111年 · #109349