所屬科目:一二三等大管輪◆維修保養與輔機
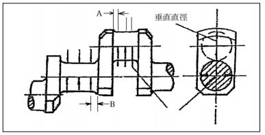
27. 量測曲軸軸頸截面內垂直與水平方向直徑時,A與B的測量 距離為何才正確? (A) A的測量距離5~ 9 mm,B的測量 距離5~9 mm (B) A的測量距離5~ 9 cm,B的測量 距離5~9 cm (C) A的測量距離10 ~30 mm,B的測 量距離10~30 mm (D) A的測量距離10 ~30 cm,B的測 量距離10~30 cm
29. 有關上下死點臂距值之和()減去左右水平臂距值()的差值,大於多少時,表示曲軸嚴重變形? (A) ±0.005 mm (B) ±0.01 mm (C) ±0.02 mm (D) ±0.03 mm
30. 由圖所示,貫穿螺栓的上緊順序,應為下列那一選項? (A) 1→2→3→4→5 →6→7 (B) 1→3→2→4→6 →5→7 (C) 7→6→5→4→3 →2→1 (D) 4→5→3→6→2 →7→1
35. 有關冷凍系統之正常運轉及熱氣除霜見下圖, 當右側蒸發 管除霜時,下列敘述何者正確? (A) a、b、e、f閥關 閉,c,d閥開啟 (B) b、c、f閥關閉 ,a、d、e閥開 啟 (C) a、d、e閥關閉 , b、f、c閥開 啟 (D) c、d閥關閉, a、b、e、f閥開 啟