阿摩線上測驗
登入
首頁
>
技檢◆視聽電子-乙級
> 105年 - 02900 視聽電子 乙級 工作項目 04:電子學 101-200#40643
105年 - 02900 視聽電子 乙級 工作項目 04:電子學 101-200#40643
科目:
技檢◆視聽電子-乙級 |
年份:
105年 |
選擇題數:
100 |
申論題數:
0
試卷資訊
所屬科目:
技檢◆視聽電子-乙級
選擇題 (100)
101. 下列布林函數中那一個是錯誤的?(A)1+1=1(B)BC=CB(C)A
=1(D)A+A=A。
102. 下列何種之表示式是錯誤的?
103. 以布林代數將(A⊕B)+AB 簡化,其結果為(A)A(B)A+B(C)B(D)AB。
104. 化簡布林代數
105. 試問布林函數
106. 化簡布林函數 B+AB,其最簡結果為(A)AB(B)A+B(C)A(D)B。
107. 卡諾圖化簡規則中,相鄰八個方格可以消去幾個變數?(A)1 個(B)2 個(C)3 個(D)4 個。
108. 化簡下列布林函數 F(A,B,C,D)=m(1,5,6,7,14,15)
109. 布林函數
110. 布林函數
111. 下列何者函數與布林函數 f(A,B,C,D)=
112. 在 10 進制中之 265 相當於八進制中的(A)411(B)114(C)265(D)432。
113. 在布林代數中,下列何者為誤?(A)A+A=A(B)A‧A=A(C)A+1=1(D)
。
114. 半加器中被加數 A 與加數 B 之和可表示為(A)A‧B(B)A×B(C)A⊕B(D)A+B。
115. JK 正反器 J 接 1,K 接 0,當 Clock 輸入時,則輸出為(A)
(B)Q(C)1(D)0。
116. 某記憶體之記憶容量為 2KB,則其最多可儲存(A)2000(B)2048(C)3000(D)4096 Bytes。
117. JK 正反器之 J 與 K 輸入均為"H
i
",在時序脈波轉變狀態時,輸出 Q 應該是(A)Q=Lo(B)Q=Hi(C) Q=轉變狀 態(D)無法判定。
118. 傳輸延遲定義為(A)閘之輸入覺察到邏輯位準變化所需之時間(B)閘之輸出隨輸入變化而變化所需之時間(C)閘 之輸出由 Hi 變化至 Lo 所需之時間(D)閘之輸出由 Lo 變化至 Hi 所需之時間。
119. 二進制的 1001.1001 等於十進制的(A)9.9(B)11.11(C)9.5625(D)9.775。
120. 十進制的 47.5 等於(A)二進制的 10111.101(B)八進制的 57.4(C)十六進制的 2A.6(D)BCD 碼的 10111.0100。
121. 十進制的 0.3125 之八進制為(A)0.54(B)0.24(C)0.45(D)0.42。
122. 八進制的 15.73 之十六進制為(A)13.ED(B)C.EC(C)D.E3(D)D.EC。
123. 下列何者不屬於 BCD 碼(A)0101(B)0111(C)1001(D)1110。
124. A7 化成二進制是(A)1111010(B)11001110(C)10100111(D)11110000。
125. 欲設計一個非同步 12 模計數器,至少需要幾個正反器?(A)3 個(B)4 個(C)5 個(D)6 個。
126. 布林代數式中,(A+B)(
+C)=(A)AC+ B(B)AB+AC(C)A+BC(D)ABC。
127. 布林代數式 F=1+A+BC+ACD+BCE 可化簡為(A)BC+CE(B)A+BC(C)CD+BC(D)1。
128. 雙端輸入反及閘(NAND),欲使其輸出為 0,則兩輸入應分別為(A)0、0(B)0、1(C)1、0(D)1、1。
129. 利用雙端輸入的 NOR 閘欲組成為雙端輸入的 OR 閘功能,至少須使用幾個 NOR 閘?(A)1(B)2(C)3(D)4 個。
130. 有一雙端輸入之及閘(AND),其一輸入端保持為"1",另一輸入端輸入一時鐘脈波,則輸出之波形應為(A)0(B)1 (C)同相之時鐘脈波(D)反相之時鐘脈波。
131. TTL 與 CMOS 邏輯電路一起使用時,通常需加(A)電壓放大(B)電流放大(C)A/D 轉換(D)提升電阻 界面電路。
132. 雙端輸入的互斥或閘(XOR),其一輸入端保持為"1",另一輸入端串聯一個雙端輸入的反及閘(NAND),其電 路相當於(A)AND(B)OR(C)NOR(D)NAND 閘。
133. 雙端輸入的反或閘(NOR),分別在雙端輸入串一反相閘,其電路相當於一(A)OR(B)AND(C)NOR(D)NAND 閘。
134. 有一三輸入端的反及閘(NAND),其輸出為"1"的狀態有(A)1(B)3(C)5(D)7 種。
135. 共陽極七段顯示器,若共用端接高電位且 a、b、d、e、g 輸出為低電位時,則將顯示(A)2(B)5(C)6(D)9。
136. 一解碼器其輸出端之變數有 64 個,則其輸入變數至少有(A)3(B)6(C)8(D)64 種。
137. 把 4-Bit 計數器的輸出接到七段顯示器必須先經過(A)解碼器(B)解多工器(C)編碼器(D)多工器。
138. 當我們要把十進制數目加到數位電路中,要使用(A)解碼器(B)解多工器(C)編碼器(D)多工器。
139. 欲產生 32 線輸出的解碼器,其輸入端至少需為(A)3(B)5(C)16(D)32 線來組合。
140. 在數位電路中正反器(Flip-Flop)通常都是(A)不穩態多諧振盪器(B)雙穩態多諧振盪器(C)單穩態多諧振盪器(D)間 歇振盪器。
141. 單一正反器,可儲存多少個位元的資訊(A)1(B)2(C)4(D)8 位元。
142. 以 NAND 閘組成的 RS 正反器中,若在時鐘脈波輸入後,輸出 Q 由 1→0 時,輸入 RS 值應分別為(A)0、1(B)1、 0(C)1、1(D)0、0。
143. T 型正反器,若 T 之輸入為 0,則時鐘脈波輸入後,其輸出
144. 邏輯電路作為數值資料的儲存,一般均採用(A)D 型(B)T 型(C)JK(D)RS 正反器。
145. 有一雙端輸入或閘之輸出串接一反相放大器,則當二輸入分別為 1 及 0 時,輸出為(A)0(B)1(C)不穩態(D)不動作。
146. 當一射極隨耦器之輸出端接上一 TTL 電路時,此射極隨耦器之功用為(A)提高扇入電流(B)減小扇入電流(C)提 高輸入阻抗(D)提高扇入電壓。
147. 下列數位邏輯族系中,消耗功率最小的為(A)ECL(B)TTL(C)DTL(D)CMOS。
148. 一個 8 對 1 的多工器,其選擇線至少需要幾條?(A)8 條(B)3 條(C)4 條(D)2 條。
149. 標準 TTL 的輸出低態電流 I
OL
最大值約為(A)16mA(B)400μA(C)1.6mA(D)46μA。
複選題
150. 將三個電容串聯後,下列敘述何者正確?(A)總電容量變小(B)三個電容量上的電壓必相同(C)三個電容的阻抗必 相同(D)三個電容所流過的電荷必相同。
複選題
151. 以一具 800 瓦特的電鍋煮飯 1.5 小時,而電費每度為 3.5 元,下列敘述何者正確?(A)總電費 8.3 元(B)總度數 1. 2 度(C)總電費 4.2 元(D)總度數 3.2 度。
複選題
152. 對電源之敘述,下列何者不正確?(A)理想電壓源內阻無限大(B)理想電流源內阻無限大(C)理想電壓源內阻等於 零(D)理想電流源內阻等於零。
複選題
153. 對單位之敘述,下列何者不正確?(A)高斯/平方公分是磁通密度的單位(B)牛頓/庫倫是電場強度的單位(C)焦 耳是磁場強度單位(D)庫倫/平方公尺是電通單位。
複選題
154. 對於佛萊銘左手定則之敘述,下列何者正確?(A)拇指代表導體運動方向(B)拇指代表磁場方向(C)中指代表流過 導體的電流方向(D)中指代表運動方向。
複選題
155. 有關 RLC 串聯諧振之敘述,下列何者不正確?(A)在諧振時,電路呈電感性(B)在諧振時消耗之電功率最大(C) 諧振頻率與 R 大小有關(D)在諧振時 L 的電壓與 C 的電壓大小相同。
複選題
156. 下圖電路所示,下列何者正確?
(A)I
1
=1A(B)I
1
=1.5A(C)I
2
=2A(D)I
2
=2.5A。
複選題
157. 對於波形的描述,下列敘述何者正確?(A)方波的波形因素為 1(B)正弦波每週的平均值最大值的
(C)三角波每 週的平均值為零(D)正弦波的有效值為最大值的 倍
。
複選題
158. 對於週期的描述,下列敘述何者錯誤?(A)π =3.14(B)ω =2 f(C)
(D)T=f。
複選題
159. 與 並聯接於某電源(E)上,各消耗 100 瓦特及 200 瓦特之電功率,已知 R
1
=100 歐姆,則E及 R
2
為何? (A)E=100V(B)E=120V(C)R
2
=50 歐姆(D) =80 歐姆。
複選題
160. 有一 RLC 串聯電路,其諧振頻率f
0
=1000Hz,R=10Ω,X
L
=100Ω,則品質因素 Q 及頻寬 BW 為何?(A)Q=100 (B)Q=10(C)BW=100Hz(D)BW=10Hz。
複選題
161. 十進位 56 之等效值為何?(A)111000
(2)
(B)200
(5)
(C)70
(5)
(D) 30
(16)
複選題
162. 十六進位值為19.C
(16)
,若轉換為八進位及二進位碼其值為何?(A)47
(8)
(B)31.6
(8)
(C)00011001.1100
(2)
(D) 0011000.1000
(2)
。
複選題
163. 有關 CMOS 的敘述,下列何者正確?(A)NOR 閘部分不用的輸入端最好接到V
DD
端(B)NAND 閘部分不用的輸入 端最好接到V
DD
端(C)CMOS 的工作速度較 TTL 高(D)CMOS 的扇出數比 TTL 高。
【已刪除】
複選題
164. (本題刪題)以 TTL 或 CMOS 閘之輸出來驅動 LED 時,下列電路接法何者較不適當? (A) (B) (C) (D) 。
複選題
165. 當 TTLIC 與 CMOSIC 使用相同電源時,下列電路接法何者較為適當?
複選題
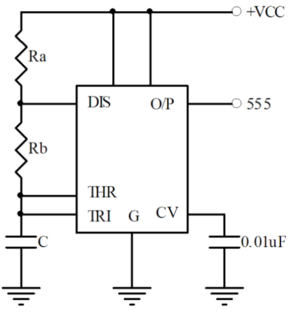
166. 下圖電路所示,為 IC555 所構成的電路,下列敘述何者正確?
(A)為無穩態多諧振盪器(B)振盪週期 T=0.693(R a+2Rb)C(C) V
o
為高電位的時間 T
H
=0.693(Ra+Rb)C(D) V
o
為低電位的時間 T =0.693RaC。
複選題
167. 下圖電路所示,若 T 為 Hi(高電位)且 fin 為 10KHz 的週期性脈波,且脈波的工作週期(duty cycle)為 30%, 下列敘述何者正確?
(A)fo=3KHz(B)fo=5KHz(C)工作週期為 50%(D)工作週期為 70%。
複選題
168. LED 共陰極七段顯示器可由下列那些 IC 來推動?(A)74138(B)7447(C)7448(D)4511。
複選題
169. 半加器的兩輸入端為 A 和 B,和的輸出為 S,進位輸出為 C,則下列敘述何者錯誤?
複選題
170. 下列敘述那些不是組合邏輯電路?(A)解碼電路(B)多工電路(C)計數電路(D)七段顯示器。
複選題
171. 有關共基極放大器的敘述,下列何者正確?(A)高輸入阻抗(B)高輸出阻抗(C)電壓增益小於 1(D)電流增益略小於 1。
複選題
172. 下圖電路所示,下列敘述那些為正確
(A)若 開路,則V
o
=V
cc
(B)若R
1
開路,則 V
o
=0V (C)若R
1
開路,則 V
o
=0V (D)若 Re 開路,則 V
o
=V
cc
。
複選題
173. 將示波器的垂直控制鈕置於 1 伏特/格,量測下圖所示電路,量得 兩端的訊號振幅為 5 格, 兩端的訊號 振幅為 4 格,下列敘述何者正確?
(A)I
c
=5mA(B)I
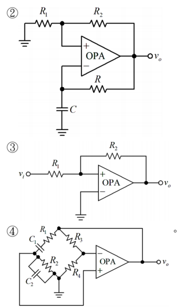
B
=0.4mA(C)β=100(D)β=125。
複選題
174. 有一交流電壓為 V(t)=100 sin100πt,下列敘述何者正確?(A)Vm=200√2 V(B)Vav=100V(C)Vrms=100V(D)f= 50Hz。
複選題
175. 有一半波整流電路,其輸出電壓平均值 Vav=100V,假設負載為電阻,下列敘述何者正確?(A)Vrms=157V (B)Vrms=100V(C)PIV=314V(D)PIV=628V。
複選題
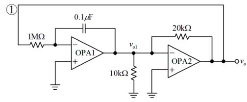
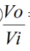
176. 下圖電路所示,OPA 為理想且 Vi=200mV,下列敘述何者正確?(A)
=﹣5(B)Zi=10KΩ(C)Zi= (D)Vo=﹣1 V。
複選題
177. 有關差動放大器之敘述,下列何者正確?(A)共模具斥比 CMRR=
,其中 Ad 為差模增益,Ac 為共模增益 (B)CMRR 值愈大,表示抵銷共模雜訊的能力愈強(C)電晶體差動放大器若兩電晶體 β 值相差愈大,則 CMRR 值愈大(D)Ad=10 ,Ac=0.1,CMRR 為 120dB。
複選題
178. 有關 RC 相移振盪器之敘述,下列何者錯誤?(A)至少需二節 RC 電路(B)振盪條件為 略大於 1(C)R、C 值愈 大,振盪頻率愈高(D)輸出為正弦波。
複選題
179. 有關電晶體的敘述,下列何者正確?(A)射極摻雜濃度最高(B)基極面積最大(C)基極寬度最低(D)集極與基極可對 調使用。
複選題
180. 有一正弦波電壓方程式為 ,下列何者正確?
複選題
181. 有關二極體電容效應,下列敘述何者錯誤?(A)過渡電容之值與二極體外加逆向偏壓大小有關(B)二極體外加逆 向偏壓增加,過渡電容之值亦增加(C)二極體順向電流增加,擴散電容之值亦增加(D)擴散電容之值與二極體順 向電流大小無關。
複選題
182. 二極體截波電路至少需要那兩個元件?(A)電阻(B)二極體(C)電晶體(D)電容。
複選題
183. 交流電源欲轉成直流電源,一般需經過那兩道步驟?(A)分流(B)箝位(C)濾波(D)整流。
複選題
184. 下列有關電晶體(BJT)之敘述,何者正確?(A)BJT 當開關使用時是工作於飽和區(saturation region)或截止 區(cutoff region)(B)BJT 在作用區(active region)的偏壓方式是 BE 接面順向偏壓、BC 接面逆向偏壓(C)BJT 在飽和區(saturation region)的偏壓方式是 BE 接面逆向偏壓,BC 接面逆向偏壓(D)BJT 為電流控制元件。
複選題
185. 已知電晶體之共基極(CB)電流增益 α 由 0.99 變為 0.98,若此電晶體基極電流 I =0.02mA,下列敘述何者 正確?(A)共射極(CE)電流增益 β 將會增加(B)射極電流由 2mA 降為 1mA(C)集極電流由 1.98mA 降為 0.98m A(D)若想維持原來的集極電流,可增加基極電流。
複選題
186. 有關外質半導體,下列敘述何者正確?(A)將三價雜質元素摻入本質半導體中,以形成 N 型半導體(B)外質半 導體本身之電性仍屬電中性(C)N 型半導體之多數載子為自由電子(D)P 型半導體之少數載子為電洞。
複選題
187. 下列何者電路在正常工作下,其輸出 Vo 波形必定為方波?
複選題
188. 工程上常以 dB(decibels)表示放大率,下列有關 dB 的觀念何者正確?(A)多級串聯放大器總放大 dB 值為每 一級放大 dB 值之乘積
(D)若放大倍數等於 1,則放大 dB 值為 1。
複選題
189. 下圖所示電路,以一運算放大器作為比較器,下列敘述何者正確?
(A)當v
i
=V
ref
,則
v
o
=0
(B)當v
i
>V
ref
,則
v
o
=+V
sat
(正飽和電壓)(C)當
v
i
<V
ref
,則
o
=V
sat
(負飽和電壓)(D)當
v
i
<V
ref
,則
v
o
=+V
sat
(正飽和電壓)。
複選題
190. 有關 FET 之共汲極(CD)放大器的特性,下列敘述何者錯誤?(A)低輸入阻抗(B)低輸出阻抗(C)又稱源極隨耦 器(D)具有電壓放大之特性。
複選題
191. 有關振盪器之敘述,下列何者正確?(A)正回授為振盪器必備的條件之一(B)RC 相移振盪器至少需使用二級 R C(C)當迴路增益 βA<<1 時電路不會振盪(β:回授電路增益,A:基本放大器增益)(D)韋恩電橋振盪器不 包含負回授電路。
複選題
192. 下列何者是變壓器耦合放大器的優點?(A)直流阻絕效果良好(B)功率轉移效率高(C)電路設計簡單,成本低廉(D) 電路增益高。
複選題
193. 有關石英晶體振盪器之敘述,下列何者正確?(A)是利用石英晶體本身之壓電效應(B)石英晶體的厚度越薄其自 然頻率越低(C)可分為串聯及並聯振盪器(D)其振盪頻率不穩定。
複選題
194. 有關運算放大器之敘述,下列何者正確?(A)理想運算放大器的特性隨溫度而變化(B)運算放大器的輸入端為一 高輸入阻抗的差動放大器(C)理想運算放大器的輸入與輸出端形同短路,故稱之為虛接地(D)理想運算放大器的 共模拒斥比無窮大。
複選題
195. 有關多諧振盪器之敘述,下列何者正確?(A)多諧振盪器內之電晶體一般皆在作用區內工作(B)無穩態、單穩態 及雙穩態電路皆屬多諧振盪器(C)不穩態電路又稱單擊電路(D)雙穩態電路須由控制信號觸發才會轉態。
複選題
196. 下圖電路所示,下列敘述何者錯誤?(A)Vc 波形為鋸齒波(B)電路為無穩態多諧振盪器(C)電路振盪頻率與R
1
.R
2
無關(D)Vo 波形為正弦波。
複選題
197. 有關比較器的敘述,下列何者錯誤?(A)電路有回授路徑(B)當輸入為正弦波時,輸出為方波(C)當輸入為三角波 時,輸出為正弦波(D)參考電壓為零的比較器稱為零位比較器。
複選題
198. 下圖電路所示,韋恩電橋振盪器產生振盪時,下列特性何者錯誤?
(A)輸出電壓振幅大小為 OPA 之正負飽和 值(B)振盪頻率約為 10KHz(C)電阻值
=1(D)此迴路增益為一實數,相位角為零。
複選題
199. 兩個十六進位的數 CD
(H)
+1E
(H)
,其和為(A)EB
(H)
(B)356
(8)
(C)235
(10)
(D)11111011
(2)
。
複選題
200. 下列布林表示式,何者錯誤?
申論題 (0)
相關試卷
114年 - 02900 視聽電子 乙級 工作項目 08:錄音機與音響 51-73(2025/10/16 更新)#132304
114年 · #132304
114年 - 02900 視聽電子 乙級 工作項目 08:錄音機與音響 1-50(2025/10/16 更新)#132303
114年 · #132303
114年 - 02900 視聽電子 乙級 工作項目 07:顯示器 1-32(2025/10/16 更新)#132302
114年 · #132302
114年 - 02900 視聽電子 乙級 工作項目 06:電視原理 51-104(2025/10/16 更新)#132301
114年 · #132301
114年 - 02900 視聽電子 乙級 工作項目 06:電視原理 1-50(2025/10/16 更新)#132300
114年 · #132300
114年 - 02900 視聽電子 乙級 工作項目 05:收音機 1-65(2025/10/16 更新)#132299
114年 · #132299
114年 - 02900 視聽電子 乙級 工作項目 04:電子學 251-274(2025/10/16 更新)#132298
114年 · #132298
114年 - 02900 視聽電子 乙級 工作項目 04:電子學 201-250(2025/10/16 更新)#132297
114年 · #132297
114年 - 02900 視聽電子 乙級 工作項目 04:電子學 151-200(2025/10/16 更新)#132296
114年 · #132296
114年 - 02900 視聽電子 乙級 工作項目 04:電子學 101-150(2025/10/16 更新)#132295
114年 · #132295