阿摩線上測驗
登入
首頁
>
自動控制學
> 105年 - 105年關務特考三等自動控制#50177
105年 - 105年關務特考三等自動控制#50177
科目:
自動控制學 |
年份:
105年 |
選擇題數:
0 |
申論題數:
4
試卷資訊
所屬科目:
自動控制學
選擇題 (0)
申論題 (4)
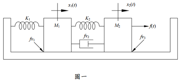
【已刪除】一、試以圖一之模型推導其運動微分方程式,並求出轉移函數 X
1
/F(s)。 (25 分)其中 M
1
=M
2
=1 kg,K
1
=K2=1 N/m,fv
2
=2 N-s/m,fv
1
= fv
3
=1 N-s/m
【已刪除】二、圖二為一閉迴路系統,其比例控制器為 K
p
,求在系統穩定時控制器的增益範圍? (20 分)
【已刪除】三、如圖二所示的閉迴路系統,若
當要求設計此系統的步階(step)位移誤差需要小於或是等於 5%時,求比例控制器 K
p
的範圍為何?(10 分)請畫出受控(controlled)系統的根軌跡(root loci)圖。 (20 分)
【已刪除】四、以漸近線(asymptote)的方式繪出下列轉移函數的波德圖(Bode plot)(25 分) 。
相關試卷
115年 - 115 關務特種考試_三等_機械工程(選試英文):自動控制#138983
115年 · #138983
114年 - 114 高等考試_二級_機械工程:自動控制學#131590
114年 · #131590
114年 - 114 關務特種考試_三等_機械工程(選試英文):自動控制#126653
114年 · #126653
113年 - 113-2 國營臺灣鐵路股份有限公司_從業人員甄試_第8階-助理工程師-電機:自動控制#137141
113年 · #137141
113年 - 113 高等考試_二級_機械工程:自動控制學#123065
113年 · #123065
113年 - 113 關務特種考試_三等_機械工程(選試英文):自動控制#119475
113年 · #119475
112年 - 112 地方政府特種考試_三等_機械工程:自動控制#118354
112年 · #118354
112年 - 112 高等考試_二級_機械工程:自動控制學#116760
112年 · #116760
112年 - 112 高等考試_三級_機械工程:自動控制#115741
112年 · #115741
112年 - 112 關務特種考試_三等_機械工程:自動控制#113920
112年 · #113920