阿摩線上測驗
登入
首頁
>
基本電學(概要)
> 105年 - 105 原住民族特種考試_四等_電子工程:基本電學#56581
105年 - 105 原住民族特種考試_四等_電子工程:基本電學#56581
科目:
基本電學(概要) |
年份:
105年 |
選擇題數:
0 |
申論題數:
7
試卷資訊
所屬科目:
基本電學(概要)
選擇題 (0)
申論題 (7)
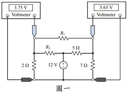
一、電路量測如圖一,請決定電路中 R
1
及 R
2
之電阻值。(20 分)
二、請應用重疊定理計算圖二電路中通過 40 Ω 電阻之電流 i
o
以及跨接下方 20 Ω 電阻之 端電壓 v
o
。(10 分)
【已刪除】三、試求圖三電路中,a, b 開路之戴維寧等效電壓 V
Th
與戴維寧等效電阻 R
Th
。(20 分)
【已刪除】四、圖四為一 2 pF 電容器之電路(a)及施加之電流源(b)。若電容器之初始電壓(t = 0) 為-1 mV,請求此電容器電路對應之電壓變化。(20 分)
⑴負載之總阻抗 Z
T
。(10 分)
⑵電感之電壓 V
L
。(10 分)
⑶並驗證克希荷夫電壓定律。(10 分)
相關試卷
115年 - 115 關務特種考試_四等_電機工程(選試英文):基本電學#138955
115年 · #138955
115年 - 115-1 臺北市立大安高工教師甄選試題_電子/控制科:基本電學#138451
115年 · #138451
114年 - 114 關務特種考試_四等_電機工程(選試英文):基本電學#126651
114年 · #126651
113年 - 113 關務特種考試_四等_電機工程(選試英文)、電機工程(選試日文):基本電學#119481
113年 · #119481
112年 - 112 地方政府特種考試_四等_電力工程、電子工程、電信工程:基本電學#118330
112年 · #118330
112年 - 112 普通考試_電力工程、電子工程、電信工程:基本電學#115756
112年 · #115756
112年 - 112 關務特種考試_四等_電機工程:基本電學#113949
112年 · #113949
111年 - 111 地方政府特種考試_四等_電力工程、電子工程、電信工程:基本電學#112594
111年 · #112594
111年 - 111 中華郵政股份有限公司_職階人員資產營運及工程類科甄試試題_專業職(一)/電力工程:基本電學#111525
111年 · #111525
111年 - 111 普通考試_電力工程、電子工程、電信工程:基本電學#109349
111年 · #109349