所屬科目:捷運◆初等土木工程學
1.如圖所示,將650 kg之力分解為二分力,求垂直斜面AB之分力大 小為何? (A)150kg (B)250 kg (C)500 kg (D)600 kg。
4.如圖所示,三同平面共點力之合力在水平方向,則合力之大小為多 少kg?。 (A)50 (B)100 (C)150 (D)200。
5.各力之方向與作用位置如圖所示。其中,R為P、Q、S三力之合力, 若R=40 kg,則Q力之大小為多少kg? (A)10 (B)20 (C)30 (D)條件不足,無法求得。
6.如圖所示,設G為半圓之形心,請問y=? r (A) (B) (C) (D)
7.如圖所示,C點為三角形之形心,求慣性矩Ix? (A) (B) (C) (D)
8.如圖所示,求三質點之質量中心,距離X軸多少cm? (A)2.1 (B)2.2 (C)2.3 (D)2.4。
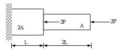
9.如圖所示,相同材質之兩桿件,彈性係數均為E,斷面積分別為2A 及A,長度分別為L及2L,受到兩個2P之壓力,求其作用後總縮短 量。(自重不計) (A) (B) (C) (D)
10.如圖所示,三塊鋼板以4根直徑2cm鉚釘接合,當P=3.14 tons時, 求鉚釘之剪應力爲多少kg/cm2?(設π =3.14) (A)125 (B)250 (C)500 (D)1000。
11.如圖所示,求外加荷重之等效力之大小? (A)90 kg (B)150 kg (C)210 kg (D)270 kg。
12.梁受力如圖,求B點反力為若干kg? (A)150 (B)160 (C)960 (D)970 。
15.桁架受力如圖,A桿件之内力為多少kg?(+為拉力;-為壓力) (A)-48 (B)-20 (C)+20 (D)+48。
16.求圖中三力偶之合力偶矩之大小為多少kg-m? (A)500 (B)700 (C)900 (D)1, 100 。
17.如圖所示,求繩索AC段之張力? (A)20 kg (B)40 kg (C)60 kg (D)80 kg。
18.如圖所示,彈性模數E,慣性矩I,長度L之懸臂梁,受均布載重 W=P/L與集+力用,表自由端之i直變位? (A) (B) (C) (D)
19.如圖所示,兩光滑斜面對100 kg重之圓桶之反作用力為Ra與RB,請 問Ra之反作用力為多少kg? (A)50 (B)75 (C)100 (D)125 。
20.物體與牆面之摩擦係數為2/3,若物體自重為12 kg,則至少需要施 加多少力量可凌故邊未滑落? (A)5 kg (B)10 kg (C)20 kg (D)30 kg。
21.混凝土之乾縮曲線如圖所示。圖中收縮回復之原因主要為 (A)混凝土受拉力(B)混凝土受更大壓力(C)混凝土重濕作用 (D)混凝土受力釋放後回縮。
22.下列三條粒料篩分析曲線,何者為跳躍級配? (A)A曲線(B)B曲線(C)C曲線(D)無法判斷。
29.如圖所示,三根鋼筋成一束,則搭接長度需增加 (A)10% (B)20% (C)30% (D)33%。
32.骨材粒徑與混凝土強度的關係曲線可能是下列何者? (A)A曲線(B)B曲線(C)C曲線(D)D曲線。
33.如圖所示,某一材料在邊長為10英对面上,受到600,000镑重之壓 力,請問該#料之壓應力約爲多少? (A)40 MPa (B)210 kgf/cm2 (C)6,000 ksi (D)2,000 ksi。
34.剪力模琴 G(Shear modulus),彈性模數 E(Modulus of elasticity)與柏松 tb " (Poisson’s ratio)之關係為 j可? (A) (B) (C) (D)
38.如圖所示。該水準儀之水準管靈敏度為30”/2mm,若氣泡朝物鏡偏 1格時,讀得50 m處之丨票尺讀數為1.707 m,請問正確之讀數處為何? (A)1.693 m (B)1.700 m (C) 1.707 m (D)1.714 m。
46.已知閉合導線之座標如表所示,求導線所包圍之面積(單位:mz) (A)40000 (B)30000 (C)20000 (D)10000。