所屬科目:捷運◆電子學概要
1. 下圖所示的理想運算放大器,屬於何種形式? (A)正規化輸入 (B)非正規化輸入 (C)反向輸入 (D)非反向輸入。
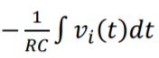
3. 下圖所示的電子電路,電壓 vo(t)為何? (A)(B)(C)(D) 。
4. 下圖所示二極體電路,每一個二極體導通電壓均為 0.7 伏特,電壓 Vo為多少伏特? (A)+15 (B)+14.3 (C)+13.6 (D)0。
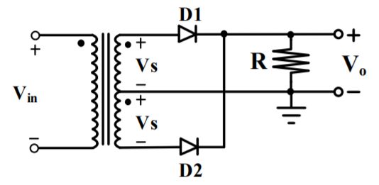
6. 下圖所示為一整流器電路,是屬於那一種形式? (A)全波整流器 (B)半波整流器 (C)倍壓整流器 (D)橋式整流器。
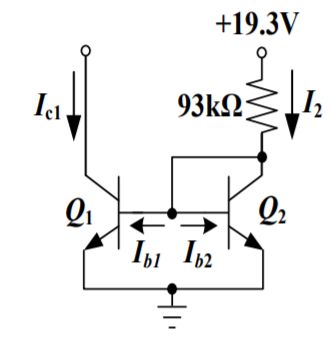
8. 下圖所示電路,電晶體 Q1與 Q2的直流電流放大倍數均為 β,電晶體 的 VBE(ON)=0.7V,其中 β >>2,電流 Ic1最近似的值為多少毫安培? (A)20 (B)2 (C)0.2 (D)以上皆非。
9. 下圖所示電路,Q1和 Q2完全相同,VBE(ON)=0.7V,電壓 VCC=15 V, β >>1。若電流 IC2=10 mA,電阻 R2=0 Ω,電阻 R1的值為多少歐姆? (A)14.3K (B)1.43K (C)143 (D)以上皆非。
11. 下圖所示電路,電晶體的,且, VDD=15V,RD=3KΩ,Vt=2.5V,此電晶體工作區間為何? (A)截止區 (B)三極管區 (C)飽和區 (D)以上皆非
15. 下圖所示為回授放大器,回授架構屬於何種型式? (A)串並 (B)並串 (C)串串 (D)並並。
18. 下圖所示的主動濾波器,屬於何種形式? (A)低通 (B)高通 (C)帶通 (D)帶拒。
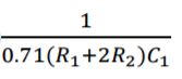
19. 接續第 18 題,其操作截止頻率為何? (A) (B) (C) (D) 。
20. 接續第 18 題,在截止頻率外之電壓增益改變為多少? (A)-40 (B)-20 (C)+20 (D)+40。
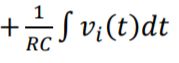
21.下圖所示的 555 無穩態方波產生器,輸出方波的高電位時間為何? (A) (B)(C) (D)以上皆非。
22.接續第 21 題,輸出方波的低電位時間為何? (A)(B) (C)(D)以上皆非。
23. 接續第 21 題,輸出方波的頻率為何? (A) (B) (C) (D)以上皆非。
24.下圖所示電路,考慮穩壓器動作流程,當輸出電壓 Vo突然上升,電 壓 V2瞬間變化為何? (A)上升 (B)下降 (C)不變 (D)以上皆非。
31. 下圖所示的數位電路,如果 C 為高準位,電晶體 Q1、Q2狀態為何? (A)Q1:on、Q2:off (B)Q1:off、Q2:on (C)Q1:off、Q2:off (D)Q1:on、Q2:on。
35. 接續第 31 題,Y 與輸入 A、B、C 的布林代數關係式為何? (A)(B)(C)(D)
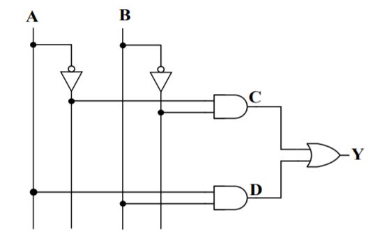
36. 下圖所示的數位邏輯,C 與輸入 A、B 的布林代數關係式為何? (A) (B)(C)(D)
37. 接續第 36 題,D 與輸入 A、B 的布林代數關係式為何? (A) (B)(C)(D)
38. 接續第 36 題,Y 與輸入 A、B 的布林代數關係式為何? (A) (B) (C) (D) 。
39. 下圖所示的 SR 閂之數位邏輯,當 S=0、R=0,下列何者正確? (A)Q 與均為 1 (B)Q 與均為 0 (C)Q 與均不改變 (D)以上皆非。
40. 接續第 39 題,當 S=0、R=1,下列何者正確? (A) (B) (C) (D)
41. 接續第 39 題,當 S=1、R=0,下列何者正確? (A) (B) (C) (D) Q= 0 、。
42. 接續第 39 題,當 S=1、R=1,下列何者正確? (A)Q 與均為 1 (B)Q 與均為 0 (C)Q 與均不改變 (D)以上皆非。
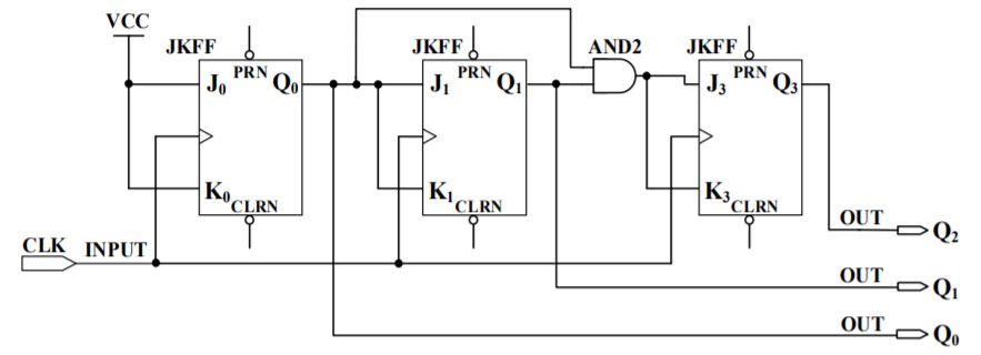
43. 下圖所示的計數器,JK 正反器操作模式為何? (A)不改變 (B)跳動(Toggle) (C)重置(Reset) (D)設定(Set)。
48. 下圖所示的全加器,A、B 為輸入端,Σ 為和,CIN 為進位輸入端, COUT為進位輸出端。Σ 與輸入 A、B、CIN的布林代數關係式為何? (A) (B) (C) (D)以上皆 非。
49接續第 48 題,COUT與輸入 A、B、CIN的布林代數關係式為何? (A) (B) (C) (D) 。