所屬科目:教甄◆電子科/資訊科/電機科/冷凍空調科/控制科/電機空調科
2、如圖 1 電路,試求 Vab 為多少伏特? Vab=(A)24 (B)48 (C)60 (D)72 伏特。
3、如圖 2 電路,則 a、b 兩端的諾頓等效電路的諾頓等效電流 IN=(A)2 (B)1.5 (C)4 (D)3 安培。
4、如圖 3 電路,若 RL=3Ω,則調整 Rx 大小使在 RL 上可得到最大功率,此 RL 上的最大功率為(A)40/17 (B)61/7 (C)12 (D)18 瓦。
5、如圖 4,線圈有 200 匝,當磁鐵由線圈內抽出時,造成線圈內的磁通在 0.3 秒內由 0.06wb 減小為 0wb,則線圈 兩端感應電勢 EAB=(A)80 (B)40 (C)-80 (D)-40 伏。
6 ( D )6、如圖5縲線管,線圈匝數300匝,鐵心磁路平均長度為1.5公尺,當線圈通入1A電流,若鐵心的導磁係數為0.008H/m, 鐵心截面積 10 ㎝ 2,則鐵心內的磁通密度 B=(A)0.8 (B)1.1 (C)1.4 (D)1.6 wb/m2。
9、如圖 6 的 RLC 並聯電路,已知電流 I1超前 IR 37°,I2=15A,R=10Ω,XL=40Ω,試求電流 Ic=(A)5 (B)10 (C)16 (D)20 A 。
10、某交流電路電源電壓 E=100+j60 V,線路電流 I=5+j1 A,則下列何者錯誤? (A)電路功因為落後功因 (B)為電感 性電路 (C)電路的視在功率約為 S=595VA (D)電路的虛功率為 400VAR。
11、如圖 7 電路,已知 Xc2(容抗值)為 Xc1 的 4 倍,則電阻 R 為多少 Ω? (A)125/26 (B)158/31 (C)96/27 (D)85/23。
12、如圖 8 電路,當電源頻率 f=1000Hz 時電路元件的阻抗值如圖所示,則將 f 調為多少時電路的電流將會達到最小 值? f=(A)5000 (B)1250 (C)200 (D)40 Hz。
13、如圖 9 電路,C1、C2 為相同的電容器。當 S1、S2 未閉合時電路功因為 0.5 落後,當把 S1 閉合後則電路功因變 為 0.707 落後,若再將 S2 閉合,則電路功因約為 (A)0.89 落後 (B)0.92 落後 (C)0.97 落後 (D)0.95 超前。
17、如圖 12 所示之電路包含三個串接的二極體及兩個串接電阻,若 VIN 為 10 V 且二極體的開啟電壓(turn-on voltage)為 0.8 V,求 VOUT?(A) 2.4V (B) 6.2V (C) 10V (D) 12.4V 。
23、如圖 13 所示之共射極放大器,其偏壓電路的主要優點為何? (A)所需偏壓電阻較小 (B) 可操作於較低的電壓 (C)放大器的增益較大 (D)電晶體必定操作在主動區 。
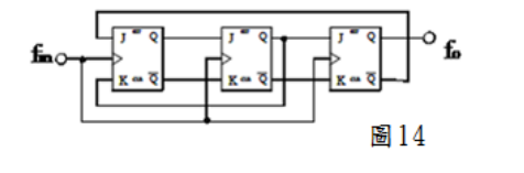
35、如圖 14 計數的模數 M = (A) 5 (B) 6 (C) 7 (D) 8。
1、如圖 15 電路,電流表頭Ⓐ的滿刻度為 10mA,內阻 RA= 1.8Ω,今欲設計一只可選擇量度範圍分別為為 100mA 及 1A 的 電流表,則電阻 R1=______Ω、R2=______Ω。 答:略。
2、如圖 16 的 RC 暫態電路,S 閉合電容充電,S 打開電容放電,且放電時間常數為充電時間常數的 2 倍,當電路到達穩態 時,Vc=0.6E,試求電阻 R1=_____Ω,R2=_____Ω、電路充電時間常數為____秒。 答:略。
3、如圖 17 所示電路,求輸出電壓 Vo之值為何?
4、如圖 18 所示電路,假設二極體為理想,則輸出直流位準(平均值)為何?
5、如圖 19 所示之計數器,其輸出 A、B 之狀態依序為何?(假設 A、B 初始狀態皆為 0)