所屬科目:教甄◆電子科/資訊科/電機科/冷凍空調科/控制科/電機空調科
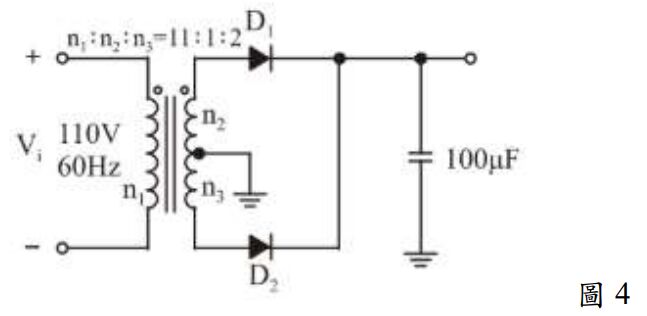
12. 如圖 4 所示之全波整流電路,輸入電壓有效值為 110 V,變壓器之匝數比 \(n_1 : n_2 : n_3 = 11 : 1 : 2\),則此時二極體 \(D_1\) 與 \(D_2\) 應選用的逆向峰值電壓至少應為多少?(A)\(D_1\) 與 \(D_2\) 均選用 \(20\sqrt{2}\) V(B)\(D_1\) 選用 10 V,\(D_2\) 選用 20 V(C)\(D_1\) 選用 \(10\sqrt{2}\) V,\(D_2\) 選用 \(20\sqrt{2}\) V(D)\(D_1\) 選用 \(30\sqrt{2}\) V,\(D_2\) 選用 \(40\sqrt{2}\) V
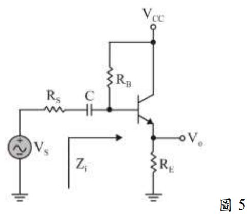
13. 如圖 5 所示電路,若 \(\beta = 99\)、\(r_\pi = 1 k\Omega\)、\(R_B = 100 k\Omega\)、\(R_E = 1 k\Omega\),則輸入阻抗 \(Z_i\) 約為多少歐姆?(A)10 kΩ(B)25 kΩ(C)50 kΩ(D)100 kΩ
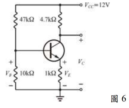
14. 如圖 6 所示電路,若 VB = 0V,VC = 12V,VE = 0V,則可能故障原因為何?(A)47kΩ 電阻開路(B)10kΩ 電阻開路(C)4.7kΩ 電阻開路(D)1kΩ 電阻開路
15. 某一放大器的中頻段電壓增益為 50,若其輸入信號的下限截止頻率為 1kHz,試求在 1kHz 時之電壓增益為(A)50(B)45(C)35.4(D)25
16. 有一增強型 PMOSFET,其臨界電壓(Threshold Voltage)為 –0.2V,若直流汲極電壓 VD= 2V,直流源極電壓 VS= 5V,直流閘極電壓 VG= 1.2V,則該 PMOSFET 處於何種工作區?(A)線性區(B)飽和區(C)截止區(D)逆向工作區
17. 大雄在網路上購買了一套 DIY 電子材料包,而賣家附了一張 N 通道 MOSFET 電晶體的 VDS-ID 特性曲線如圖 7 所示。若大雄想要控制 ID= 0.5 mA,試問直流偏壓 VGS 應約為多少?(A)2V(B)3V(C)4.3V(D)5V
(1) 電路的品質因數?(5 分)
(2) 平均功率?(5 分)
(1) \(I_1\)?(3 分)
(2) \(I_3\)?(3 分)
(3) 2A 電流源消耗功率?(4 分)
(1) 轉移電導 \(g_{m1}\)、\(g_{m2}\)?(5 分)
(2) 試求電壓增益 \(A_v = \frac{V_o}{V_i}\) 為多少?(5 分)
4. 請設計用一個 OPA 和若干個電阻畫出一個加法器電路,使 \(V_0 = V_1 + V_2 + V_3\)。(10 分)