題組內容
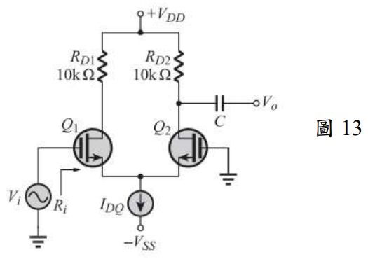
3. 如圖 13 所示 MOSFET 串級放大電路,若 \(Q_1=Q_2\),\(I_{DQ}=6 mA\),\(k=3\frac{mA}{V^2}\),試求
(2) 試求電壓增益 \(A_v = \frac{V_o}{V_i}\) 為多少?(5 分)
3. 如圖 13 所示 MOSFET 串級放大電路,若 \(Q_1=Q_2\),\(I_{DQ}=6 mA\),\(k=3\frac{mA}{V^2}\),試求
(2) 試求電壓增益 \(A_v = \frac{V_o}{V_i}\) 為多少?(5 分)