阿摩線上測驗
登入
首頁
>
教甄◆電子科/資訊科/電機科/冷凍空調科/控制科/電機空調科
>
115年 - 115 臺北市立內湖高級工業職業學校_正式教師甄選試題:電子科、資訊科(基本電學、電子學 )#139230
> 申論題
題組內容
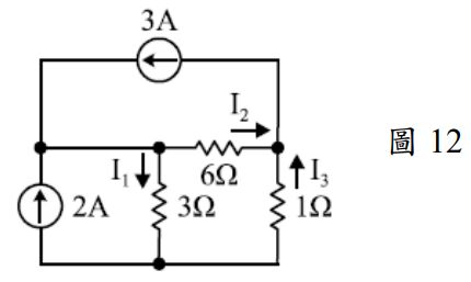
2. 如圖 12 所示,試求
(3) 2A 電流源消耗功率?(4 分)
私人筆記 (共 1 筆)
黃良友
私人筆記 #8029133
2026/04/29
上圖電壓源轉電流源 I3=(18-6)...
(共 145 字,隱藏中)
前往觀看
相關申論題
(1) 轉移電導 \(g_{m1}\)、\(g_{m2}\)?(5 分)
#571477
(2) 試求電壓增益 \(A_v = \frac{V_o}{V_i}\) 為多少?(5 分)
#571478
4. 請設計用一個 OPA 和若干個電阻畫出一個加法器電路,使 \(V_0 = V_1 + V_2 + V_3\)。(10 分)
#571479
1. 甲、乙、丙三個元素在週期表的位置相接鄰且均位於前三週期,已知: (1)其中有一個元素與另一個元素同週期,同時又與第三個元素同族; (2)此三個元素的原子序為甲小於乙,乙小於丙; (3)此三個元素的原子序總和為此三個元素的價電子總數之2倍加1。 依照以上提示,此三個元素之第一游離能(IE₁) 由大至小 依序為________。(請以元素符號作答)
#571480
2. 在波耳氫原子模型中,運用古典物理中的庫侖靜電力與圓周運動的概念,推導出電子軌道半徑與能量和主量子數n的關係,此模型引入原子序Z後,亦可延伸至類氫原子。請問:\( \text{Li}^{2+}\text{(g)} \) 的電子由 n=2 躍遷至 n=1 所放出之光子的能量,為 H(g) 的電子由 n=3 躍遷至 n=1 所放出光子能量的________倍。
#571481
3. 透過主量子數n、角量子數l、磁量子數ml與自旋量子數ms,我們可以精確定義電子在能階與軌域中的分布。若書寫時ml、ms均以正號為先,請根據量子數的定義與電子填充原則,回答下列問題: (1) Co原子最後1個電子的量子數(n,l,ml,ms)應為________。
#571482
4. 實驗桌上放置8支塑膠滴管,編號依序為A~H。每支塑膠管均內含濃度約為0.10 M的1種未知溶液。已知未知溶液如下所列(未依序): 鹽酸、氯化鋇、硝酸銀、碳酸鈉、硫酸、碘化鉀、酚酞指示劑、氫氧化鈉 實驗結果如下: (1). D分別與E和F反應後,溶液均會呈現紅色;若將G不斷滴入該紅色溶液中,紅色會褪去。 (2). B與F反應後會產生氣泡;B與H反應後會產生白色沉澱。 (3). A分別與C、E、H反應後均會產生沉澱,顏色分別為黃色、黑褐色與白色。 由上述實驗結果,可判定E、H兩塑膠吸管內的未知溶液分別為________與________。
#571483
5. 三個形狀相同之容器以半透膜部分相通(水分子能通過而溶質則否)。今在容器a內加入2.0升0.10 M BaCl₂水溶液,容器b內加入1.0升0.20 M NaCl水溶液,容器c內加入1.1升0.30 M葡萄糖水溶液。剛加入時各容器之液面高低如附圖。若忽略液面高度差異所產生的壓力,當達平衡時,三溶液的體積莫耳濃度比(a:b:c)為________。
#571484
6. 已知銅與濃硝酸反應可生成NO₂,與濃度小於0.5 M的稀硝酸反應則生成NO,但若硝酸濃度介於其中,除銅會氧化成硝酸銅以外,硝酸則會還原並同時生成NO₂與NO的混合氣體。已知定溫下,某生將Cu與某濃度的HNO₃作用,同時產生了NO₂與NO,且兩者莫耳數比為3:1。若以1莫耳的Cu反應,則總共消耗掉________莫耳的HNO₃。
#571485
7. 請畫出(R)-2-丁醇的Fischer structure(費雪投影式)。
#571486
相關試卷
115年 - 115 高雄市立高雄高級中學_正式教師甄選試題︰資訊科#140133
115年 · #140133
115年 - 115 高雄市市立高級中等學校聯合教師甄選試題:電機空調科#140127
115年 · #140127
115年 - 115 高雄市立高雄高級中學_正式教師甄選試題︰電機科#140126
115年 · #140126
115年 - 115 教育部受託辦理公立高級中等學校教師甄選試題:電子科#139845
115年 · #139845
115年 - 115 教育部受託辦理公立高級中等學校教師甄選試題:資訊科/電子科#139620
115年 · #139620
115年 - [無官方正解]115-2 臺北市立大安高級工業職業學校_教師甄選試題_電子、控制科:基本電學#139535
115年 · #139535
115年 - 115-2 臺北市立大安高級工業職業學校_教師甄選筆試試題:電子、控制科-基本電學#139346
115年 · #139346
115年 - 115 臺北市立內湖高級工業職業學校_正式教師甄選試題:電子科、資訊科(基本電學、電子學 )#139230
115年 · #139230
115年 - 115 新北市公立高級中等學校_教師聯合甄選試題:電子科/資訊科#139205
115年 · #139205
115年 - 115 新北市公立高級中等學校_教師聯合甄選試題:資料處理科#139204
115年 · #139204