所屬科目:教甄◆電子科/資訊科/電機科/冷凍空調科/控制科/電機空調科
2. 如下圖所示之電路,週期T = 6秒,於此週期內,電流之有效值為 (A) (B) (C) (D)
3. 如下圖所示之電路,電容初始電壓VC(0)=0V,於t=0時將SW撥至1的位置,經過4ms後將SW 改撥至2的位置,再經過4ms後電容兩端電壓VC為 (A)-12-12e-3 (B)12e-1-12e-3 (C)-12+24e-1-12e-3 (D) -12+12e-1-12e-3。
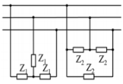
5 兩組平衡三相負載接成如下圖所示之電路,平衡Y接負載之各個單相阻抗Z1 = 3+j4 Ω,平衡 Δ接負載各個單相阻抗Z2 = 9-j12 Ω,則此兩組負載等效成一組三相Y接負載各單相阻抗值為 何? (A) (B) (C) (D) 5 Ω 。
6. 如下圖所示之電路,求Vo電壓為何? (A) 113 (B) 133 (C) 153 (D) 173 V。
8. 電阻值為r之導線6根,連成角錐體,求任意二點間等效電阻為 (A) (B) (C) r (D) 2r Ω。
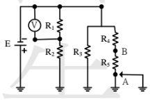
9. 如下圖所示之電路,當箭頭由A移至B,則電壓表讀值 (A)增大 (B)減小 (C)不變 (D) 0。
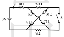
10. 如下圖所示之電路,S接通前後,I保持定值(不變),則RX為 (A)1Ω (B)3Ω (C)5Ω (D) 8Ω。
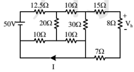
11. 如下圖所示之電路,求I及Vh為多少? (A)2A、4V (B)1.5A、4V (C)1.5A、2V (D) 2A、 2V。
12. 如下圖所示之電路,設 、R=60Ω,在角頻率為ω時XC 為 90Ω,XL為 10Ω,求i的有效值? (A) (B) (C) (D) 。
13. 如下圖所示之電路,若此電路發生諧振時,XC之值為 (A)3 (B)3.8 (C)4.6 (D)7 Ω。
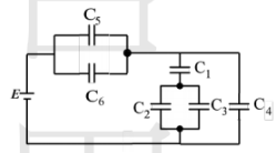
14. 如下圖所示之電路,C1=24µF,C2=7µF,C3=5µF,C4=4µF,C5=2µF,C6=6µF且帶電量 600µC, 則 E=? (A)166.67 (B)571.64 (C)150 (D)468.42 V。
19. 某△接平衡負載,線電流為A,平均功率為 3960 瓦,功率因素為 0.6 滯後,則每相 負載阻抗為 (A)13.2-j17.6 (B)22.44-j29.92 (C)29.92+j22.44 (D)13.2+j17.6 Ω。
20. 如下圖所示之電路,,則電流表A1測量到電流應為何?
(A) (B) (C) (D)
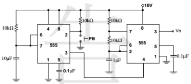
21. 如下圖所示之電路,若當按鈕開關PB按一下後放開,則Vo可輸出幾個週期完整的脈波? (A)2 (B)4 (C) 5 (D)12。
23. 如下圖所示之電路,MOSFET 之臨界電壓(thresholdvoltage)Vt = 1 V,參數K=0.4 mA / V2 , 不考慮汲極輸出電阻,則Vo / Vi約為 (A)-12.5 (B)-9.9 (C)-8.3 (D)-6.4 。
24. 如下圖所示之電路,Q1、Q2的導通VBE偏壓與飽和VCE(sat)分別為 0.7V與 0.2V,此電路的磁 滯上限電壓VU為若干? (A)2.5 (B)3 (C)3.5 (D)4.66 V。
25. 如下圖所示之電路,工作於何區? (A)歐姆區 (B)飽和區(夾止區) (C)崩潰區 (D)截止區 。
31. 如下圖所示之電路,若Vi= 1V ~ 3 V、OPA的Vsat為 15V,則V1 =? (A) – 2 V ~ – 6 V (B) 2 V ~ 6 V (C) 3 V ~ 5 V (D) 3 V ~ 9 V 。
32. 如下圖所示之MOSFET電路,其中|Vt|=1 V、μnCox=20 μA/V2 、μpCox=10 μA/ V2 ,若 V1=6V、V2 =2V,則(W/L)M1:(W/L)M2:(W/L)M3為何?(忽略通道長度調變效應) (A)2:1:9 (B)1:1:9 (C)2:1:4 (D)1:1:2 。
34. 某橋式整流電路負載電阻為 10KΩ,電源 ,欲使整流後漣波電壓峰對 峰值限制在 2V 內,則濾波電容值至少須為 (A)22 (B) 42 (C)56 (D)100 μF 。
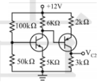
36. 如下圖所示之電路,兩電晶體之 β = 100,則VC2=? (A)4.5 (B)5.7 (C)6.8 (D)3.6 V。
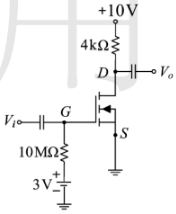
37. 如下圖所示之電路,電壓 Vi 為 110V,頻率為 120Hz,且負載電阻 R 為 100KΩ,電容 C 為 0.1µF,則其漣波因素為 (A)0.012 (B)0.12 (C)0.024 (D)0.024 。
38. 如下圖所示之電路,輸出訊號Vo的負半週截波失真,則下列調整方式較適合解決? (A)將RB電阻值變小 (B)將RC電阻值變大 (C)將RC電阻值變小 (D)將RB電阻值變大 。
1. 一正方立體電阻網路如下圖所示,若每邊電阻皆為 12Ω,則 RBC= ______ 。
2. 如下圖所示之電路,求 3I1-2I2-I3= ______ 。(2 分)
8. 如下圖所示之電路,磁場之磁通密度B=0.5 韋伯/平方公尺,運動導體之長度為 =40 公分,電 阻R消耗功率為 1.6 瓦特,其速度=______ (公尺/秒)。
10. 如下圖所示之電路,圖(a)、圖(b)互為等效電路,則R1= ______ 。
11. 如下圖所示之電路,A、B兩端外接一負載,則此負載的最大轉換功率=______ 。
12. 如下圖所示之電路,電路處於平衡時,R2= 100Ω,R3 = 200Ω,LX=2mH,RX=20Ω,則 R1= ______。
13. 如下圖所示之電路,OPA為理想,試求Zin= ______
14. 回授放大電路中,若己知 ,則振盪頻率= ______ 。
15. 如下圖所示之電路,求______
16. 如下圖所示之電路,兩電晶體之rx=1KΩ , β = 99,則Ri= ______ 。
17. 如下圖所示之電路,在小訊號中頻電壓增益______ 。
18. 如下圖所示之電路,欲使Vo工作週期為 80%,則R1:R2比值= ______ 。
1. 如下圖所示之電路,二極體為理想二極體,試繪出Vo-Vi轉換曲線?
2. 如下圖所示之電路,圖(a)L1=10H,流入線圈電流如下圖(b),請繪出eAB隨時間變化波形?
3. 如下圖所示之電路,圖(a)為一波形整形電路,輸入波形如圖(b),請繪出輸出Vo對地波形?
1. 如下圖所示之電路,為無穩態多諧振盪電路,試推導證明出振盪週期T=0.693(R1C1+R2C2)之結 果。(請詳列證明過程)
2. 如下圖所示之電路,試證明此電路的振盪條件為 ≥ 2 。(請詳列證明過程)
3. 以三伏特表測負載之電功率,其接線如下圖所示之電路,試證明其單相負載功率。【註】V1>V2 及 V3 (請詳列證明過程)