所屬科目:船用電機與自動控制(概要)
7. 若有一互斥-或閘之輸入為X及Y,今分別輸入時序脈波如下圖,則當t=2及t=3時,輸出分別 (A) t=2時輸出為0;t=3時輸出為0 (B) t=2時輸出為1;t=3時輸出為0 (C) t=2時輸出為0;t=3時輸出為1 (D) t=2時輸出為1;t=3時輸出為1
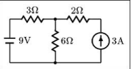
8. 如圖所示,流經6Ω電阻之電流值為何? (A) 1A (B) 1.5A (C) 2A (D) 2.5A
9. 如圖所示,Vab=24伏特,則線路總電流為多少? (A) 0.5安培 (B) 1.0安培 (C) 1.5安培 (D) 2.0安培
11. 如圖所示電路,S於1位置達穩態後,S由1撥至2,則電流I之值變化為何?
(A) 0 A (B) (C) (D) 5 A
13. 某電阻器之電阻值標示為20GΩ,若將之換算成mΩ,則應為多少?
(A) (B) (C) (D)
15. 下列放大電路,何者為『共射放大電路』? (A) A (B) B (C) C (D) D
22. 如圖所示,電阻 的阻值應該為多少? (A) 1Ω (B) 2Ω (C) 4Ω (D) 8Ω
29. 在純電容交流電路中電壓為V,電流為I,V與I之相角為φ,則無效功率(Qc)的計算公式 是: (A) Qc=VI (B) Qc=VI cosφ (C) (D)
30. 對電阻-電感-電容串聯之電路,若電阻之大小為R,電感抗之大小為 及電容抗之大小 為 ,則其總阻抗之大小Z為:
35. 下圖所示之電路為何?(Vin為輸入,Vout為輸出) (A) 共基極(Common baser)電路 (B) 共射極(Common emitter)電路 (C) 共集極(Common collector)電路 (D) 電壓隨耦器(Voltage follower)