所屬科目:教甄◆電子科/資訊科/電機科/冷凍空調科/控制科/電機空調科
7. 如下圖所示電路,已知 E1 = 80V 、R1 = 80Ω 、E2 = 20V 、R2 = 40Ω 、I3 = 5A 、R3 = 16Ω 、 I4 = 4.5 A、 R4 = 10Ω ,求VX 電壓 (A)40V (B)50V (C)60V (D)100V 。
8. 如下圖所示電路,求a-b端點之開路電壓? (A)10V (B)20V (C)30V (D)40V。
9. R1與 R2 之兩電阻器,分別接成串聯及並聯電路,假設外加相同電壓源,則其所消耗 之功率比為: (A) (B) (C) (D) 。
11. 如下圖所示之接線是以伏特計與安培計測量負載直流電功率,為防止儀表之負載效 應,減少誤差,下列敘述何者正確? (A)為量測低電阻負載之電功率時,所採用之接線 (B)為量測高電阻負載之電功率 時,所採用之接線 (C)與負載電阻高低無關 (D)不論量測負載電阻大小之電功率 時,均可採用之接線。
13. 如下圖所示,Lab為 (A)24H (B)18H (C)20H (D)12H。
16. 如下圖所示,有一含有直流成份之交流電源,連接至1Ω電阻器,下列何者正確: (A)頻率: f Hz = 200 (B)瞬時表示式: (C)電壓有效 值: (D)電阻器消耗功率:。
17. 下列何者錯誤? (A)在室溫下,二極體之ID =1mA 且 ,其動態電阻約為 700Ω (B)一般的橋式整流器(bridge rectifier)中,共需要使用到四個二極體 (C)一電 壓無載輸出電壓為12V,滿載時降為10V,則電壓調整率=20% (D)一橋式整流器 之輸出電壓的均方根值為100V,其中每個二極體所承受之逆向峰值電壓約為141.4V。
18. 如下圖所示電路,元件均為理想,若輸入為一對稱三角波,峰對峰值20V ,則二極體 截止時間與輸入訊號週期之比例為 (A) (B) (C) (D)。
19. 如下圖所示電路, , 下列何者正確: (A) (B)(C) (D) 。
20. 如下圖所示電路, , 下列何者正確: (A) (B) (C) (D)。
21. 如下圖所示,為何種電晶體? (A)PMOS 場效電晶體 (B)NMOS 場效電晶體 (C)NPN 雙極性接面電晶體(BJT) (D)PNP 雙極性接面電晶體(BJT) 。
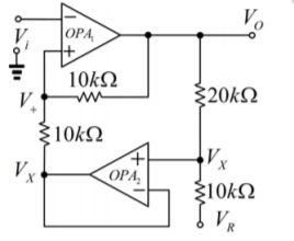
22. 如下圖所示電路,電源為 ,OPA為理想,則VO =? (A)10V (B)8V (C)6V (D)5V 。
23. 如下圖所示電路,若R1=R2=R,C1=C2=C,且R3≧2R4,則其振盪頻率 of 為 (A) (B)(C)(D)。
24. 如下圖所示為 555 應用電路,電路中編號3、4與5,分別為 555 接腳編號 3、6 與 2, 若電路可正常工作,且 ,則電容器 C 之 最大電壓VC(max) 為 ? (A)5V (B)10V (C)12V (D)15V 。
26. 如下圖所示之電路,電容器的作用為何? (A)消除反電勢,保護電晶體 (B)保護二 極體 (C)保護繼電器 (D)縮短電晶體的開啟時間及關閉時間。
27. 如下圖所示之 Av、Ri、Ro分別代表各級放大器之電壓增益、輸入及輸出阻抗,試問 整個電路的電壓增益 Vo/Vin約為 (A)98 (B)128 (C)112 (D)120。
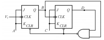
31. 如下圖所示為一個非同步的計數電路,若輸入訊號Vi為頻率 6kHz,振幅為 0 到 5V方 波,使得A=C=5V,則B點與D點的頻率各為多少? (A)B =2kHz,D=2kHz (B)B=3kHz,D=1kHz (C)B=6kHz,D=6kHz (D)B=4kHz,D=4kHz。
32. 以正邏輯分析下圖邏輯電路,若輸入端 A 恆為 0,則該邏輯電路相當於哪一個邏輯閘? (A)XOR (B)OR (C)NAND (D)XNOR。
33. 如下波形所對應之正確邏輯為何? (A) (B)(C) (D) 。
34. 若 ,則底數 X =? (A)2 (B)4 (C)8 (D)10。
35. 74HC系列的典型電壓轉換特性值為: ,則當兩個相同的反相器串接時,其 NML 與 NMH 分別為多少? (A) 0.55、 3.5 (B) 0.55、2.95 (C) 0.8、0.55 (D)0.55、0.8 。
36. 如下圖所示的脈波,其工作週期(duty cycle)為多少? (A)20% (B)40% (C)50% (D)66.7%。
39. 如下圖所示控制電路若用布林代數式表示,則可寫成 (A)F=(AB+CD)+E (B)F=(A+B)(C+D)E (C)F=(AB+CD)E (D)F=(A+B)(C+D)+E。
1. 如下圖所示電路,點與點間之線段均為RΩ,求 ? Rad = ______ (2分)
2. 如下圖所示兩點電荷Q1、Q2相距30公尺,電荷比 ,若兩電荷連線中有一點P電場 強度為0,則 P 點與Q2之距離為______ 公尺。(2分)
3. 如下圖所示電路,V L = 220V ,求電源提供之功率為 _______W 。(2 分)
4. 如下圖所示電路,其中電晶體參數:α 、β 、 re 、rπ 、 g m 。求電路之電壓增益 ,以 下應填入之參數為:若,則 X =___________ 。(2分)
5. 如下【圖一】~【圖四】所示電路,電路名稱為:(4 分) 【圖一】________________。 【圖二】________________。 【圖三】_________________。 【圖四】 ___________________。
6. 請協助將下列布林代數式化為最簡積項之和(SOP)式= __________。(2 分)
1. 如下圖所示電路為一個無限延伸網目,設每支路電阻均為 R,則任意兩相鄰節點間之等效電 阻為何? (2分)
2. 如下圖所示電路,,求電 壓 (1)V1、 (2)V4。 (4分)
3. 如下圖所示電路,試推導: (4分) (1)串聯諧振頻率 ⋅ (2)並聯諧振頻率
5. 如下圖所示電路,若 ,求 (1) Ri3 、 (2) (4分)
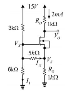
6. 如下圖所示電路,求(1) I X、(2)VX (4分)
7. 如下圖所示電路,OPA之飽和電壓為±15V 且 ,則此電路之(1)上臨界觸發電壓VTH ,(2)遲滯電壓VH = ?