所屬科目:教甄◆電子科/資訊科/電機科/冷凍空調科/控制科/電機空調科
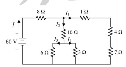
2. 如下圖所示電路,求I:I1:I4為多少? (A) 6:2:1 (B) 8:3:2 (C) 8:3:1(D)6: 3:2。
3. 如下圖所示為某一電感中的電流,如果由0~3ms時之電壓為80V,則電感值為多少?(A)2(B) 4 (C) 6 (D) 8 H。
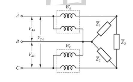
4. 如下圖中所示為兩瓦特表法測量平衡三相負載功率,設所接正相序平衡三相電源 VAB=200∠0°V,三相負載則兩瓦特表WA及WC之讀值各為多 少? (A)0W、6000W (B)3000W、3000W (C)6000W、0W (D)200W、4000W。
6. 有兩線圈 N1 = 50匝、N2=100匝,透過一鐵心達到磁耦合的目的。當N1 通以2A電流 時,產生磁通 韋伯,磁交鏈 韋伯,求兩線圈之互感量為多少 ?(A) 0.2 (B) 0.4 (C) 0.8 (D) 1 H。
7. 如下圖所示電路,內含有一相依電壓源(15Ia),試求流過5Ω的電流值? (A)12 (B)7.5 (C)3.6 (D)2.4 A。
8. 如下圖所示電路,當電源電流最大時,XC之值應為(A)3.8(B)4.5(C)6.3(D)10.2Ω
9. 如下圖立方體電路,若各支路電阻皆為12Ω,計算Rab之值? (A)5 (B)7 (C)9 (D)10 Ω。
10. 有阻抗為15∠30°Ω之三個阻抗作Δ連接,跨接於三相電源,若阻抗改為Y連接,接於 原來相同電源,而其所耗之功率仍相等,則Y接每相阻抗須為 (A)45∠30°(B)30∠30°(C) 15∠30° (D) 5∠30
16. 如下圖電路,VGS=6V,VDS=8V,ID=1.6mA,VT=2V,試求電壓增益Av=Vo/Vi為 多少? (A) -2 (B) -4 (C) -8 (D) -10 。
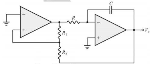
18. 如下圖所示電路,OPA為理想,測得其輸出頻率為f,若想要改變電路元件大小使其 輸出頻率變為原來的4倍(即=4f),則下列選項何者正確? (A) R減半、R1減半 (B) R1增為2倍、R2增為2倍 (C) C減半、R2減半 (D) R增為2倍、C減為四分之一。
22. 如下圖所示電路,若,且二極體為理想二極體,其轉換曲線為何?(A)(B)(C)(D)
23. 如下圖所示電路,若β= 99,且基射極切入電壓為0.6V,求電壓增益 約為多少? (A)0.99 (B)99 (C)178 (D)356。
24. 如下圖所示之差動放大器,假設電晶體之β= 100,,若電路為雙端輸入、 單端輸出時,求共模拒斥比(CMRR)約為多少? (A)250 (B)500 (C)750 (D)1000。
35. 下圖為某一發電機之換向曲線圖,若其線圈的自感為 10mH,則下列敘述何者錯誤? (A)10ms時該機進行換向 (B)換向初期的時間比換向後的時間短 (C)時段區間 0-4ms的電流方向與時間區段18ms-20ms的電流方向相反 (D)該線圈產生8V的電抗 電壓。
37. 如下圖所示,將S閉合瞬間檢流計的指針正偏轉,若將該變壓器接線成如圖(b)所示, 且原變壓器的匝數比為110V/25V,額定容量為10KVA,則改後的輸出容量為多少伏 安? (A)10KVA (B)27KVA (C)34KVA (D)54KVA
1、如下圖所示電路,每一個電阻皆為RΩ,則RAB= _______R 。(2分)
2、如下圖所示電路,Rth= (1)_______ Ω,V
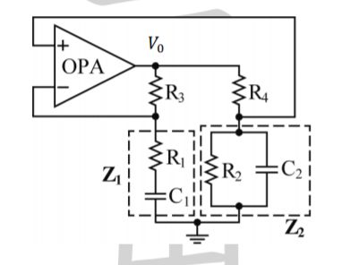
4、如下圖所示電路,R1=4R,R2=R,C1=2C,C2=2C,則Vo之輸出頻率為 (1)_____ ,電路的回授量β為 (2) _________
5、如下圖所示電路,vi(t)=10sinωt,則Vo1(dc)= (1)__________ V,Vo2(dc)= (2) _________V。(4分)
6、如下圖所示電路為一振盪器,已知C = 0.01μF,L = 4μH,R3 = 5kΩ,R4 = 100kΩ,則振盪頻率ωo 為 ________Mrad/s 。(2分)
7、如下圖所示三相不接地供電系統,以3個單相220/110V比壓器接至R、S、T三個規格為110V之指 示燈,在線路正常時,R、S、T三燈接受 (1) ______伏特電壓,因此呈現半亮狀態,若當 R相發生接地故障時,則燈號亮滅狀態為:R燈 (2) ______ ,S燈 (3) ______ ,T燈 (4) ______ ,電壓Vab= (5)____V,Vbc= (6)_____ V,Vcd= (7)_______ V。(每格1分,共7分)
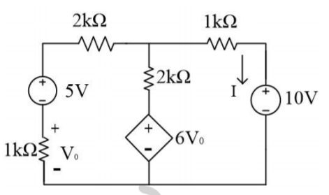
2、使用節點電壓法求出下圖電路中的I。(3分)
3、下圖使用迴路電流法求出電路中7安培電流源所供給之功率為何?
6、容量為200MW之A、B兩部同步發電機,若轉速-負載特性曲線為下垂的直線關係,其相關特性 如下表所示,試求在系統頻率為59Hz時的負載容量為何?(3分)