所屬科目:鐵路◆基本電學(概要)
6. 如【圖1】電路,試求等效電阻為多少? (A) 1Ω (B) 2Ω (C) 3Ω (D) 4Ω
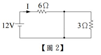
8. 如【圖2】電路,試求電流I為多少? (A) 4/3A (B) 2A (C) 4A (D) 6A
13. 將電感抗之電感與電阻值R=10Ω之電阻,若兩者並聯,其等效阻抗為何? (A) 5∠45°Ω (B)∠45°Ω (C) 5∠-45°Ω (D)∠-45°Ω
15. 在Y形三相平衡電路中,線電流的大小是相電流大小的幾倍? (A) 1倍 (B) 2倍 (C) 倍 (D)倍
17. 如【圖3】所示,每一個電容器之電容量為6μF,耐壓為100V,則a、b兩端等效電容量 及耐壓各為多少? (A) 4 μF,100V (B) 7 μF,200V (C) 4 μF,200V (D) 9 μF,100V
24. 如【圖4】所示之三電容器C1,C2,C3連接,則其總電容量為 (A) 2μF (B) 3μF (C) 13/3 μF (D) 6 μF
26. 如【圖5】所示電路,R為可變電阻,當電源傳送至電阻R的功率為最大時,此電阻通過的電流為 (A) 4A (B) 3A (C) 2A (D) 1A
28. 如【圖6】所示電路中,若IR及IL安培計之指數均為10A,則安培計I之指數為多少? (A) 0A (B) 10A (C) A (D) 20A
30. 有一交流電壓,其電壓方程式為 e(t)=110 sin(377t+ 30° ),則此電壓波形的頻率 為多少? (A) 50Hz (B) 60Hz (C) 100Hz (D) 377Hz
39. 有效值為10V之正弦波電壓,其峰對峰值為 (A) 10V (B) 20 V (C)10V (D)20V
40. 將導線拉長為原來的n倍,則電阻變為原來的多少倍? (A) n (B) n 2 (C) (D)
49. 如【圖7】電路所示,將其接至三相200V,求負載之總消耗功率為多少? (A)12 kW (B) 16 kW (C) 10 kW (D) 8 kW