所屬科目:技檢◆工業配線
1.直流分激式發電機之電壓能夠建立,必須 (A)速率大於臨界速率,場電阻小於臨界場電阻 (B)速率等於臨界速率, 場電阻小於臨界場電阻 (C)速率小於臨界速率,場電阻大於臨界場電阻 (D)速率大於臨界速率,場電阻大於臨界場電阻。
2.下列直流發電機,在正常轉速下,何者在無載時無法建立感應電勢? (A)分激式 (B)串激式 (C)他(外)激式 (D)複激式。
3.三相繞線式感應電動機起動時,轉子繞組串接額外的電阻,其目的為何(A)提高起動電流及降低起動的輸入頻率(B)提高起動電流及降低起動轉矩 (C)提高起動轉矩及提高起動電流 (D)提高起動轉矩及降低起動電流。
4.有關單相變壓器之開路試驗,下列敘述何者正確? (A)高壓側繞組開路,低壓側繞組之電流為額定電流,以量測其電壓及功 率 (B)高壓側繞組開路,低壓側繞組之電壓為額定電壓,以量測其電流 及功率 (C)高壓側繞組短路,低壓側繞組之電壓為額定電壓,以量測其 電流及功率 (D)高壓側繞組短路,低壓側繞組之電流為額定電流,以量 告 試 測其電壓及功率。
5.下列有關三相鼠籠式感應電動機轉子電流之敘述,何者正確? (A)經過電刷由電源電壓引入 (B)經過滑環由電源電壓引入 (C)經由感 應而產生 (D)經過電刷與換向器由電源電壓引入。
6.如圖1所示,變壓器的基本組態中,Zi為一次側線圈的輸入阻抗,ZL為負載的阻抗,其中,一、二次側匝數分別為N1與N2,則下列何者是錯誤的關係式 (A) V1 N1 =V2 N 2 (B) V1I1 = V2 I 2 (C) N1 / N 2 = (D) I12 Z i = I 22 Z L 。
7.一部三相4極,50 Hz感應電動機,於額定電流與頻率下,若轉子感應電 勢之頻率為1.8 Hz,則此電動機之轉差速率為多少 (A)64 rpm (B)36 rpm (C)54 rpm (D)72 rpm。
8.一5 kW、100 V直流分激式發電機,場電阻為100 Ω,當供給額定負載時, 應電勢為120 V,若電刷壓降忽略不計,則電樞電阻約為多少? (A)0.53 Ω (B)0.39 Ω (C)0.68 Ω (D)0.47 Ω。
9.欲測量三相感應電動機之銅損,應進行下列那一種試驗? 案 (A)直流電阻試驗 (B)負載試驗 (C)無載試驗 (D)堵住試驗。
10.用二明一滅法觀察兩發電機並聯情形時,三燈現象為三燈輪流明滅,其 原因為何? 答 (A)相位稍異 (B)相序不同 (C)電壓大小稍異 (D)頻率稍異。
11.含有PT和CT之單相瓦特計,已知PT和CT之變換比各為3300V/110V和 200A/5A,已知瓦特計讀數為100 W,則該電路之功率為何? 題 暨 (A)100 kW (B)60 kW (C)120 kW (D)100 W。
12.如圖2所示之電路中,若理想電流表之讀值為8 A,則ab間的電壓為 (A)240 V (B)120 V (C)192 V (D)48 V。
13有一三相平衡電源,當接至平衡三相Δ接負載時,負載總消耗功率為 1500W,若外接電壓與負載每相阻抗不變之下,將負載改為Y連接,且負載仍然能正常工作,則負載總消耗功率為何? (A)4800 W (B)1500 W (C)1000 W (D)500 W。
14.當電容器兩端的電壓增為原來的2倍時,則電容器的容量變為原來的 (A)2倍 (B)4倍 (C)0.25倍 (D)1倍。
15.對R-L-C串聯電路而言,若電感抗大於電容抗( X L> XC )則下列敘述何者 正確? (A)功率因數滯後 (B)電流超前電壓 (C)功率因數超前 (D)該電路為電容性電路。
16.台電所供應之220V/60Hz 家庭用電,以下何者最可能是其瞬時電壓表示 式(單位?伏特)? (A) 220sin(60πt ) (B) 220sin(60t ) (C) 220sin(120πt ) (D)110 sin(120πt) 。
17.平衡三相Y接電源,相序為a-b-c,若Vab = 220∠120° V,則 (A)Vca = 220∠0° V (B)Vbc =220∠0° V (C)Vbc = 220∠-120° V (D)Vca = 220∠20° V。
18.圖3(b)為圖3(a)的諾頓等效電路,求其等效電流IN與等效電阻RN分別為何?(A)IN = –7 A,RN = 11 Ω (B)IN = 7 A,RN = 9 Ω (C)IN = 5 A,RN = 11 Ω(D)IN = –5 A,RN = 9 Ω。
19.如圖4所示電路,電流源 i (t ) = sin 377t A,R =1 Ω,L = H ,假設此電 377 告 試 題 路已達穩態,則電流源兩端之電壓 v(t ) 為? (A)sin(377t-45°)V (B)sin(377t-45°)V (C) sin (377t + 45°)V 1 (D) sin(377t - 45°) V。
20.如圖5所示之電路,已知電路之功率因數為0.6,XL = 6 Ω,則電路之R為 何? (A)12 Ω (B))8 Ω (C)15 Ω (D)18 Ω。
21.如圖6所示之電路,若V1 = 4 V,I = 7 A,則電阻R為? (A)2Ω (B)4Ω (C)6Ω (D)8Ω。
22.如圖7所示之電路,若 RL 消耗最大功率,則此最大功率為? (A)250 W (B)500 W (C)1000 W (D)1250 W。
23.如圖8所示之電路,若 I 2=0A ,則R與 I1 分別為? (A) R = 3Ω,I1= 4A (B) R = 6Ω,I1 = 2A (C) R =3Ω,I1 = 5A (D) R = 6Ω,I1 = 3A 。
24.將一導線置於均勻磁場中運動,下列哪個物理量不會影響感應電動勢的 大小? (A))導線電阻 (B)導線速度 (C)導線長度 (D)磁場強度。
25.有 一 R-L-C 並 聯 交 流 電 路 , 若 R= 10Ω 、 L =10 mH 、 總 導 納 Y=(/10)∠4° S ,電源電壓 v(t ) = 10sin(1000t + 30°) V ,則下列敘述 何者正確? (A)電容 C = 20 μF (B)流經電感器的電流 iL (t ) =1.0sin(100t - 60℃) A (C)此 電路為電容性電路 (D)電源電流 i(t ) = 50 sin(1000t - 15°) A 。
26.如圖9所示之電路,VXY 為? (A)-3 V (B)-7 V (C)7 V (D)3 V。
27.某工廠以220 V,60 Hz供電,若消耗實功率為100 kW,功率因數為0.6 (A)80 kvar (B)60 kvar (C)58 kvar (D)3197 μF。
28.有一線圈,等效電路如圖10所示,ab兩端跨接40 V直流電壓,得電路電 流10 A,如果ab兩端改接入 40 sin(1000t ) V 交流電壓,得電路電流的有效值為8 A,求此線圈等效電路的R及L值? (A)R = 4Ω,L = 3 mH (B)R = 5 Ω,L = 3 mH (C)R = 4Ω,L = 5 mH 告 試 (D)R = 5Ω,L = 4 mH。
29.有一家庭自110 V之單相交流電源,取用880 W之實功率,已知其功率因數為0.8落後,則電源電流應為? (A)5 A (B)10 A (C)20 A (D)30 A。
30.功率因數(Power Factor, P.F.)單位為何? (A)乏(VAR) (B)瓦特(watt) (C)沒有單位 (D)伏安(VA)。
31.有一台2 HP的電動機,其效率為80%,則其輸入電功率為 (A)1194W (B)746W (C)1492W (D)1865W。
32.兩電阻器 R1 與 R2 並聯,已知流過兩電阻器之電流分別為 I R1 = 2 A, I R2=1 A,且 R1= 2 Ω,則 R2 的電阻值為多少? (A)8 Ω (B)6 Ω (C)4 Ω (D)1 Ω。
33.具有極性的固定電容器為下列何者? (A)電解 (B)陶瓷 (C)紙質 (D)雲母電容器。
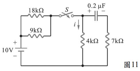
34.圖11所示電路,若電容器在開關閉合前無任何儲能,則開關閉合後, i 的穩態電流為? (A)0.5 mA (B)1.0 mA(C)2.5 mA (D)3.0 mA
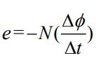
35.法拉第楞次定律 e= 中,負號的正確意義為何? (A)電壓值與時間變化成反比 (B)感應電勢的方向和磁通變化相反(C) 電壓值與匝數成反比 (D)感應電勢的方向在阻止磁通變化。
36.如圖12所示,電容 C1 =10 μF,電容 C2 =30 μF,電阻 R1 = R2 =1 kΩ。當上 C1 題 上之電壓為 VC1 , C2 上之電壓為VC2 , R1 上之電壓為 VR1 , R2 上之電壓為 VR 2 ,則當此電路達穩定狀態時,下列何者正確? (A) VC2 =0 V (B) VC1 =24 V (C) VR2 =12 V (D) VR1 =24 V。
37.1μF電容器若自100 V充電至200 V,則充電期間增加的能量為? (A)0.02焦耳 (B)0.025焦耳 (C)0.015焦耳 (D)0.005焦耳。
38.如圖13所示的電路,二極體為理想時,則C1兩端的電壓為? (A)1Vm (B)2Vm (C)3Vm (D)4Vm。
39.如圖14所示,RB=1 kΩ,RE=1 kΩ,RL=5 kΩ,電晶體之 β值為50,則 案 A點與地間的輸入阻抗為? (A)52 kΩ (B)45 kΩ (C)2 kΩ (D)1 kΩ。
40.如圖15所示電路,若以示波器量測R兩端的輸出電壓Vo應為?(A) (B) (C)(D)。
41.如圖16所示之電路,D為理想二極體,Vi = 12 V ,則電流I為? (A)2 mA (B)3 mA (C)4 mA (D)6 mA。
42.有關A/D轉換器的敘述,下列何者正確? (A)電流信號轉換為電壓信號 (B)類比信號轉換為數位信號 (C)電壓信 號轉換為電流信號 (D)數位信號轉換為類比信號。
43.一 雙 極 性 接 面 電 晶 體 操 作 在 工 作 區 (Active Region) 時 , 若 其 集 極 (Collector)電流= 5.95 mA,射極(Emitter)電流= 6.0 mA,則電流增益(β) 為?(A)119 (B)10 (C)1 (D)0.01。
44.常作為射極隨耦器的電晶體組態為何? (A)共集極組態 (B)共射極組態 (C)共閘極組態 (D)共基極組態
45. 二極體不具下列何種功能? (A)119 (B)10 (C)1 (D)0.01。
46.如圖17所示之電路,假設稽納二極體順向時為理想二極體,Vi = 6sin(ωt) V,R = 500 Ω,則Vo之最大值為?(A)11 V (B)6 V (C)5 V (D)3 V。
47.如 圖 18 所示之 JFET 電 晶 體 電 路 , 已 知 該 電 晶 體 截 止 電 壓 VGS(OFF) =–5 V ,直流閘源極電壓 VGS = -4 V 時, ID =0.5 mA ,則為? (A)∞ (B)0 (C)0.5 (D)2。
48.如圖19所示之電路,BJT之β= 100 且工作於順向主動區,基極交流電阻rπ=1 kΩ ,則輸入阻抗 Zi 為? (A)0.818 kΩ (B)45 kΩ (C)51 kΩ (D) ∞ Ω。
49.如圖20中之電路使用矽二極體(切入電壓為0.7 V),則Vo為? (A)100 V (B))50 V (C)25 V (D)10.65V。
50.AC 110 V 60 Hz的電源經全波整流後,其輸出電壓之頻率為? (A)30 Hz (B)60 Hz (C)120 Hz (D)240 Hz。