阿摩線上測驗
登入
首頁
>
技檢◆工業配線
> 114年 - 01300 工業配線 乙級 工作項目 04:高壓受配電盤(箱)及控制盤 101-138(2025/10/09 更新)#132028
114年 - 01300 工業配線 乙級 工作項目 04:高壓受配電盤(箱)及控制盤 101-138(2025/10/09 更新)#132028
科目:
技檢◆工業配線 |
年份:
114年 |
選擇題數:
38 |
申論題數:
0
試卷資訊
所屬科目:
技檢◆工業配線
選擇題 (38)
複選題
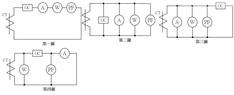
101. 如下列四圖表示比流器二次側電路接線,其中哪些圖示接法錯誤?
(A)第一圖 (B)第二圖 (C)第三圖 (D)第四圖 。
複選題
102. 三相 11.4KV/220V 1000KVA 變壓器,一次側選用比流器,其 CT 比下列哪些正確? (A)200/5A (B)300/5A (C)100/5A (D)150-75/5A 。
複選題
103. 閉鎖型配電盤多盤並列時,各盤間應以銅製接地匯流排跨渡,其大小下列哪些正確? (A)主匯流排容量之 1/2 (B)主匯流排容量之 1/3 (C)325mm(D)330mm 。
複選題
104. 如下電路圖所示,若為電壓跳脫型 CB 之過載及短路保護,請判讀下列敘述哪些錯誤?
(A)正確可用 (B)錯誤不可用 (C)正確但不常使用 (D)無法判斷 。
複選題
105. 3E 電驛可保護電動機電路,其保護內容下列敘述哪些錯誤? (A)過載、欠相、逆相 (B)欠相、短路、逆相 (C)短路、過載、低頻 (D)欠相、低頻、高頻 。
複選題
106. 比流器(CT)之負載超過其負担(VA)時,其所連接之電流表指示,下列敘述哪些錯誤? (A)比正確值小 (B)比正確值大 (C)能指示正確值 (D)不能指示正確值 。
複選題
107. 額定 12KV 100/5A 30VA 5P20 之 CT,用於 11.4KV 短路容量 20KA 之系統,其過電流倍數下列哪些錯誤? (A)100 倍 (B)150 倍 (C)200 倍 (D)250 倍 。
複選題
108. 使用下列哪些斷路器以保護高壓電動機,不須加裝突波吸收器? (A)VCB (B)OCB (C)GCB (D)MBB 。
複選題
109. 使用電力熔絲(PF)作短路保護時,下列敘述哪些錯誤? (A)熔斷後須更換新的熔絲,才能繼續使用 (B)無法隔離電源 (C)不可在屋外使用 (D)當熔絲熔斷故障排除後,線路不能自動復閉 。
複選題
110. 依 IEC 標準有關斷路器規格,下列敘述哪些錯誤? (A)12KV 630A250MVA (B)12KV 630A 16KA (C)12KV 1250A 20KA (D)13.8KV 600A12.5KA 。
複選題
111. 有關分段開關,下列敘述哪些正確? (A)可啟斷負載電流 (B)可在有電時任意操作 (C)可隔離電源 (D)不能啟斷故障(短路)電流 。
複選題
112. 22.8KV 級閉鎖配電盤,依 CNS 標準其商用頻率 AC 耐壓試驗,電壓值下列敘述哪些錯誤? (A)22.8KV (B)28KV (C)45KV (D)50KV 。
複選題
113. 檢查 11.4KV 配電盤內之配線時,應特別注意接地線的線徑及顏色,下列敘述哪些錯誤? (A)紅色 14mm
2
(B)綠色 8mm
2
(C)白色 38mm
2
(D)綠色14mm
2
。
複選題
114. 檢漏器(Ground Detector)可用以測試配電線路各種情況,下列敘述哪些錯誤? (A)斷路 (B)短路 (C)接地 (D)漏電 。
複選題
115. 選用斷路器之額定啟斷電流時,下列敘述哪些錯誤? (A)應大於最大短路電流 (B)與負載電流相同 (C)等於該 CB 額定電流 2 倍 (D)等於負載電流2 倍 。
複選題
116. 三相四線制系統裝設 3 具 CT,送電後加少量負載,此時 LCO 動作經檢查 RST 及零相電流均正常,其誤動作原因下列敘述哪些正確? (A)CT一具極性接錯 (B)LCO 誤接於 RST 相中任一相 CT 之二次側 (C)CT 三具極性均錯接 (D)LCO 特性不良或故障 。
複選題
117. 斷路器之控制開關(CS),須具備下列哪些特性? (A)操作後固定在 ON或 OFF 位置 (B)具備殘留接點 (C)操作後自動復歸 (D)操作後固定在 ON或 OFF 位置、具備殘留接點、操作後自動復歸 。
複選題
118. 供電中之分段開關(DS)在何種情形下不可操作 (A)斷路器未 OFF 時 (B)過載時 (C)負載中時 (D)停電時 。
複選題
119. 對於 LBS 負載開關,下列敘述哪些正確? (A)可啟斷短路電流 (B)可啟斷負載電流 (C)可啟斷其額定電流內之過載電流 (D)可啟斷短路及負載電流 。
複選題
120. 比壓器(PT)之用途,下列敘述哪些錯誤? (A)高電壓變成量測電壓 (B)三相變單相 (C)大電流變小電流 (D)交流變直流 。
複選題
121. 欲將使用中之類比電流表及頻率表取下,對於 PT 及 CT 之處置下列敘述哪些錯誤? (A)CT 短路 PT 開路 (B)CT 開路 PT 短路 (C)CT、PT 均開路(D)以上皆可 。
複選題
122. 綜合型高壓啟動器(電動機用)之主要功能為 (A)啟斷短路電流 (B)啟斷負載電流 (C)啟斷高諧波電流 (D)啟斷過載電流 。
複選題
123. 高壓配電系統中,用於短路保護者為 (A)斷路器 (B)分段開關 (C)電力熔絲(D)負載開關(LBS) 。
複選題
124. 下列哪些為高壓配電系統中常用的斷路器? (A)小油量 OCB (B)SF6 斷路器(GCB) (C)真空斷路器(VCB) (D)磁吹斷路器(MBB) 。
複選題
125. 高壓綜合型起動器如無特別指定時,每一起動單元主電路可能包含下列哪些器具? (A)VCS (B)CT (C)PT (D)電容器 。
複選題
126. 24KV 級配電盤箱內,負載之額定電流為 50A,主電路若使用導線時其線徑哪些不宜? (A)8mm
2
(B)14mm
2
(C)38mm
2
(D)50mm
2
。
複選題
127. 電容器主電路之導線安全電流,應為電容器額定電流之倍數,下列哪些正確? (A)1.2 倍 (B)1.3 倍 (C)1.35 倍 (D)1.4 倍 。
複選題
128. 額定電流 600A 之銅匯流排截面積,下列哪些不宜? (A)6t50mm (B)5t60mm (C)6t30mm (D)5t40mm 。
複選題
129. 保護及量測用雙鐵芯雙線圈之 CT 其主規格之標示,下列哪些正確? (A)100/5/5A,5P20/30VA+1.0 級/30VA (B)200-100/5/5A,5P20/30VA+1.0 級/30VA (C)100/5/5A,(5P20/30VA)2 (D)150-75/5/5A,(1.0 級/15VA)2 。
複選題
130. 下列敘述哪些錯誤? (A)3ψ3W11.4KV 接地系統中,使用電阻接地方式,設計上接地電流通常為 250A (B)3ψ3W 22.8KV 接地系統中,使用電阻接地方式,設計上接地電阻通常為 66Ω (C)電力系統之接地方式,通常可分為直接接地、電阻接地及電抗接地等三種 (D)接地電阻器,最近均採用鑄鐵、鐵片或不銹鋼作成 。
複選題
131. 下列敘述哪些正確? (A)配電盤型式試驗中,瞬時電流試驗之目的在確認配電盤發生短路時,其機械強度是否足夠 (B)配電盤溫升試驗之目的,僅在測試配電盤之匯流排或電纜之容量是否足夠 (C)配電盤之主要功能為電力之分配,並可兼作電力系統之監視、計測、操作及保護之用(D)配電盤構造,在 CNS 標準中以 CW 級配電盤對人體(維護人員)保護之層次最週到 。
複選題
132. 有關 CT 比流器,下列敘述哪些正確? (A)比流器二次側線圈短路時,則一次側電流將為 0 安培 (B)比流器二次側不得開路 (C)比流器二次側的額定電流一般為 5 安培 (D)一般比流器的作用在將交流電流轉變直流電流 。
複選題
133. 依據屋內線路裝置規則規定,有關下列接地導線之大小,下列規定哪些正確? (A)特種接地:變壓器容量 500 千伏安以下應使用 22 平方公厘以上絕緣線 (B)第一種接地:應使用 5.5 平方公厘以上絕緣線 (C)第二種接地:變壓器容量超過 20 千伏安應使用 22 平方公厘以上絕緣線 (D)第三種接地:變比器二次線接地應使用 5.5 平方公厘以上絕緣線 。
複選題
134. 有關電驛,下列敘述哪些正確? (A)棘輪電驛(Latch Relay)適合用在馬達負載交替運轉或切換運轉上 (B)保持電驛(Keep Relay)內部有兩組激磁線圈,一旦動作線圈(SET)通電激磁動作後,即使把線圈上的電源切斷,保持電驛仍然保持動作,欲使其復歸,必須由外部加入額定電源於復歸線圈(RESET),使接點復歸 (C)閃爍電驛(Flicker Relay)是一種定時訊號(ON-OFF)切換裝置,一般應用在交通號誌、廣告燈及警報電路上(D)限時電驛(Timer)是一個延時性的電驛,它能使控制電路依設定的時序動作,是工業配線自動控制上重要的元件 。
複選題
135. 下列敘述哪些正確? (A)在電路圖中,常以 CS 或 COS 之英文字來表示切換開關 (B)電磁接觸器(MC),一般多與積熱電驛(TH-RY)配合使用,組成電磁開關(MS) (C)限制開關(LS)亦稱極限開關,常用於機械動作的極限控制及檢知移動物體的位置 (D)光電開關與近接開關皆為無接觸信號檢出元件,因不需要和被檢出物體直接接觸,就能檢出信號,所以不會產生機械磨損,使用壽命長 。
複選題
136. 下列敘述哪些錯誤? (A)無熔線開關經常跳脫,應立刻將該開關換較大額定容量者 (B)無熔線開關之跳脫容量可大於框架容量 (C)無熔線開關較閘刀開關為貴,其保護及裝置效用上無區別,可任意選用 (D)無熔線開關跳脫方式可分為熱動式、電磁式及熱動電磁式三種 。
複選題
137. 下列敘述哪些正確? (A)短路或接地選擇電驛,係利用電流升高率太大,來表示電器或線路的故障 (B)過電流保護電驛其特性大致可分為反限時、超反限時、極反限時等三種 (C)低壓電源系統供應電力用電之電壓在 150V 以上 600V 以下,如裝有接地顯示器者,可以不接地 (D)電磁開關雖能啟斷過載電流,但不能啟斷短路電流 。
複選題
138. 下列哪些為非接觸型感測開關? (A)電感式近接開關 (B)限制開關 (C)光電開關 (D)電容式近接開關 。
申論題 (0)
相關試卷
115年 - 100 全國高級中等學校學生技藝競賽考試_工業類:工業配線#139554
115年 · #139554
114年 - 01300 工業配線 乙級 工作項目 04:高壓受配電盤(箱)及控制盤 51-100(2025/10/09 更新)#132027
114年 · #132027
114年 - 01300 工業配線 乙級 工作項目 04:高壓受配電盤(箱)及控制盤 1-50(2025/10/09 更新)#132026
114年 · #132026
114年 - 01300 工業配線 甲級 工作項目 01:高壓配電盤(箱)及控制盤裝置 151-188(2025/10/09 更新)#132010
114年 · #132010
114年 - 01300 工業配線 甲級 工作項目 01:高壓配電盤(箱)及控制盤裝置 101-150(2025/10/09 更新)#132009
114年 · #132009
114年 - 01300 工業配線 甲級 工作項目 01:高壓配電盤(箱)及控制盤裝置 51-100(2025/10/09 更新)#132008
114年 · #132008
114年 - 01300 工業配線 甲級 工作項目 01:高壓配電盤(箱)及控制盤裝置 1-50(2025/10/09 更新)#132007
114年 · #132007
111年 - 01300 工業配線 丙級 工作項目 01:識圖與繪圖#107250
111年 · #107250
109年 - 109 全國高級中等學校學生技藝競賽考試_工業類:工業配線#138579
109年 · #138579
108年 - 108 全國高級中等學校學生技藝競賽考試_工業類:工業配線#138725
108年 · #138725