阿摩線上測驗
登入
首頁
>
技檢◆工業配線
> 114年 - 01300 工業配線 甲級 工作項目 01:高壓配電盤(箱)及控制盤裝置 51-100(2025/10/09 更新)#132008
114年 - 01300 工業配線 甲級 工作項目 01:高壓配電盤(箱)及控制盤裝置 51-100(2025/10/09 更新)#132008
科目:
技檢◆工業配線 |
年份:
114年 |
選擇題數:
50 |
申論題數:
0
試卷資訊
所屬科目:
技檢◆工業配線
選擇題 (50)
51. 已知一電路阻抗 Z=9+j12(歐姆),外加電壓 V=300∠60(伏特),則其功率為多少瓦? (A)3600+j4800 (B)3600-j4800 (C)4500+j6000 (D)4500-j6000 。
52. 在高壓控制器跳脫電路上,使用之控制電壓最常見的為 (A)AC110V (B)DC110V (C)AC220V (D)DC220V 。
53. 使用隔離開關之目的在於 (A)自動啟斷負載電流 (B)手動啟斷負載電流 (C)在無負載時啟斷電路 (D)緊急時啟斷電路 。
54. 無法啟斷負載電流之開關為 (A)VCS (B)GCB (C)DS (D)VCB 。
55. 在電力系統中改善整體系統功率因數,其電容器宜接近 (A)母線上 (B)主開關之電源側 (C)電感負載 (D)電阻負載 。
56. 啟斷電流較大之開關為 (A)VCB (B)LBS (C)VCS (D)GCS 。
57. 於交流發電機中,電樞應電勢小於端電壓之現象,係發生於 (A)功率因數為超前時 (B)功率因數為落後時 (C)功率因數為 1 時 (D)功率因數不平衡時 。
58. 一用戶平均負載為 100KVA 功率因素為 0.6,今欲裝設電容器改善功率因素至 1.0,此電容器之適宜容量為 (A)60KVAR (B)70KVAR (C)80KVAR(D)100KVAR 。
59. 系統上若有大量之第三諧波時,串聯電抗器之容量,下列何者不宜?(A)6% (B)8% (C)10% (D)13% 。
60. PT 為 6600/110V,CT 為 10/5A,電表之瓦時常數(WH/R)為 2/3 ,某負載使電表在 25 秒內旋轉十轉,則該負載約為 (A)100KW (B)115KW (C)130KW (D)145KW 。
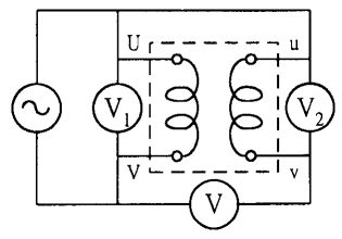
61. 減極性單相變壓器如下圖結線時,電壓表 V 之指示應為
(A)V
1
-V
2
(B)V
2
/V
1
(C)V
1
+V
2
(D)V
1
/V
2
。
62. 配電盤用電壓表或電流表之精度階級為 1.0 級是表示容許誤差為 (A)全刻度之±1% (B)最小刻度±1% (C)延長刻度之±1% (D)指示刻度之±1% 。
63. 測量高頻率電流,最適當之電表為 (A)可動鐵片型電流表 (B)感應型電流表 (C)整流型電流表 (D)熱電偶型電流表 。
64. 為測定開關控制器具中主接點之接觸電阻,不可用 (A)壓降法 (B)雙比電橋(DOUBLE BRIDGE) (C)三用電表 (D)惠斯頓電橋 。
65. 高壓電動機油斷路器之外殼,應採用第一種接地,其接地電阻應保持_______以下。(A)5Ω (B)10Ω (C)25Ω (D)100Ω
66. 變壓器容量在 500KVA 以下使用特種接地,其接地導線應使用________ 以上之絕緣導線。(A)8mm
2
(B)14mm
2
(C)22mm
2
(D)30mm
2
67. 30A 過電流保護器之用電設備,單獨接地之銅接地導線應為 (A)2.0mm
2
(B)3.5mm
2
(C)5.5mm
2
(D)8mm
2
。
68. 3ψ4W 接地系統供電地區用戶,高壓電動機外殼接地電阻應在多少Ω以下? (A)5 (B)10 (C)50 (D)100 。
69. 高壓 11.4KV 接地系統流經接地電阻之電流為 100A 時,其接地電阻應為多少Ω? (A)100 (B)66 (C)115 (D)166 。
70. 交流電源頻率下降而電壓不變時,流經電容器之電流將會 (A)下降 (B)不變 (C)上昇 (D)不一定 。
71. 電動機之運轉因數係指在容許溫度內可連續運轉之 (A)最大損失功率 (B)最大輸出功率 (C)最長時間 (D)最高效率 。
72. 電容起動之單相感應電動機,其補助線圈電流與主線圈電流間之位相差約為 (A)30° (B)45° (C)60° (D)90° 。
73. 如下圖加裝電阻器之主要目的在於
(A)減少 MC 線圈之始動電流 (B)使動作後能自保 (C)動作後使 MC 線圈電流降低 (D)增加直流電磁鐵吸引力 。
74. 當電路為平衡負載時,如下圖所示 As 表所指示之電流值為
(A)0 (B)2I
R
(C)
(D)
。
75. 避雷器之主要功能為何? (A)防止接地 (B)防止短路 (C)作為過載保護 (D)消除異常電壓 。
76. 構成電路的基本要件為何? (A)感應器、電源、負載、連接線 (B)感應器、電源、連接線、開關 (C)感應器、開關、電源、連接線 (D)開關、連接線、負載、電源 。
77. 變壓器之阻抗值與其短路電流值有何關聯? (A)阻抗值愈大短路電流值愈大 (B)阻抗值愈大短路電流值愈小 (C)阻抗值與其短路電流值無關 (D)視變壓器所連接之負載種類而定 。
78. 某電壓源標示為三相四線式 380V/220V,其中 220V 之意義為何? (A)線電壓 (B)相電壓 (C)欠電壓基準設定值 (D)過電壓基準設定值 。
79. 使用變壓器時,在下列何條件下其效率最佳? (A)銅損大於鐵損 (B)銅損小於鐵損 (C)銅損等於鐵損 (D)銅損為鐵損之兩倍 。
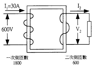
80. 如下圖所示,將 S 投入後指示燈即
(A)繼續亮 (B)熄滅 (C)反復點滅 (D)只亮一次,旋即熄滅 。
81. 接地系統中 LCO 電驛動作,若非接地故障則可能原因為 (A)三個 CT 中有一個極性相反 (B)逆相 (C)過電壓 (D)負載不平衡 。
82. 電源為三相四線式系統之配電盤,加少許負載後 LCO 動作,經檢查R.S.T 及零相電流均正常,其動作原因為 (A)LCO 接入 R 相電流 (B)CT-具極性反接 (C)CT 極性全部反接 (D)LCO 特性不良 。
83. 電力熔絲的缺點是 (A)無法隔離電源 (B)當其熔絲熔斷後,不能自動復閉(C)不可在屋外使用 (D)更換不易 。
84. 如圖所示電路之電流與功率因數為
(A)11A/0.8 (B)11A/0.6 (C)8A/0.8 (D)8A/0.6 。
85. 同步電動機於功因落後運轉中,若將激磁電流略為增加,則 (A)功率因數提高 (B)轉速增加 (C)轉速減少 (D)功率因數不變 。
86. 如下圖所示之變壓器,二次側電壓 V
2
與電流 I
2
各為
(A)110V90A (B)100V100A (C)200V90A (D)200V180A 。
87. 6KV 桿上變壓器之一次側分接頭(tap)使用 6300V 時,二次側電壓為110V,欲使二次側電壓接近 100V,一次側分接頭(tap)應置於 (A)5700(B)6000 (C)6600 (D)6900 V 分接頭。
88. 有一單相 3300/220V 之變壓器,分接頭(tap)置於 3300 之位置,現一次側加壓,二次側只有 190V,欲提高至 220V,則分接頭(tap)應改接在(A)3450 位置 (B)3150 位置 (C)3000 位置 (D)2850 位置 。
89. 如下圖所示為過載保護電路圖,係使用過電流電驛,而於過載時,由比流器(CT)之二次電流,使斷路器跳脫,此電路
(A)正確可用 (B)錯誤不可使用 (C)正確與否不能判斷 (D)為常用者 。
90. 依 CNS 標準 11.4KV 配電盤之交流耐電壓試驗電壓為 (A)12 (B)16 (C)28(D)36 KV。
91. 三相交流電源,各相電源相位差 (A)60 度 (B)100 度 (C)120 度 (D)180度 。
92. 如下圖所示比流器二次電路接線,正確之接法為
(A)第 1 圖 (B)第 2 圖 (C)第 3 圖 (D)第 1 圖及第 3 圖 。
93. 斷路器之啟斷時間,最近有愈來愈短之趨勢,最短者為 (A)0.05Hz (B)0.5Hz (C)5Hz (D)15Hz 。
94. 3.3KV 供電每台容量超過 300HP 之電動機,其起動電流不超過該電動機額定電流之多少倍 (A)3.5 倍 (B)2.5 倍 (C)6 倍 (D)5 倍 。
95. 安裝 PT 電路用測試端子時,下列何者正確? (A)
(B)
(C)
(D)
。
96. IEC 標準中量測用比流器,應測試之變比誤差點為 (A)10%、20%、100%、110% (B)5%、20%、100%、120% (C)15%、30%、50%、100%(D)20%、40%、100%、150% 。
97. 斷路器之啟斷電流應 (A)大於短路故障電流 (B)小於短路故障電流 (C)等於額定電流 (D)額定電流之 3 倍 。
98. 三台單相變壓器,每台額定 5KVA,接成△-△接線,供給 13KVA 三相平衡負載,若其中一台故障,其餘二台繼續供應負載,則變壓器之過載量為多少? (A)8.66KVA (B)4.34KVA (C)3KVA (D)2KVA 。
99. 下列何者無啟斷線路短路電流之能力? (A)VCB (B)GCB (C)電力熔絲 (D)分段開關 。
100. 台電公司中壓系統 MOF 所使用之比流器,其精確度為 (A)1.0 級 (B)0.5級 (C)0.3S 級 (D)0.1 級 。
申論題 (0)
相關試卷
114年 - 01300 工業配線 乙級 工作項目 04:高壓受配電盤(箱)及控制盤 101-138(2025/10/09 更新)#132028
114年 · #132028
114年 - 01300 工業配線 乙級 工作項目 04:高壓受配電盤(箱)及控制盤 51-100(2025/10/09 更新)#132027
114年 · #132027
114年 - 01300 工業配線 乙級 工作項目 04:高壓受配電盤(箱)及控制盤 1-50(2025/10/09 更新)#132026
114年 · #132026
114年 - 01300 工業配線 甲級 工作項目 01:高壓配電盤(箱)及控制盤裝置 151-188(2025/10/09 更新)#132010
114年 · #132010
114年 - 01300 工業配線 甲級 工作項目 01:高壓配電盤(箱)及控制盤裝置 101-150(2025/10/09 更新)#132009
114年 · #132009
114年 - 01300 工業配線 甲級 工作項目 01:高壓配電盤(箱)及控制盤裝置 1-50(2025/10/09 更新)#132007
114年 · #132007
111年 - 01300 工業配線 丙級 工作項目 01:識圖與繪圖#107250
111年 · #107250
109年 - 109 全國高級中等學校學生技藝競賽考試_工業類:工業配線#138579
109年 · #138579
108年 - 108 全國高級中等學校學生技藝競賽考試_工業類:工業配線#138725
108年 · #138725
107年 - 107 全國高級中等學校學生技藝競賽考試_工業類:工業配線#139338
107年 · #139338