所屬科目:基本電學(概要)
4.如【圖 4】所示,若該電路電橋已經平衡時,下列敘述何者錯誤?(A)(B)(C)(D)
6.某電容器的電量為 C 法拉,帶有 Q 庫倫的電量,該電容器可儲存多少能量? (A)(B)(C)(D)
8.如【圖 8】所示電路,電感及電容在初始均無儲能,當開關 S 閉合瞬間,求電源電流 I 為多少安培? (A) 2A (B) 1.6A (C) 1.3A (D) 0A
9.如【圖 9】所示電路,當開關 S 閉合很久之後,求電容的端電壓為多少伏特? (A) 6.25V (B) 3.75V (C) 0.625V (D) 0V
10.某電源電流的相位角為 0°,頻率為 60Hz,電壓超前電流相位角為 30°,電壓的有效值為 100V,求瞬時電壓為何? (A) 200sin(377t + 30° ) V (B) 141sin(377t + 30° ) V (C) 100sin(377t + 30° ) V(D) 70.7sin(377t + 30° ) V .
13.如【圖 13】所示交流電路,若負載的實功率為 1kW,求電阻 R 為多少歐姆? (A) 40Ω (B) 30Ω (C) 20Ω (D) 10Ω
17.如【圖 17】所示電路, VAC 為多少伏特? (A) 6 (B) -6 (C) 12 (D) -12
18.有一只電荷帶電量為 庫侖,將其置於空氣中,則距此電荷 3 公尺處之電位為多少伏特? (A) 6 (B) 12 (C) 18(D) 36
19.兩只電阻器 R1及 R2 串聯連接,則其總電阻為:(A)(B)(C)(D)
21.如【圖 21】所示電路,A、B 兩點間之電阻為: (A) 3Ω (B) 7Ω (C) 14Ω (D) 16Ω
23.如【圖 23】所示電路,電壓源 E 的值應為多少? (A) 12V(B)24V (C) 36V (D) 48V
24.如【圖 24】所示電路,諾頓等效電流 I 之值為多少 A? (A) 3 (B) 6 (C) 10 (D) 14
28.兩交流信號,分別為 ;對於兩訊號相位關係的 敘述,下列何者正確? (A) (B) (C) (D)
30.如【圖 30】所示電路,此電路之功率因數為何? (A) 0.6 超前 (B) 0.6 滯後 (C) 0.8 超前 (D) 0.8 滯後
33.三相 Y-Y 平衡電路中,下列敘述何者正確? (A)相電流大小等於線電流大小 (B)相電流大小等於線電流大小的倍 (C)相電壓大小等於線電壓大小 (D)相電壓大小等於線電壓大小的倍
37.如【圖 37】所示,電流表的讀數為 6A,則流過 5Ω 電流為多少? (A) 3A (B) 6A (C) 9A (D) 18A
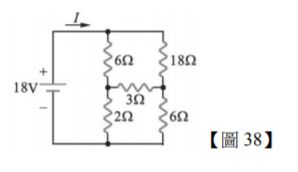
38.如【圖 38】所示之電路,電流 I 為多少? (A) 2A (B) 3A (C) 4A (D) 5A
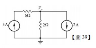
39.如【圖 39】所示電路,求電路中 Vo之值為多少? (A) 6V (B) -4V (C) 2V (D) 10V
40.如【圖 40】所示,ab 兩端的電容量為多少? (A) 4μF (B) 4.5μF (C) 8.25μF (D) 12μF
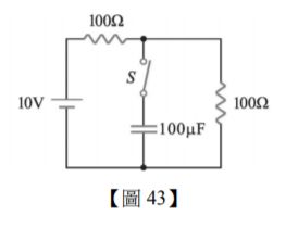
43.如【圖 43】所示電路,其時間常數為多少? (A) 5ms (B) 0.1ms (C) 0.5ms (D) 10ms
45.如【圖 45】所示,週期性電壓 v(t)之波形,其平均值為多少? (A) 7.07V (B) 10V (C) 11.5V (D) 14.14V
51.如【圖 51】所示,V=100V,R=10Ω,L=1H,C=1μF,求諧振頻率 f 為多少? (A) 159Hz (B) 377Hz (C) 628Hz (D) 1000Hz
52.如【圖 52】所示,R=10Ω,電路諧振時 I 為多少? (A) 0A (B) 10A (C) -10A (D) ∞
55.如【圖 55】所示電路,VXY值為多少? (A) -3.5V (B) +3.5V (C) -6.5V (D) +6.5V
56.有部 60Hz,400V,4 極三相電動機,若輸出功率為 6kW 時,電流為 ,且 P.F. = 0.6,則電動 機效率 η 為: (A) 50% (B) 62.5% (C) 83.3% (D) 100%
58.如【圖 58】所示電路,若電路已達穩態,電感和電容二元件所儲存的總能量共多少? (A) 10 焦耳 (B) 40 焦耳 (C) 50 焦耳 (D) 60 焦耳
59.如【圖 59】所示之 R-L-C 串聯電路,已知 fr=1000 Hz,R=10Ω,XL=50Ω,Xc=50Ω,電源電壓 100V, 求 VC? (A) 0V (B) 100V (C) 500V (D) 1000V
60.如【圖 60】所示,並聯化串聯等效電路,求 R'及 X'分別為多少? (A) 3Ω,6Ω (B) 1.2Ω,2.4Ω (C) 15Ω,7.5Ω (D) 7.5Ω,15Ω