所屬科目:技檢◆視聽電子-乙級
4. 下圖為何種元件之符號(A)光敏電阻(B)精密電阻(C)半固定電阻(D)熱敏電阻。
27. 在布林代數中,下列何者為誤?(A)A‧A=A(B)A+A=A(C) (D)A+1=1。
42. C1,C2 兩只電容器並聯後之總容量為(A) (B) (C) (D) 。
55. 下圖是(A)電容表(B)電阻表(C)電壓表(D)電流表 之符號。
62. 下圖電路所示,若電流表內阻為 100Ω,則下列何者正確?(A)電表測量值為 10mA(B)誤差百分比為-9. 1%(C)誤差百分比為 9.1%(D)電表測量值為 9.09mA。
63. 下圖電路所示,假設二極體並"不是"理想二極體,導通後具有 0.7 V 的固定壓降,下列敘述何者正確? (A)V1=2.85V(B)V1=2.15V(C)I1=0.215mA(D)I1=0.285mA。
66. 有關邏輯閘之敘述,下列何者正確?(A)當兩輸入同時為 1 時,NOR 閘以及 XOR 閘之輸出不同(B)輸 入均為 1 時,輸出才為 1 的閘為 N OR 閘(C)布林函數 所代表的為有兩個(端)輸入的 exclusive NOR(XNOR) 閘(D)布林函數 代表的為有兩個(端)輸入的 exc lusive OR(XOR) 閘。
67. 下列符號標示,何者不正確? (A)光閘流體 (B)受光二極體 (C)GTO (D)PUT 。
70. 有一正弦波電壓方程式為 ,下列何者正確?(A) (B) (C) (D) 。
71. 下圖電路所示,造成中點電壓為 25V 之故障元件為何?(A)R21 開路(B)R29 開路(C)R13 開路(D)Q1 BE 短路。
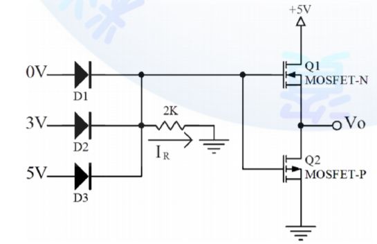
73. 下圖電路所示,假設二極體為理想二極體,則流過 2KΩ 電阻的電流 I R 及 Vo 電壓為何?(A)Vo =5V(B)Vo=0V(C)IR=4.5mA(D)IR=2.5mA。
75. 下列各式之化簡,何者正確?(A) (B) (C)(D) 。