所屬科目:技檢◆銑床-CNC 銑床-乙級
1. 氣壓元件符號 ,係指 (A)乾燥器 (B)潤滑器 (C)調理組合 (D)冷卻器 。
2. 液壓油以流量 25 /min 通過內徑 11mm 的油壓管,則其流速約為 (A)4.3 m/s (B) 5.3 m/s (C)6.3 m/s (D)7.3 m/s 。
3. 元件符號 ,係指 (A)單向定排量油壓馬達 (B)單向定排量油壓泵 (C)單向可 變排量油壓泵 (D)單向可變排量油壓馬達 。
5. 油壓元件符號 ,係指 (A)單動缸 (B)雙動缸 (C)單動雙緩衝缸 (D)雙動雙緩 衝缸 。
6. 元件符號 ,係指 (A)雙動雙緩衝油壓缸 (B)單動雙緩衝油壓缸 (C)雙動油壓 缸 (D)單動油壓缸 。
8. 如下圖所示之單動氣壓缸控制迴路,係採 (A)直接控制 (B)間接控制 (C)伺服控 制 (D)閉迴路控制 。
9. 油壓元件符號 ,係指 (A)卸載閥 (B)減壓閥 (C)順序閥 (D)釋壓閥 。
13. 如下圖所示之油壓系統裝置,適用於 (A)車床刀架 (B)千斤頂 (C)火箭推進系統 (D)銑床進給機構 。
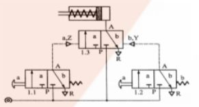
14. 如下圖所示之液壓系統基本電路圖,元件 A 表示 (A)繼電器 (B)定時器 (C)油壓閥 (D)開關 。
16. 如下圖所示之系統裝置是一種 (A)空壓系統 (B)油壓系統 (C)油氣壓系統 (D)電 氣控制系統 。
17. 油壓元件符號 ,係指 (A)減壓閥 (B)卸載閥 (C)流量閥 (D)安全閥 。
18. 如下圖所示之液壓系統裝置,元件 M 表示 (A)油壓馬達 (B)油壓泵 (C)油壓箱 (D)電動馬達 。
19. 如下圖所示之液壓系統基本電路圖,元件 T 表示 (A)定時器 (B)反向器 (C)轉 轍器 (D)安定器 。
22. 如下圖所示之油壓系統裝置,其中之壓力控制閥係一種 (A)減壓閥 (B)溢流閥 (C)順序閥 (D)卸載閥 。
26. 如下圖所示之氣壓元件符號,係指 (A)3/2 常開方向閥 (B)3/2 常閉方向閥 (C) 2/3 常開方向閥 (D)2/3 常閉方向閥 。
29. 如下圖元件符號,係指 (A)雙向定排量油壓馬達 (B)雙向定排量油壓泵 (C)雙向 可變排量油壓馬達 (D)雙向可變排量油壓泵 。
42. 氣壓元件符號" ",係指 (A)節流閥 (B)止回閥 (C)方向控制閥 (D)壓力控制 閥 。
43. 液壓元件符號" ",係指 (A)壓力計 (B)流量計 (C)蓄壓計 (D)過濾器 。
47. 下列何者為油壓之止回閥的快速接頭? (A) (B) (C) (D) 。