所屬科目:教甄◆電子科/資訊科/電機科/冷凍空調科/控制科/電機空調科
10. 欲將D型正反器改為T型正反器使用,如下圖中黑框之邏輯閘為何? (A)NOR (B)NAND (C)XOR (D)XNOR。
12. 七段顯示器由A段至G段及小數點共8個LED所構成,若各段LED的接線如下圖所示之電路,則此七段顯示器顯示的數字為 (A)3 (B)1 (C)7 (D)2。
14. 具有如下表的真值表之邏輯符號為何? (A) (B) (C) (D)
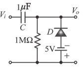
15. 如下圖所示之電路為直流箝位電路,當輸入電壓為正負12V、60Hz之正弦波,則輸出電壓正弦波之直流準位為? (A)7V (B)-5V (C)5V (D)12V。
16. 如右圖所示之電路,求為(其中μ=gm rd ) (A) (B) (C) (D)
17. 如下圖所示之電路VCC=10V,RC=2.2kΩ,β=99,IB=10µA,VBE=0.7V,求RB之值約為 ? (A)77kΩ (B)87kΩ (C)97kΩ (D)107kΩ (E)一律給分
18. 如下圖所示之電路為理想運算放大器,其電源電壓為±15V,若R2=4R1,當V1為+2V時 ,求Vo處的電壓,下列何者較為正確? (A)+12V (B)-12V (C)+15V (D)-15V。
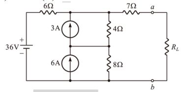
19. 如下圖所示之電路,發生最大功率轉移時,負載 RL 所能獲得之最大功率為何? (A)33W (B)44W (C)121W (D)196W。
20. 如下圖所示為正方形 ABCD,每邊長 a 公尺,A、B 兩點各帶 +qC,C、D 兩點各帶-q C 的電荷,中心點 O 的電場強度之大小為 (A) (B) (C) (D)Kq
21. 一電阻器與一電容器並聯之後接到一單頻率正弦波電源,電源頻率之角速度為100rad/sec、電壓均方根值 100V、供給電流均方根值 20A,電阻器之電流均方根值A,則下列有關電容器的敘述,何者正確? (A)電抗值為 10Ω (B)無效功率絕對值為 2000VAR (C)電容量為 0.1F (D)電流均方根值為(20- )A。
22. 如下圖所示之電路,假設當 t < 0 時 VC = 0,若開關 S 在 t = 0 時接通,則下列何者正確? (A)當 t = 1 秒時,VC = 6.32V (B)當 t =2 秒時,VC = 3.68V (C)當 t = 0.5 秒 時,VC = 6.32V (D)當 t = 0.05 秒時,VC = 3.16V。
24. 如下圖所示之電路,其輸出 F 之布林代數為何? (A) (B)(C)(D)。
26. 如下圖所示之電路,利用 74138 與 7420 各一個,設計布林函數 F(A, B, C)的邏輯電 路,請問下列何者正確? (A) (B)(C)(D)
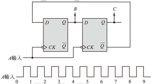
27. 如下圖所示之電路中,正反器之 Q 輸出皆為 0 時,再由 A 輸入端輸入一個固定頻率方波,則 B 輸出端波形為 (A) (B) (C) (D)
1.如下圖所示之電路,D1 與 D2 為理想二極體,為了使輸出電壓 Vo 的值,隨輸入 Vi 之增大而變 大,需選擇之 Vi (下限電壓,上限電壓)分別為多少 V?
(2)電路之電流增益 約為?
3.如下圖所示之電路,Vin=12V,R=25Ω,稽納二極體之稽納電壓 VZ=5V,逆向導通電阻 rz=5Ω, RL=100Ω,則通過負載電阻 RL的電流為多少 mA?
5.如下圖所示為相移振盪電路,若R1+R2=50kΩ,則使電路振盪的R2最小值為何?
7.如下圖所示之電路,C1 為 8μF 充滿電後,把開關 S 由 A 點移到 B 點,則 C1 之電壓降為 40V 後 達到穩定。假設 CX之初始電壓值為零,則電容 CX值為多少 μF?
9.如下圖所示之電路,若I=0,則R為多少歐姆?
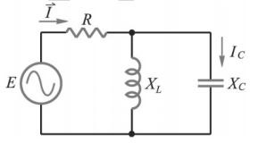
11.如下圖所示之電路 R = 10Ω,XL = 10Ω,XC = 5Ω,若Ic=10∠0°A,請問電源電壓 E 為多少 V (以直角座標表示)?
二、證明題 1.如下圖所示之電路為電流鏡電路,電晶體 Q1、Q2 及 Q3 的特性完全相同,Io 值與 IREF值接近, 請利用Ic=α IE公式,推導出Io/IREF與 α 間的關係式。(需標示出每段電流及方向)
2.如下圖所示之電路為正回授電路方塊圖,試證明包含回授電路的增益 (閉迴路增益)為
3.如下圖所示之電路,請證明當 RL=RTh 時,負載 RL可獲得最大功率轉移,且最大功率
三、設計題 1. 使用RS正反器組成JK正反器,並繪出設計圖形(須標示輸入端:CK、J、K)。