所屬科目:教甄◆電子科/資訊科/電機科/冷凍空調科/控制科/電機空調科
2. 如圖(一)所示電路,試問電流 I 為何? (A) 3 A (B) 2.5 A (C) 2 A (D) 1.5 A
3. 如圖(二)所示電路,試問電壓 Va 為何? (A) 18 V (B) 16 V (C) 12 V (D) 10 V
4. 如圖(三)所示電路,試問電流 I 為何? (A) 1.5 A (B) 2.5 A (C) 3 A (D) 4.5 A
5. 如圖(四)所示電路,試問在時間 t = 3 秒時電流為何? (A) -10 µA (B) -5 µA (C) 5 µA (D) 0 A
6. 如圖(五)所示,在時間 t = 2 秒時流過電感電流大約為何?(e-1 = 0.368) (A) 1.39 A (B) 2.59 A (C) 3.03 A (D) 3.79 A
10. 圖(六)電路產生諧振,諧振頻率為 159 Hz,則電路中電容量為何? (A) 40 µF (B) 60 µF (C) 80 µF (D) 100 µF
13. 如圖(七)所示電路中,輸入與輸出端之電源分別為 Vi 與 Vo 、電路之頻率為 f,且0<R<∞、0<C<∞、則 Vo 與 Vi 間之相移角度 θ 之範圍?(A) 0<θ<90° (B) 0<θ<180° (C) 0<θ<270° (D) 0<θ<360°
14. 如圖(八)所示,平衡三相(A 相、B 相、C 相)電源供給 Y 接之負載,若 a,b,c 端電壓 大小為 208V,則 A,B 兩點之間之電壓大小約為? (A) 196V (B) 206V (C) 216V (D) 227V
16. 如圖 ( 九 ) 所示 , 兩個理想電壓源經一 阻抗 Z 相連 , 設 E1 = 100 / 0oV ,E2 = 100 /30oV 且Z = 0 + j5Ω ,下列敘述何者正確? (A) E1消耗電力且供給無效電力,E2供給電力且供給無效電力 (B) E1供給電力且供給無效電力,E2消耗電力且消耗無效電力 (C) E1消耗電力且消耗無效電力,E2供給電力且消耗無效電力 (D) E1供給電力且消耗無效電力,E2消耗電力且供給無效電力
17. 如圖(十)所示,當開關 S 閉合瞬間則指針的偏轉情況為何? (A) 指針向正的刻度方向偏轉,後回至 0 的位置 (B) 指針向負的刻度方向偏轉,後回至 0 的位置 (C) 指針先指向負後指向正的刻度方向偏轉 (D) 指針先指向正後指向負的刻度方向偏轉
18. 有一個電力系統如圖(十一)所示,以電源側為基準,試求 I1 電流之標么值多少? (A) 1.0pu (B) 2.0pu (C) 2.5pu (D) 3.0pu
19. 單相 1500V/300V 變壓器 3 台作 Y-△ 連接,若一次側的線電壓為 1200V,線電流為6A,試求二次側線電壓以及二次側線電流分別為多少? (A) (B) 240V、 (C)、30A (D)
20. 3 台單相減極性變壓器接成 △-Y 接線,當一次側接平衡三相電源,其一、二次側之 線電壓、相電壓、線電流及相電流之關係,下列敘述何者錯誤? (A) 一次側線電壓與一次側相電壓之電壓大小及相角均相等 (B) 二次側線電壓之大小為二次側相電壓之倍,且二次側線電壓之相角超前二次側相電壓 30° (C) 一次側線電壓之相角超前二次側線電壓之相角 30° (D) 二次側線電流與二次側相電流之電流大小及相角均相等
23. 如圖(十二)的 RC 電路,VI 為輸入電壓,VO為輸出電壓。下列敘述何者正確?(A) 當VI為 1 伏特時,VO的穩態值亦等於 1 伏特 (B) 此電路的高頻電壓增益為 0 dB (C) 此電路系統的極點為 RC (D) 此電路具有低通(lowpass)濾波的功能
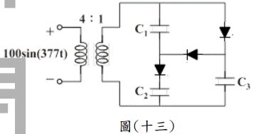
26. 如圖(十三)理想二極體電路,穩態下各電容電壓值,下列何者正確? (A) VC1=25V (B) VC2=50V (C) VC3=75V (D) 以上皆非
27. 如圖(十四)放大器直流偏壓電路,電晶體 β = 99,VBE = 0.7 V。若 IB = 40 μA,則電阻 R 為多少? (A) 45 kΩ (B) 65 kΩ (C) 110 kΩ (D) 230 kΩ
28. 如圖(十五)輸入為正弦波之放大器,示波器觀察輸出電壓的負半週有失真現象。若要避免此失真,應做下列何種調整? (A)降低 R1 (B)降低 R2 (C)增大 RC (D)降低 RE
29. 如圖(十六)電路,β=100,VBE = 0.7V。當 Vi =100sin(377t) mV 時,則輸出電壓擺動範圍為何? (A) 3 V~7 V (B) 1 V~6 V (C) 2 V~7 V (D) 2 V~6 V
30.如圖(十七)放大器,JFET 之 IDSS =16 mA,夾止電壓 VGS(OFF) = - 4V。則交流信號電壓增益為何? (A) -3 (B) -4 (C) -5 (D) -6
31. 如圖(十八)電路,運算放大器正負飽和電壓為 +10 V 與 -10 V。已知輸出轉態上臨 界電壓為 6 V,則下臨界電壓為何? (A) - 4V (B) -2V (C) 0V (D) 1V
32. 如圖(十九)振盪器電路,運算放大器輸出飽和電壓為 +12 V 與 -12 V,下列敘述何者錯誤? (A)方塊 A 電路為積分器 (B)方塊 B 電路為正回授非反相施密特(Schmitt) (C) VO1 為峰對峰值 R3(24 V)/R2 三角波 (D) VO2 為峰對峰值 24 V 方波
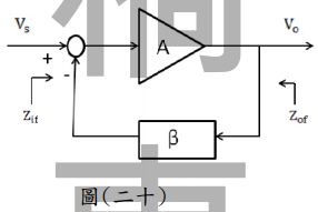
33.電壓串聯負回授放大器如圖(二十)所示,電路參數為 A = −100 , Ri = 10KΩ , Ro = 20KΩ,β = −0.1 ,則輸入阻抗 Zif 和輸出阻抗 Zof 各為若干? (A) Zif = 90KΩ和 Zof = 1.2KΩ (B) Zif = 95KΩ和 Zof = 1.52KΩ (C) Zif = 100KΩ和 Zof = 1.62KΩ (D) Zif = 110KΩ和 Zof = 1.82KΩ
34. 如圖(二十一)所示之電路,假設其理想運算放大器工作於線性區,若欲得到輸出電壓 值 Vo = V1 + V2 + V3 + V4,則 RF 之值應設定為多少? (A) 0.5R (B) R (C) 2R (D) 3R
35. 如圖(二十二)所示電路中, R = 1KΩ 時,IZM 為通過齊納(Zener)二極體之最大電流, 試求可使齊納二極體維持正常工作之RL的範圍為多少?(A) 125Ω < RL < 2.5KΩ (B) 250Ω < RL < 1.25KΩ (C) 500Ω < RL < 2.5KΩ (D) 200Ω < RL < 1.25KΩ
36. 如圖(二十三)所示三相平衡交流電壓經過一個三相全波二極體橋式整流電路連接至 一個100Ω電阻器負載,若三相電壓之相電壓峰值為 180V,且二極體為理想元件, 下列何者選項錯誤? (A) 每一瞬間都有2 個二極體導通 (B) 負載的直流電壓約為 250V (C) 一個週期中每個二極體導通120o (D) 通過每一個二極體的峰值電流約為3.12A
38. 如圖(二十四)的 NAND 電路,以三用電表量測結果如下:(1)開關 SW「OFF」,三用 電表顯示 −0.1mA 。(2)開關 SW「ON」,三用電表顯示 20μA,經查此編號 IC 的邏 輯閘 IOH = 1mA , IOL = 10mA ,試求其扇出數為? (A) 50 (B) 60 (C) 70 (D) 80
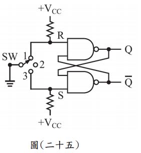
39. 如圖(二十五)所示,圖中 SW 的位置變化為 1→2→3,則Q̅ 點變化為? (A) 0→0→1 (B) 1→1→0 (C) 0→1→1 (D) 1→0→0
40. 如圖(二十六)所示為計算機控制馬達轉速示意圖,來自 DAC 的 0~2mA 類比電流經 由放大器放大後以控制 0~1000rpm 的馬達轉速。如果計算機所能控制馬達轉速之步 級值不大於 2rpm,求 DAC 所需的位元數?(A) 7 (B) 8 (C) 9 (D) 10