所屬科目:基本電學(概要)
4.有一電路如【圖 4】所示,則 VA=? (A) 40V (B) 30V (C) 20V (D) 10V
5.有一電路如【圖 5】所示,則 R1+R2=? (A) 30Ω (B) 20Ω (C) 10Ω (D) 5Ω
7.有一電路如【圖 7】所示,則 R=? (A) 5Ω (B) 8Ω (C) 10Ω (D) 20Ω
8.有一電路如【圖 8】所示,則總電壓 E=? (A) 45V (B) 60V (C) 75V (D) 90V
9.有一電路如【圖 9】所示,則 AB 兩端的總電容值 CAB=? (A)15μF (B) (C) (D)80μF
11.有一線圈其電感量為 10H,假設有一如【圖 11】所示的電流通過該線圈,t=0.5 秒時,線圈的感應電勢大小|e|為多少? (A) 0V (B) 5V (C) 10V (D) 20V
12.如【圖 12】所示電路,開關已經閉合一段時間。開關 S 打開瞬間,流經 4kΩ 的電流大小為多少? (A) -2.5mA (B) -2mA (C) 2.5mA (D) 2mA
13.如【圖 13】所示電路,開關已經打開一段很長的時間,電感器無任何儲能,當開關於 t=0 秒時閉合,則 t=4ms 時, V6Ω=?(e-1=0.368 e-2=0.135 e-3=0.05 e-4=0.018) (A) 8.65V (B) 6.32V (C) 3.68V (D) 1.35V
14.如【圖 14】所示電路,開關 S 閉合後且電路已達穩定狀態,則 IL、VC各為多少? (A) 5A、10V (B) 4A、20V (C) 5A、20V (D) 0A、0V
15.有一電路如【圖 15】所示,,則此電壓波形的平均值為多少? (A) 1V (B) 2V (C) 3V (D) 4V
16.有一電路如【圖 16】所示,則 Z=? (A)4+j8Ω (B)4-j2Ω (C)2+j8Ω (D)2-j2Ω
18.有一電路如【圖 18】所示,則 VC=? (A) 100V (B) 70V (C) 50V (D) 10V
21.有一電路如【圖 21】所示,則 I=? (A) 4A (B) 3A (C) 2A (D) 1A
22.有一電路如【圖 22】所示,則總電流 I=? (A) 22A (B) 18A (C) 13A (D) 9A
23.有一電路如【圖 23】所示,則 R1+R2 =? (A) 8Ω (B) 10Ω (C) 12Ω (D) 16Ω
24.有一多範圍電流表如【圖 24】所示,表頭滿刻度電流為 1mA,電表內阻為 10Ω,則 R2=? (A) 2.5Ω (B) 2Ω (C) 1.11Ω (D) 1Ω
26.有一電路如【圖 26】所示,則 I=? (A) (B) (C)1A (D)
27.有一電路如【圖 27】所示,請計算等效並聯 RC 電路之 RP、XP各為多少歐姆? (A) RP =12.5Ω、XP =25Ω (B) RP =10Ω、XP =5Ω (C) RP =8Ω、XP =4Ω (D) RP =2Ω、XP =4Ω
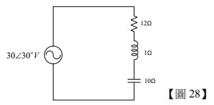
28.有一電路如【圖 28】所示,則電路總虛功率為多少? (A) 24VAR (B) 36VAR (C) 48VAR (D) 72VAR
29.有一電路如【圖 29】所示,則電路總有效功率 PT=? (A) 2000W (B) 1600W (C) 1500W (D) 1200W
33.有一電路如【圖 33】所示,求 Vx 電壓為多少? (A) 20 V (B) 10 V (C) 30 V (D) 15 V
34.有一電路如【圖 34】所示,求戴維寧等效電路 Eth與 Rth之值為多少? (A) Eth =5V,Rth =10Ω (B) Eth =20V,Rth =10Ω (C) Eth =10V,Rth =20Ω (D) Eth =(-10)V,Rth =20Ω
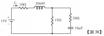
38.有一電路如【圖 38】所示,在電路穩定後,其 Is 為多少安培? (A) 0A (B) 0.25A (C) 0.6A (D) 0.83A
41.有一電路如【圖 41】所示,電壓 v(t)=100sin(500t+60°)V,求電路之功率因數為多少? (A) 0.506 (B) 0.6 (C) 0.707 (D) 0.8
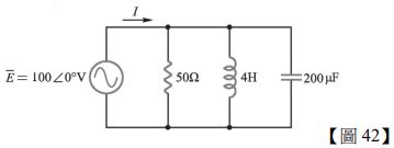
42.有一電路如【圖 42】所示,諧振時電流 I 為多少? (A) 0A (B) 0.5A (C) 1A (D) 2A
43.有一電路如【圖 43】所示,則其諾頓等效電路之 Ith與 Rth分別為多少? (A) 5A,5Ω (B) 7.5A,8Ω (C) 10.63A,6Ω (D) 20A,9Ω
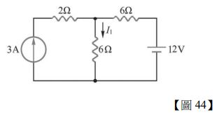
44.有一電路如【圖 44】所示,求電流 I1 為多少? (A) 1A (B) 1.5A (C) 2.5A (D) 3A
45.有一電路如【圖 45】所示,R-L-C 並聯電路,已知電源電壓 v(t)=100sin(1000t+30°),R=20Ω,L=10mH,C=50μF, 求此電路的總阻抗 Z 為多少? (A) (5-j5)Ω (B) (10-j10)Ω (C) (10+j10)Ω (D) (5+j5)Ω
46.有一電路如【圖 46】所示,開關置於 1 位置,經過 60 秒後再將開關撥至 2 位置,求開關撥至 2 接通的瞬間,i 及 vL分別為多少? (A) i=10mA、VL =20V (B) i=(-10)mA、VL =20V (C) i=10mA、VL =(-20)V (D) i=(-10)mA、VL =(-20)V
47.某一交流電路其 v(t)=100sin(1000t+10°) V,i(t)=10sin(1000t-50°) A,求電路的平均功率 P 為何? (A) 250W (B) (C) 500W (D)
48.如【圖 48】所示,,電流 I 之有效值為多少? (A) 2A (B) 4A (C) 5A (D) 7A
49.有一三相平衡電路如【圖 49】所示,若電源線電壓之有效值 ,負載阻抗 ZL=8+j6,則三相負載的總 平均功率為何? (A) 2.4kW (B) 3kW (C) 7.2kW (D) 9kW