所屬科目:北水◆電機機械及電力系統
6.一部單相 110/220 V 的變壓器,一次側接到 110 V 的交流電源,二次側連接一個 44 Ω的電阻如【圖 6】 所示,一次側的電流 Is為何? (A) 2 A (B) 5 A (C) 10 A (D) 20 A
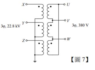
7.三部 13.2-kV/380-V 的單相變壓器連接成【圖 7】的電路,低壓側連接 250 kVA 的三相負載時,高壓 側的線電流為何? (A) 219 A(B)380 A (C) 7.5 A (D) 6.3 A
16.如【圖 16】所示為雙值電容單相感應電動機的等效電路,下列敘述何者正確? (A)啟動時開關 SW 閉合,以 C1+C2 之電容值啟動,運轉時開關 SW 則開啟 (B)啟動及運轉時開關 SW 均開啟,煞車時開關 SW 閉合 (C)啟動時開關 SW 開啟,運轉時開關 SW 閉合以 C1+C2 之電容值運轉 (D)當功率因數過低時開關 SW 閉合,功率因數達 0.75 以上時開關 SW 開啟
17.「史坦梅茲接法」是使用單相交流電源驅動三相感應電動機的一種方法,如【圖 17】所示:電動機 的任兩端點接至單相電源,第三個端點則經由一只適當的電容器連接到電源其中的一個端點。在【圖 17】 的電路中,如果要使該電動機逆轉,必須: (A)將電源端點 U、W 對調 (B)將電容器跨接於 U、W 端點 (C)將電容器跨接於 U、V 端點 (D)將電容器反轉後,仍接於 V、W 端點
21.兩部 60Hz,6.6 kV/380 V,25 kVA 的單相變壓器,連接成【圖 21】的電路傳輸三相電力,此變壓器 組的三相總容量為何? (A) 25 kVA (B) 43.3 kVA (C) 50 kVA (D) 75 kVA
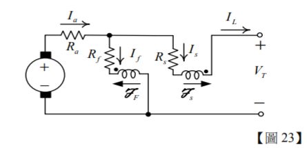
23.如【圖 23】所示之直流發電機為何? (A)短並式差複激發電機 (B)短並式積複激發電機 (C)長並式差複激發電機 (D)長並式積複激發電機
25.直流電機中,補償繞組所通過的電流為何? (A)電樞電流 (B)電樞電流的 倍 (C)電樞電流的 1/倍 (D)分激磁場電流
27.一部三相同步發電機之激勵電壓(excitation voltage)為 1.1 p.u.,端電壓為 1.0 p.u.,同步電抗 0.4 p.u., 功率角 δ = ° 30 ,則該發電機輸出之電功率為何? (A) 1.25 p.u. (B) 1.375 p.u. (C) 1.45 p.u. (D) 1.625 p.u.
29.參考如【圖 29】所示之磁路,繞組 N1=150 匝、N2=100 匝,氣隙 g1=1.0mm、g2=2.0mm,兩氣隙截面積皆為 A=30 cm2。鐵心之磁阻可不計( ),兩繞組間的互感值為何? (A) 12.53 mH (B) 18.85 mH (C) 28.35 mH (D) 35.24 mH
30.一部他激式直流發電機,轉速 1800rpm、激磁電流 2.1A 時,無載端電壓為 720V。若激磁特性為線 性,則此發電機在轉速 1500 rpm、激磁電流 1.4 A 時,無載端電壓為何? (A) 200V (B) 300V (C) 400V (D) 500V
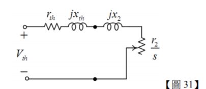
31.一部 220V,60Hz,10hp,三相四極 Y 接之感應電動機,定子側經戴維寧定理簡化後之每相等效電 路如【圖 31】所示,其中 Vth=123V,rth=0.35Ω,xth=0.46Ω,x2=0.47Ω,r2=0.1896Ω,s 為轉差率。此電動 機發生最大轉矩時的轉差率 smaxT為何? (A) 0.191 (B) 0.182 (C) 0.123 (D) 0.085
32.有一繞有 200 匝線圈的鐵心,若已知鐵心中的磁通為,則在線圈兩端產生的感 應電壓為 ,請求出 X 之值為何? (A) 4540 (B) 5540 (C) 6540 (D) 7540
33.如【圖 33】所示,有一長度為 5m 的導體,以 2m/s 的速度在磁場中向右移動。已知磁通密度 B 為 1T、方向指向紙外,求感應電壓大小為多少伏特? (A) 0.433 (B) 0.866 (C) 1.299 (D) 1.732