所屬科目:鐵路◆基本電學(概要)
⑷此電路之電容電壓vC(t ≥ 0) 之時間函數表示式為何?(5 分)
⑸如圖三,若加入一個理想二極體於電路中,請計算此電路之電阻消耗功率為何?(5 分)
四、⑴如圖五,當 a、b 兩端點為開路時,請計算 a、b 兩端點電壓差Vab。(5 分)
⑵如圖六,當 a、b 兩端點為短路時,請計算流經 a、b 兩端點電流Iab 。 (5 分)
⑶如圖七,當電感 100 mH 連接於 a、b 兩端點時,請計算其穩態電流 Iab 。 (5 分)
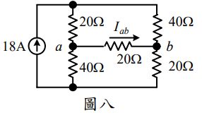
⑷如圖八,當電阻20Ω連接於 a、b 兩端點時,請計算其穩態電流 Iab 。 (5 分)