所屬科目:教甄◆電子科/資訊科/電機科/冷凍空調科/控制科/電機空調科
2. 布林函數 可化簡為 (A)A+BC (B)B+CD (C)C+AD (D)D+AB
3. 組合邏輯電路如圖(1)所示,其輸出 F 之表示為? (A) (B) (C) (D)
4. 如圖(2)三個放大電路中,圖 a 為無負載的放大器電路,圖 b 為有負載 電阻的放大器電路,圖 c 為有電源電阻及負載電阻的放大器電路。圖 a、 圖 b 及圖 c 的電壓增益分別為 AVa 、AVb 及 AVc 。三個圖中的電壓增 益由大到小為 (A)AVa >AVb>AVc (B) AVa AVa >AVc (C) AVb > AVa >AVc (D) AVc >AVb>AVa
7. 如圖(3)所示電路,求下列數值何者錯誤?(A)Va = 160V (B)i1 =8A (C)i2 =-0.4A (D)i3 =3.6A
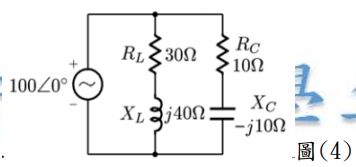
8. 在圖(4) 所示電路中,電源所供給之虛功率大小為多少乏(VAR)? (A) 340 (B) 50 (C) 660 (D) 480 (E) 165 (VAR)
9. 以下 C 程式片段,程式執行結果為何? (A) 4 (B) 9 (C) 16 (D) 25
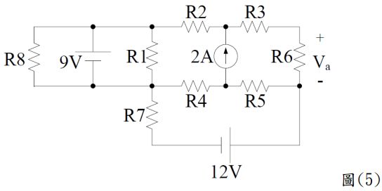
二、 問答(計算)題 80 分(每題 8 分,共 10 題) 1. 如圖(5)所示電路,若 R1=8Ω,R2=8Ω,R3=2Ω,R4=8Ω,R5=12Ω,R6=10 Ω,R7=20Ω,R8=6Ω,求 Va電壓?
2. 如圖(6)所示電路,請推導此電路之振盪頻率表示式及其產生穩定振盪 之條件。(無公式推導過程者,不予計分)
3. 如圖(7),若初值電壓 vc(0)=0V ,試求 t >0 時的電壓vc(t) 方程式。
4. 如圖(8)所示電路,已知運算放大器為理想元件,飽和電壓為 ±15V , R1=R2=2kΩ ,VR=2V ,請繪出「輸入電壓vi 對輸出電壓 vo 」之轉移特性 曲線圖,需標註各轉折點電壓值。
5. 如圖(9)電路,已知 β=100, VT=25mV ,Cμ=2pF ,Cπ= 4 pF ,求該放大 器的高頻截止頻率 f H。
8. 如圖(11)所示電路,欲使該電路產生諧振,則應並聯 C 之電容量為何? 及該電路的平均功率為何?
9. 請使用 JK 正反器設計一個不規則除 6 的同步計數,其計數順序 如圖(12):
10. 請依序寫出下列 C 程式片段的輸出結果。(每一組輸出結果答對 3 分, 全對 8 分)