所屬科目:教甄◆電子科/資訊科/電機科/冷凍空調科/控制科/電機空調科
1. 有一正弦波交流電流信號 i(t)=,則下列敘述何者錯誤? (A)峰值電流 Im=5A (B)頻率 f=50Hz (C)週期 T=20ms (D)有效值電流 Irms=5A 。
4. 如下圖所示電路,若 VZ=5V,則稽納二極體的消耗功率為多少?(不考慮稽納二極體的電阻) (A)125mW (B)375mW (C)360mW (D)500mW 。
8. 如下圖,集極電流之飽和值 IC(sat)為 (A)4mA (B)5mA (C)10mA (D)20mA。
12. 下列何者為增強型 PMOS,ID - VGS特性曲線圖? (A) (B) (C) (D) 。
13. 如下圖,當輸入電壓 Vin 為 12V 時,其輸出電壓 Vout 為 (A)12V (B)7.7V (C)5V (D)2.3V。
18. 圖中,Vi(t)=12sinωtV,稽納二極體之崩潰電壓 Vz1=6V,Vz2=15V,順向電壓降為 0V,則輸出波形 Vo(t)為 (A) (B) (C) (D)
19. 如圖的電路,二極體為理想二極體,若輸入電壓Vi(t)=6sin(200πt)V,當該電路狀態達穩定後, 則輸出之一週期電壓波形,下列何者正確? (A) (B) (C) (D)
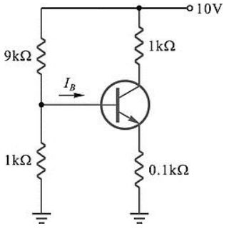
20. 如圖所示之電路中,雙極性接面電晶體的 VBE= 0.7V,β = 50,則 IB大小為何? (A)0.5mA (B)0.25mA (C)0.1mA (D)0.05mA
21. 如圖所示之電路,假設 VBE (on) = 0.7V,β = 80,試問 VCE約為下列何值? (A)1.4V (B)3.4V (C)5.4V (D)7.4V
22. 如圖所示之電路,電晶體的β =100,VBB= 6V,VCC=12V,RB =100kΩ,RC=1kΩ,VBE= 0.7V,則VCE約為何? (A)5.3V (B)6.0V (C)6.7V (D)7.4V
23. 如圖所示之電路,集極負載電阻應為 (A)800Ω (B)400Ω (C)200Ω (D)250Ω
24. 如圖所示之達靈頓對(Darlington Pair)放大器,已知其兩個電晶體特性相同,若 hoe hfe RE≦0.1, 其電流增益及輸入阻抗分別為何? (A)400,400kΩ (B)400,20kΩ (C)40,40kΩ (D)40,400kΩ
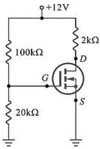
26. 如圖所示電路,已知 MOSFET 的臨界電壓 VT =3V,則電壓 VDS 為多少? (A)0V (B)4V (C)8V (D)12V
27. 如圖所示,已知 MOSFET 之互導gm =2mA/V,汲極電阻rd =95kΩ,則其電壓增益為 (A) -9.5 (B) -19 (C) -38 (D) -57
31. 如圖所示電路 ,設D1、D2為理想二極體,試求 Vo=? (A) 1V (B) 2V (C) 3V (D) 4V
34. 如圖所示電路,VS為 100V 的交流電壓,在無負載情況下,Vo=? (A) 100V (B) 141V (C) 200V (D) 282V
35. 如圖所示電路,電容的電壓波形近似為何? (A) 方波 (B) 正弦波 (C) 三角波 (D) 脈波
2.如下圖電路,已知電源±VCC =±15V,若 Vs = 3V,R1 = 2kΩ , Rf =20kΩ ,試求輸出電壓 Vo=?VA = ?答案: