所屬科目:國中技藝-工業配線組
1. 如圖1所示,若電感在開關S閉合前已無儲能,且開關S在時間t = 0時閉合,請問在t = 0+時電感兩端的電壓及穩態時流過電感的電流大小為何? (A)50 V,1 A(B)50 V,0 A (C)100 V,0.5 A (D)50 V,0.5 A。
2. 在RLC串聯諧振時,XL = XC = 200Ω,電路中R = 8Ω,外加電壓為220 V,此時電感器之兩端電壓為何? (A)8.8 V(B)220 V (C)110 V (D)5500 V。
3. 如圖2所示,若vs1 = 200 V,vs2 = 40 V。請問流經8 電阻的電流I應為何?(A)0.5 A(B)1 A (C)2 A (D)4 A。
4. 如圖3所示之並聯電路化為等效串聯電路,則R和X 分別為多少歐姆? (A)R'=4Ω ,X '=2 Ω(B)R'=2Ω ,X '=4Ω (C)R'=0.2 ,X '=0.1 Ω(D)R'=0.1Ω ,X'=0.2Ω 。
5. 某電阻壓降為 ,若用交流電壓表量測此電阻壓降,則下列敘述何者正確? (A)電表與該電阻串聯,顯示220 V(B)電表與該電阻並聯,顯示200 V(C)電表與該電阻串聯,顯示 (D)電表與該電阻並聯,顯示220 V。
6. 以一具額定1000 W的電鍋煮飯2小時,而電費每度(kWh)3元,則需付出多少電費? (A)2元(B)3元 (C)6元 (D)8元。
7. 如圖4所示,以惠斯登電橋測量電纜接地故障,當G不偏轉時,求故障點之距離X為何?(A)10 km(B)15 km (C)20 km (D)25 km。
8.則V1為多少伏特? (A)1 V(B)3 V (C)7 V (D)10 V。
9. 承第8題,V2為多少伏特? (A)1 V(B)3 V (C)7 V (D)10 V。
10. 如圖6所示,開關 閉合時的充電時間常數為多少秒? (A)0.1秒(B)) 0.2秒 (C)0.4秒 (D)0.8秒。
11. 如圖7所示,求a,b間之等值電容量為多少? (A)4μF(B)6μF (C)8μF (D)10μF。
12. 有一電阻R = 50 Ω與一電容抗XC = 55 Ω之電容器組成的RC並聯交流電路。若外加電源電壓為 V,則流經電容器電流的有效值為何? (A)2 A(B) A (C)2.2 A (D) A。
13.電源所供給之虛功率為? (A)電阻性(B)電感性 (C)電容性 (D)以上皆非。
14. 承第13題,電源所供給之虛功率大小為多少乏爾(var)? (A))160(B))340 (C))500 (D))660。
15. 有一負載的端電壓為 V,流經此負載的電流為 A,求此負載的電阻值為多少歐姆? (A)2 Ω(B)2.5 Ω (C)4.5 Ω (D)5 Ω。
16. 有關於理想運算放大器電路,下列敘述何者正確? (A)輸出阻抗為零 (B)輸入阻抗非常小 (C)電壓增益為 (D)電壓增益為1。
17. 如圖9所示之理想運算放大器電路,若流經稽納二極體之電流IZ=1.5mA,運算放大器之飽和電壓為±15V,則R值為多少? (A)0.5 kΩ(B)1 kΩ (C)2 kΩ (D)3 kΩ。
18. 如圖10所示之電路,若二極體為理想二極體,則Vout為多少? (A)1.5 V(B)5 V (C)5.6 V (D)10 V。
19. 如圖11所示之電路及電晶體之特性曲線,若原工作點在E位置,欲修正工作點至C位置,則應如何? (A)減少RB (B)增加RB (C)減少RC (D)增加RC。
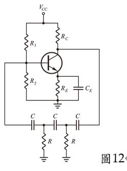
20. 如圖12所示之電路,是哪一種振盪器? (A)考畢子振盪器(B))韋恩電橋振盪器 (C)哈特萊振盪器 (D)相移振盪器。
21. 如圖13所示之電路,若場效電晶體操作在定電流區,則電壓增益約為多少? (A)-5(B)5 (C)-25 Ω(D)25Ω。
22. 下列關於MOSFET的敘述,何者錯誤? (A)MOSFET是電流控制元件(B)MOSFET之閘極與源極間直流電阻很大 (C)MOSFET有N通道及P通道兩種 (D)MOSFET有空乏型及增強型兩種型式。
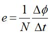
23. 如圖14所示之電路,若矽電晶體的β = 50,則輸入電阻Ri約為多少? (A)2 kΩ(B)80 kΩ (C)133 kΩ (D)400 kΩ。
24. 某電源供應器在未接負載時輸出電壓為10 V,接上滿載的負載後輸出電壓為8 V,則電壓調整率為多少? (A)20%(B)25% (C)30% (D)40%。
25. 要使LED正常發亮,需施加哪一種偏壓? (A)不一定(B)零偏壓 (C)逆向偏壓 (D)順向偏壓。
26. 單相感應電動機其定部線圈中,若通以正弦電流時,將產生大小相等、方向相反的兩旋轉磁場,設轉部對於正轉旋轉磁場之轉差率為S,則對於反轉旋轉磁場之轉差率應為 (A)S (B)2-S (C)-S (D)2+S。
27. 一台5kVA、2000 V / 100 V、60Hz之單相變壓器,低壓側短路,於高壓側加電源進行試驗,量測讀值瓦特表為250W、電壓表為125V、電流表為2.5A,則低壓側等效電阻約為何? (A)40 Ω(B)20 Ω (C)2 Ω (D)0.1 Ω。
28. 變壓器鐵心損失與銅損相等時,則 (A)效率最高 (B)效率最低 (C)全日效率最高 (D)全日效率最低。
29. 三相交流同步發電機,若輸出端短路,則短路電流相對於感應電勢相位約為 (A)同相 (B)90°越前 (C)90°滯後 (D)不一定。
30. 某110 V直流電動機,滿載時電樞電流為30 A,其電樞電阻為0.2 Ω,若在啟動時限制啟動電流為55 A,則啟動器應有電阻值為若干歐姆? (A)1.8 Ω(B)2 Ω (C)3.7 Ω (D)5 Ω。
31. 直流電機繞組中使用虛設線圈,其主要目的為何? (A)幫助電路平衡(B)改善功率因數 (C)節省成本 (D)幫助機械平衡。
32. 直流分激式(並激式)發電機運轉於額定電壓,如果發電機的轉速突然升高,若要維持發電機的輸出電壓為額定電壓,其調整方式為何? (A)減少負載(B)增加磁通 (C)減少磁通 (D)調整換向片的角度。
33. 單相5 kVA之變壓器,其鐵損100 W,滿載銅損150 W,在功率因數為1.0的情況下,16小時半載,8小時無載,則全日效率為何 (A)89%(B)93% (C)95% (D)99%。
34. 蔽極式單相感應電動機的蔽極線圈其作用是 (A))提高功率因數(B)提高效率 (C)減少起動電流 (D)幫助起動。
35. 50 Hz,12極,100 Hp同步電動機之滿載轉矩為 (A)1425 N-m(B)2125 N-m (C)3215 N-m (D)4225 N-m。
36. 直流分激式電動機,端電壓為200 V,電樞電阻為0.12 ,電樞電流50 A,滿載速率為1000 rpm,則無載時速率為 (A)890 rpm(B)1031 rpm (C)1125 rpm (D)1231 rpm。
37. 三台單相變壓器,匝數比皆為10:1,連接成三相變壓器組,一次側為Y接、二次側為△接,若二次側之線電壓為200 V,供應75 kVA三相平衡負載,求一次側線電流為 (A)10 A(B)12.5 A (C)25 A (D)37.5 A。
38. 法拉第定律(Faraday’s law)的感應電勢e、線圈匝數N及穿越線圈的磁通量對時間的變化率的關係,下列何者正確? (A) (B) (C) (D) 。
39. 當兩部同步發電機並聯運轉時,若要使系統頻率上升但不影響負載實功率分配,應該如何操作? (A)相同比例的增加兩部發電機之激磁電流(B))相同比例的減少兩部發電機之原動機轉速 (C))相同比例的增加兩部發電機之原動機轉速 (D)相同比例的減少兩部發電機之激磁電流。
40. 一台6極,60 Hz,三相220 V感應電動機,全壓起動時,起動電流為420 A,起動轉矩為300 N-m,若使用電抗器50%抽頭起動,則起動電流與起動轉矩分別為多少A與N-m (A)210A,75 N-m(B)210A,150N-m (C)105A,150N-m (D)105A,75N-m。
41. 一電感性電路,其電壓、電流相位關係為 (A)電流落後電壓(B)電壓落後電流 (C)電壓電流同相 (D)電壓電流相差180°。
42. 換裝雙浮球開關時,雙浮球間之距離 (A)視電壓大小作調整(B)視水槽深度作調整 (C)視電動機馬力數作調整 (D)視耗電量作調整。
43. 無熔線開關啟斷容量之選定依 (A)功率因數(B)線路之電壓降 (C)短路電流 (D)額定電流。
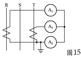
44. 如圖15所示,電流表A2指示之電流為 (A)無法判斷(B)T相 (C)R相 (D)S相。
45. 積熱電驛(Thermal Relay)之功用在保護 (A)絕緣不良(B)接地 (C)線路短路 (D)電動機過載。
46. 在未過載情況下,加大三相感電動機負載電流時 (A)轉差率小、轉矩小(B))轉差率大、轉矩小 (C)轉差率大、轉矩大 (D)轉差率、轉矩不變。
47. 在不通電的情況下,測量電磁接觸器之線圈是否正常,三用電表應撥在 (A)DCmA檔(B)歐姆檔 (C)ACV檔 (D)DCV檔。
48. 避雷器之英文縮寫為 (A)LA(B)CB (C)NFB (D)DS。
49. 低壓電路中漏電電流之單位為 (A)MA(B)kA (C)A (D)mA。
50. 無熔線斷路器標明100AF、75AT,其額定電流為 (A)175 A(B)100 A (C)75 A (D)25 A。