阿摩線上測驗
登入
首頁
>
國中技藝-工業配線組
> 111年 - 111 全國高級中等學校學生技藝競賽考試_工業類:工業配線#138315
111年 - 111 全國高級中等學校學生技藝競賽考試_工業類:工業配線#138315
科目:
國中技藝-工業配線組 |
年份:
111年 |
選擇題數:
50 |
申論題數:
0
試卷資訊
所屬科目:
國中技藝-工業配線組
選擇題 (50)
1. 3E電驛可作 (A)過載、短路、欠相 (B)過載、欠相、接地 (C)過載、逆相、欠相 (D)接地、過載、短路。
2.電度表(kWH)在使用時,配合比壓器(PT)及比流器(CT)。已知PT之 ,CT之,則實際量應將電度表之讀數乘以(A)200 (B)300 (C)400 (D)500 倍。
3.使用20/5 A的比流器及5 A電流表,測量電熱器之負載電流,下列何者不適用 (A)單相220 V,2 kW (B)三相220 V,3 kW (C)單相110 V,3 kW (D)三相110 V,2 kW。
4.裝電容器改善功因時,可改善 (A)安裝點之負載側 (B)安裝點之電源側 (C)安裝點附近 (D)安裝點之電源側及負載側 之功因。
5.無熔絲開關啟斷容量(IC)之選定是依 (A)功率因數 (B)使用額定電流 (C)線路之電壓降 (D)短路電流。
6.供電中之分段開關(DS)在何種情形下可操作? (A)有負載時 (B)無負載時 (C)短路時 (D)以上皆非 可操作。
7.某工廠受電盤中裝置有CO、LCO、UV、OV等電驛,如電源電壓緩慢下降,而至停電時,那只電驛會動作? (A)LCO (B)CO (C)UV (D)OV。
8.變壓器二次側接地的目的 (A)提高導磁率 (B)防止感電事故 (C)提高功率因數 (D)防止渦流損失。
9. 11.4 kV、100/5 A之CT,用於故障容量為250 MVA之地點,其耐電流倍數應採用 (A)125 (B)100 (C)75 (D)40 倍。
10.一般所稱四相一體過載保護電驛為 (A)CO+LCO+UV+OV (B)CO+CO+OV+ OV (C)CO+CO+CO+LCO (D)CO+CO+CO+OV。
11.第三種接地工程,電路對地電壓150 V以下者,該項接地電阻應保持在 (A)5 (B)10 (C)50 (D)100 以下。
12.某工廠有低壓電動機四台,最大一台之全載電流為40 A,其他三台之全載電流分別為20 A、10 A、10 A。選擇幹線之安全電流量應為 (A)90 (B)100 (C)160 (D)290 A。
13.避雷器之接地線截面積不得小於 (A)22 (B)14 (C)8 (D)5.5 。
14. PT二次側接地線的接地電阻應在 (A)100 (B)50 (C)10 (D)5 以下。
15.電容器之過電流保護額定,應為電容器額定電流之 (A)1.25 (B)1.35 (C)1.5 (D)6.25 倍。
16.導線之線徑大於多少平方公厘者得並聯使用? (A)8 (B)22 (C)50 (D)100 平方公厘。
17.有蓄電池於1.5分鐘內,其蓄電量由360庫侖降至270庫侖,則其電流為 (A)0.5 (B)0.75 (C)1 (D)1.5 A。
18.如圖1與圖2所示之兩電路互為等效電路,則以下何者正確? (A)R1=2 Ω (B)R2=3 Ω (C)R3=4 Ω (D)以上皆是。
圖1 圖2
19.下列何者不正確? (A)長度與截面積相等的導線,其電阻係數愈大,電阻值愈大 (B)銀比金的電阻係數小 (C)導體的電阻大小與長度成正比,與截面積成反比 (D)將一導線拉長6倍,則其電阻變為原來的6倍。
20.圖3電路中的IXY為何? (A)-2 (B)2 (C)-3 (D)3 A。
圖3
21.有一40毫庫侖的正電荷,由A點移至B點作功2焦耳,已知B點電位為80伏特, 則A點電位為多少伏特? (A)20 (B)30 (C)40 (D)50。
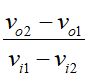
22.若有兩電壓分別為 V與 V,則之角速度為角速度之 (A) (B)2 (C)1 (D) 倍。
23.在100匝的線圈中,若磁力線於0.5秒內由1韋伯增加至4韋伯,則此線圈之感應電動勢為 (A)800 (B)600 (C)400 (D)200 V。
24.圖4電路中之T1為理想變壓器,且其一次側與二次側圈數分別為N1與N2。若欲使8 Ω電阻獲得最大功率,則為多少? (A) (B) (C)10 (D)。
圖4
25.如圖5所示之RLC並聯電路,若已知其功因為領先,則X為多少? (A)4 (B)6 (C)7 (D)12。
圖5
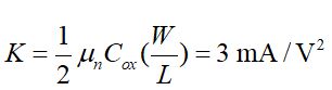
26.有一交流電路,若其 V, A,則此電路之功率因數為 (A)領先 (B)落後 (C)落後 (D)領先。
27.將角速度為200 rad/s、電壓為 V的交流電源加在5 mH電感器上,則其電流為多少? (A) (B) (C) (D) A。
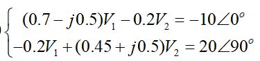
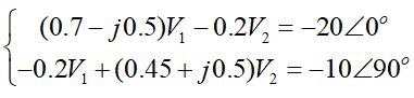
28.圖6電路中,何者為以V1與V2為變數所列之節點方程式?
(A)(B)
(C) (D)。
29.下列有關平衡三相電壓的敘述何者正確? (A)三相電壓的大小均相同 (B)三相電壓的瞬時值總和可以不為零 (C)三相電壓的相角均相同 (D)以上皆是。
30.為安全顧慮應加裝何種裝置於戶外或容易潮濕場所之電器迴路中 (A)電力熔絲 (B)過載保護開關 (C)無熔絲開關 (D)漏電斷路器。
31.有一平行板電容器外加一直流電源,所儲存能量為4焦耳。若將其平行板距離縮小為原來的一半,則能儲存能量為多少焦耳? (A)2 (B)4 (C)8 (D)16。
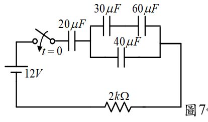
32.如圖7所示,若於t=0秒時,將開關閉合,試問此電路之時間常數為多少? (A)10 (B)20 (C)25 (D)30 ms。
圖7
33.圖8所示電路,若I=0時,R為多少? (A)2 (B)3 (C)4 (D)5 Ω。
圖8
34.起動大型鼠籠式感應電動機,為何用Y-△變換起動 (A)縮短起動時間 (B)使起動電流不致於太大 (C)穩定速度 (D)以上皆非。
35.某四極50 Hz的三相感應電動機,滿載之轉差率為0.03,則滿載時定子旋轉磁場對轉子之速率為 (A)45 (B)450 (C)150 (D)1500 rpm。
36.下列對於二極體的敘述何者不正確 (A)用於整流時,主要功用是維持電流路徑單向導通 (B)稽納二極體可用於穩壓 (C)蕭特基二極體的順向導通電壓較大 (D)蕭特基二極體的導通與截止速度相當快。
37.電晶體在數位電路中主要用途是 (A)放大 (B)整流 (C)震盪 (D)開關。
38.電晶體的參數β為99,則其參數α為 (A)0.9 (B)0.99 (C)0.999 (D)0.09。
39.下列對於電晶體與金氧半場效電晶體之敘述何者正確? (A)兩者均為電流控制元件 (B)兩者均為電壓控制元件 (C)電晶體為電壓控制元件,金氧半場效電晶體為電流控制元件 (D)電晶體為電流控制元件,金氧半場效電晶體為電壓控制元件。
40.使用在相同弦波電源下,下列對於半波整流濾波與全波整流濾波之敘述何者不正確? (A)全波整流濾波的漣波頻率為半波整流濾波的2倍 (B)相同負載下,全波整流濾波的電壓漣波比半波整流濾波的電壓漣波大 (C)負載增加時,則兩者之電壓漣波亦隨之增加 (D)增加濾波電容的容量,能使兩者之電壓漣波獲得改善。
41.圖9之電晶體電路,其電壓增益約為 (A)65 (B)50 (C)25 (D)10。
圖9
42.對於運算放大器的共模拒斥比(CMRR)何者不正確? (A)共模拒斥比通常以dB值表示 (B)共模拒斥比愈大抑制雜訊能力愈好 (C)共模拒斥比為共模增益與差模增益的比值 (D)理想運算放大器的共模拒斥比可視為無窮大。
複選題
43.圖10所示之電路,若運算放大器的特性是理想的,則約為 (A)-12 (B)12 (C)-3.3 (D)3.3 V。
圖10
44.下列對於運算放大器(OPA)的轉動率(slew rate)敘述何者不正確? (A)處理頻率愈高的信號要選用轉動率愈小的OPA (B)轉動率的單位為V/μs (C)轉動率愈大OPA的操作速度愈快 (D)輸出波形若受到轉動率限制,則會造成失真。
45.圖11所示之電路,若運算放大器的特性是理想的。Vx 之電壓經分壓為0.5 V,若將Vx 之電壓直接以導線接至a點,則Vy 之電壓應為多少? (A)-3.5 (B)3.5 (C)-3 (D)3 V。
圖11
46.以下對於二極體的逆向飽和電流的敘述何者不正確? (A)鍺二極體比矽二極體的逆向飽和電流大 (B)逆向飽和電流與溫度有關 (C)所施加的逆向偏壓愈大,逆向飽和電流愈大 (D)逆向飽和電流與接面截面積有關。
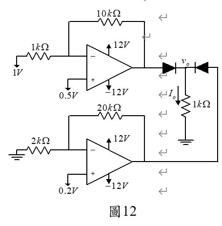
47.圖12所示之電路,若運算放大器的特性是理想的,且二極體的順向導通電壓為0.7 V,則Io 應為多少? (A)1.5 (B)2 (C)2.5 (D)3 mA。
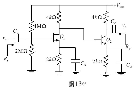
48.圖13所示電路為E-MOSFET共源極與BJT共射極串接的BIMOS放大電路,若、、、,則輸入阻抗與輸出阻抗約為多少? (A)、 (B)、 (C)、 (D)、。
49.圖14所示電路中,若與的參數,則此電路之電壓增益應為多少? (A)-24 (B)24 (C)-18 (D)18。
圖14
50.圖15電路之MOSFET互相匹配,兩電晶體之參數 、臨界電壓 。電阻。若G與D開路,則汲極電流應為多少? (A)2.25 (B)1.125 (C)0.25 (D)0.125 。
申論題 (0)
相關試卷
114年 - [無官方正解]114 全國高級中等學校學生技藝競賽考試_工業類:工業配線#138007
114年 · #138007
113年 - [無官方正解]112 全國高級中等學校學生技藝競賽考試_工業類:工業配線#138205
113年 · #138205
113年 - 113 全國高級中等學校學生技藝競賽考試_工業類:工業配線#138122
113年 · #138122