所屬科目:基本電學(概要)
一、若有一個 560 Ω電阻器連接至某一電路,如圖 1 所示,流經該電阻器之 電流為 45.2 mA。請計算此一電阻器上的電壓以及所消耗的功率。 (15 分)
二、請計算圖 2 之電流 i1 與 i2 數值。 (25 分)
三、試求圖 3 電路之 v(0+)與 i1(0+),其中 v(0-) = V0。(30 分)
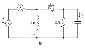
四、在圖 4 所示之電路中,若電容器電流 iC(t) = 2 cos(2t + 28o)A 且電感器電流 iL(t) = 3 cos(2t + 53o)A,試求電流 iS(t)。(30 分)