所屬科目:國營事業◆1.大地工程學 2.結構設計
二、如【圖 1】所示,某建地擬興建兩棟大樓,一為 11 層(包含地上 11 層及地下室 3 層), 一為 19 層(包含地上 19 層及地下室 5 層),兩棟大樓相距甚遠,基礎均為筏式基礎。地 表至深 20 m 為砂礫,下為 4 m 厚黏土,再下為粗砂,地下水在地表下 20 m 深。地表上 原有 5 m 之覆蓋層,現因建設而移除。黏土單位重 γ1 =2 tf/m3,初次受壓之壓密指數 (Virgin Compression Index) Cc=0.2,回脹指數(Swell Index) Cs=0.05,孔隙比 e0=0.8,砂礫 單位重 γ2=2 tf/m3。11 層大樓基礎尺寸為 20 m✖60 m,挖深 10 m。19 層大樓基礎尺寸為 40 m✖80 m,挖深 15 m。假設大樓每層平均重 2.5 tf/m2,不考慮其他荷重;壓力傳遞方 向為 2:1 (垂直:水平)。請分別求出這兩棟大樓因黏土壓密所發生之沉陷量(計算至小 數點後第 2 位,以下四捨五入)。(20 分)
三、如【圖 2】所示,某一黏土層垂直開挖深 10 m,以鋼板樁分三層支撐,深度分別為地表面 下 1 m、4 m 及 7 m,最大水平間隔為 5 m,試求各層支撐之軸向力,並繪製 Peck 建議之 外視土壓力圖(Apparent Earth Pressure Envelopes)(計算至小數點後第2位,以下四捨五入)。 (15 分)
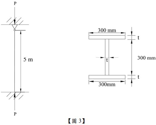
四、如【圖 3】所示,柱斷面由 3 塊 300 mm✖t mm 之鋼板組成。若 Fy=2500 kgf/cm2, ES=2100 tf/cm2,受軸力 P=150 tf,試以容許應力設計法(ASD)求鋼板最經濟厚度 t (以 1 mm 為最小進位,計算至小數點後第 2 位,以下四捨五入)。(15 分)
五、有一矩形鋼筋混凝土單筋梁如【圖 4】所示,配置 5-D32 拉力鋼筋及 D13 箍筋,混凝土強 度f'c =280 kgf/cm2,鋼筋降伏強度fy =4200 kgf/cm2,保護層為 4 cm,試檢核該拉力鋼筋配 置是否符合規範裂縫控制規定(計算至小數點後第 2 位,以下四捨五入)。(15 分)
六、某鋼筋混凝土耐震柱塑鉸區內之斷面如【圖 5】所示,柱尺寸為 60 cmൈ80 cm,保護層為 4 cm, 主筋使用 16-D25,圍束筋配置採矩形閉合箍筋、x向 1根繫筋及 y向 2根繫筋,箍筋與繫筋均為 D13@10 cm,繫筋一端為 90 度,一端為 135 度耐震彎鉤之型式。混凝土強度 f'c= 280 kgf/cm2, 主筋為 D25 之fy =4200 kgf/cm2,箍筋與繫筋 D13 之 =2800 kgf/cm2。已知柱因數化軸壓滿足 Pu≤0.3f'c Ag要求,試檢核塑鉸區圍束筋是否滿足耐震規範規定(x向與 y向都要滿足,計算至小數 點後第 2位,以下四捨五入)。(20分)