所屬科目:機械製圖
1. CNS 標準,尺度標註箭頭之夾角應為? (A)15˚ (B)20˚ (C) 25˚ (D) 30˚
2. A4 裝訂式圖框,左側之圖框線距紙邊應為? (A)10mm (B)20mm (C)25mm (D)30mm
3. 如左圖所示表面織構符號之位置 b,代表為何? (A)表面紋理方向 (B)下限界之限界值 (C)加工欲度 (D)對兩個或更 多表面織構之要求事項
4. 當箭頭對邊有銲接特徵時銲接符號應標在何處? (A)引線上 (B)基線上 (C)副基線上 (D)尾叉上
5. 表面織構符號之粗糙度範圍 Ra 2.0-6.3,應屬於? (A)光胚面 (B)粗切面 (C)細切面 (D)精切面
6. 當中心線與虛線重疊時,工程圖應如何正確繪製重疊線條? (A)只劃中心線 (B)只劃虛線 (C)中心線及虛線重疊畫出即可 (D)凸 出之中心線,斷開中間重疊只劃虛線
7. 有關銲接符號,若遇其中一件須開槽時,下列敘述何者正確? (A)銲接符號應標在副基線上 (B)銲接符號應標在基線上方 (C)銲接 符號應標在基線下方 (D)箭頭應指向須開槽之銲接件
( )1.工程圖中尺度標註之箭頭,下列何者屬正確且有可能發生? (A) (B) (C) (D)
( )2. CNS 3 規定尺度標註之指線,下列敘述何者為正確? (A)以細實線繪製,指示端帶有箭頭與水平線呈傾斜 (B)尾端為一水平線 作為註解用 (C)註解可置水平線之尾端 (D)不得用以標註尺度,僅專用 於註解
( )3.下圖幾何公差及表面織構符號之標註,何者為正確? (A) (B) (C) (D)
( )4. 下列何者屬於 A0 裝訂式標準圖紙之延伸尺度? (A)1189x1320 (B)1189x1486 (C)1189x1690 (D)1189x1738
5. 有一外徑 8mm 的公制螺紋標註,下列敘述何者可能正確? (A)M8 (B)M8x1(C)M8x1.25 (D)M8x1.5
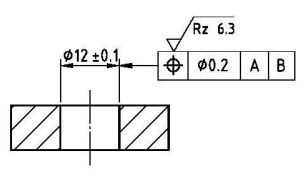
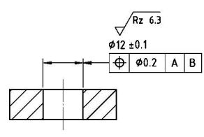
6. 左圖之表面織構符號,下列敘述何者正確? (A)表面粗糙度算術平均偏差 3µm (B)16%-規則 (C)0.8mm 為傳輸波 域取樣長度 (D)評估長度為 2.4mm
7. 工程圖中公差配合之標註,下列何者正確? (A) (B) (C) (D)
8. 在工作圖中須註記視圖名稱時,下列寫法何者屬正確? (A) 剖面 A-A (B)X (S 5:1) (C)Z (D)A1,A2
9. 有關銲接符號之尾叉,下列敘述何者為正確? (A)尾叉在基線之另一端成 60˚之開叉,且對稱於基線 (B)尾叉在基線之另一端成 90˚之開叉 (C)尾叉係供註解或特殊說明之用 (D)尾叉無 註解或特殊說明時可省略
10. 有關幾何公差之公差框格的第三格,下列敘述何者為正確? (A)可填入公差數值,其數值若為直徑前須加一 Ø 符號 (B)可填入幾 何公差符號 (C)須標註時可填入幾何公差一個或多個基準符號 (D) 無須標註時可省略
A0:水平_____1_____mm,垂直______2_____mm
A1:水平______3_____mm,垂直______4_____mm
A2:水平___________mm,垂直__________mm
A3:水平___________mm,垂直___________mm
A4:水平___________mm,垂直___________mm
:________________________
:_______________________
:_________________________
3. a:____________________
b:__________________
c:____________________
4. 銲接符號由下列所組成,但可視實際情況將不需要之項目予以省略:____________________,____________________,____________________, ____________________及____________________等
5. 工程圖中之尺度標柱,為了表示機件間之相互關係,尺度分為三種如下:________________尺度,________________尺度,________________尺度
4. 銲接符號由下列所組成,但可視實際情況將不需要之項目予以省略: _______1_______,_______2______,_______3______, _________4_______及_____5___等*
四、補圖 5% (已知前視及右側視圖,補畫俯視圖請直接畫在試卷上)
五、加分問答題 5% (請寫下您對此次競賽之感想與建議,謝謝!)