所屬科目:機械製圖
2. 如圖(1)所示,物塊A重50N,物塊B重100N,B與平面間之摩擦係數為0.35,A與B 間摩擦係數為0.2,欲使A向左移動所需最小力F為 (A) 44N (B) 52.2N (C) 69N (D) 78N
4. 如圖(2)所示,馬達轉速1470rpm產生之扭矩為900N-m,己知齒輪B輸出之扭矩為300N-m,試求BC軸輸出馬力數多少PS?
(A) 40πPS (B) 50πPS (C) 60πPS (D) 70πPS
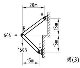
5. 如圖(3)所示,試求AB桿及BC桿所受之力為多少?
(A) =-120N(壓力),=60 N (張力) (B)=-80N (壓力),=120N(張力) (C) =100N(張力),=-50N (壓力) (D) =150N(張力),=-60 N (壓力)
6. 試判別平面運動鏈,如圖(4)所示,下列敘述正確
(A)運動鏈皆為機構,各桿件都能產生預期相對運動 (B)此運動鏈為拘束運動鏈 (C)機件數N=8,對偶數P=9 (D)此運動鏈為無拘束運動鏈
18. 以割面切割直立圓錐時,下列何種切割方式所形成之曲線為「橢圓」? (A) (B) (C) (D)
19. 如圖(5)表面織構符號,下列敘述何者正確?
(A)「a」為兩個或更多表面織構要求 (B)「b」為表面紋理及方向 (C)「c」為加工方法或表面處理 (D)「d」為加工裕度
2. 如圖(6)所示之危險截面處,T型樑之底部曲彎應力為多少kg/cm 2 (四捨五入取整 數)?(6分)
6. 如圖(7)所示,一塊狀制動機構,其中輪鼓直徑d=40cm順時鐘旋轉,輪鼓與 制動塊間摩擦係數 μ= 0.4, a= 25cm、 b= 40cm、 c= 60cm,若煞車需 17600N-cm,則制動外力P為多少N?(6分)
9. 圖(8)為高速鋼外徑車刀立體圖,請依正投影及第三角法繪製三視圖,箭頭方向 為前視圖方向。(儀器或手繪製均可)(6分)
10. 如圖(9)所示,請依等角投影圖或等角圖原理繪製下列三視圖之立體圖。(儀器 或手繪製均可)(6分)