所屬科目:統測◆02動力機械群◆(一、二)引擎原理及實習
2. 關於引擎發動與調整,甲:「連接電瓶電源時,先接正極線再接負極線」;乙:「引擎 試動前,應先檢查引擎冷卻水量、機油量、汽油量」;丙:「採用電子節氣門的引擎, 怠速調整是利用怠速控制閥旁通道螺絲調整」;丁:「判讀診斷電腦頁面如圖 ( 一 ) , 點火正時是上死點前8°」,針對上述說法,下列何者正確? (A) 甲正確、丙正確 (B) 乙正確、丙正確 (C) 丙錯誤、丁錯誤 (D) 乙正確、丁正確
4. 圖(二)為引擎氣門間隙調整示意圖,下列敘述何者正確? (A) 工具( A )為鯉魚鉗 (B) 工具( B )功用為固定住氣門舉桿 (C) 工具( A )使用目的是固定凸輪軸 (D) 圖中引擎為SOHC氣門機構
5. 圖(三)為檢查活塞和活塞銷間隙之修護手冊規範,依圖示資料判斷,下列敘述何者正確? (A) 量測dp=18.997mm、Dp=18.989mm,不需要更換活塞和活塞銷 (B) 量測dp=18.998mm、Dp=18.990mm,不需要更換活塞和活塞銷 (C) 量測dp=18.997mm、Dp=18.991mm,需更換活塞和活塞銷 (D) 量測dp=18.998mm、Dp=18.996mm,需更換活塞和活塞銷
7. 圖(四)為可變電阻式節氣門位置感知器線路圖,在車輛電源開啟測試條件下,甲:「使用量測工具測量Y與B兩線頭間可測得感知器訊號電壓」;乙:「拆開感知器接頭,測量P/L線 與 B 線線束端接頭,約有 5 V 電壓差」;丙:「拆開感知器接頭,測量感知器端子 1 號與3號,若阻抗無限大,表示感知器正常」,針對上述說法,下列何者正確? (A) 甲正確、丙正確 (B) 甲錯誤、丙錯誤 (C) 乙正確、丙錯誤 (D) 乙正確、丙正確
8. 圖(五)為汽油引擎汽油泵的控制電路圖,當點火開關轉到ST起動馬達運轉時,量測檢查點 a 電壓約為 0 V;檢查點 b 的電壓為 12 V,此時汽油泵沒有作動,則可能的故障為下列哪一項? (A) 汽油泵故障 (B) 繼電器線圈損壞 (C) 引擎ECM故障 (D) 保險絲損壞
15. 圖(六)為拆胎機,圖中編號分別為①壓胎夾、②拆裝頭、③夾頭、④轉盤,當進行輪胎分解時,操作此四個部分的先後順序,下列何者正確? (A) ①→ ②→ ③→ ④ (B) ①→ ②→ ④→ ③ (C) ①→ ③→ ②→ ④ (D) ①→ ③→ ④→ ②
18. 圖(七)所示的夾鉗為碟式煞車維修工具,在進行下列何種作業時需要使用? (A) 分泵卡鉗拆卸(B) 分泵活塞分解 (C) 煞車間隙調整 (D) 煞車來令片更換
20. 圖(八)為滑柱式懸吊機構總成,圖中編號: ①彈簧上座圈、②圈狀彈簧上端、③彈簧 下端、④ 彈簧下座圈,當組裝圈狀彈簧與避震器時,彈簧壓縮器兩端夾頭分別安裝於滑 柱式懸吊機構總成之何處,再慢慢壓縮進行組裝? (A) ①③ (B) ①④ (C) ②③ (D) ②④
30. 以示波器量測凸輪軸位置感知器訊號,結果如圖 ( 九 ) 所示。已知凸輪軸每轉一圈產生 一脈衝訊號,若水平掃描時間刻度為 5 ms/ DIV,垂直刻度為 2.5 V / DIV,則此凸輪軸轉速為每秒多少轉? (A) 5 (B) 20 (C) 50 (D) 200
31. 如圖 ( 十 ) 所示之電路圖,三個燈泡材質皆相同。電路正常時,a 點與搭鐵之間的電阻值 為0.4Ω,則當指示燈燒毀斷路時,電路中 a 點與搭鐵之間的電阻值約為: (A) 0.2Ω (B) 0.4Ω (C) 0.6Ω (D) 0.8Ω
32. 如圖(十一)所示之電路圖,下列何者正確? (A) I1=1A、I2=2A、I3=3A (B) I1=1A、I2=3A、I3=2A (C) I1=2A、I2=2A、I3=3A (D) I1=2A、I2=3A、I3=2A
35. 如圖 ( 十二 ) 所示,線圈與永久磁鐵處於靜止狀態,若要線圈的感應電流方向從 a 經電流 錶流向 b,則磁鐵瞬間的移動為下列哪一方向? (A) 朝向眼睛方向移動 (B) 遠離眼睛方向移動 (C) 順時針方向純轉動 (D) 逆時針方向純轉動
36. 欲判斷圖(十三)電路中變壓器的極性,已知圖中的電錶皆為交流電壓錶,則下列何種作法正確? (A) 將 B、D 端短路,A、C 端短路,並在 A、C 端間另接一電流錶,觀察此電流錶電流 方向來判斷 (B) 將 B、D 端開路,A、C 端間接一電流錶,觀察此電流錶電流方向來判斷 (C) 將 B、D 端開路,A、C 端短路,並在 A、C 端間另接一交流電壓錶,觀察此電壓錶 的電壓大小來判斷 (D) 將 A、C 端短路,B、D 端間接一交流電壓錶,觀察此電壓錶的電壓大小來判斷
37. 圖(十四)為一整流及濾波的實驗電路圖,若將電容 C 移除,則下列敘述何者正確? (A)的漣波會減小 (B)的頻率會增加 (C)的最高電壓值不變 (D) 此電路為全波整流電路
38. 量測圖(十五)之電路,得到電阻兩端的電壓差為6.8V,則下列敘述何者正確? (A) 通過稽納二極體的逆向電流為3.2mA (B) 通過電阻的電流為7.4mA (C) 稽納二極體兩端的電壓差為2.2V (D) 通過電阻R 的電流為7.4mA
39. 圖(十六)為量測某電晶體集極輸出特性曲線的電路圖,則位置①、②、③依序應放何種電錶? (A) 電壓錶、電壓錶、電流錶 (B) 電流錶、電壓錶、電流錶 (C) 電壓錶、電流錶、電流錶 (D) 電流錶、電流錶、電壓錶
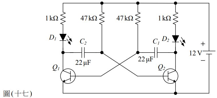
40. 圖(十七)之交叉閃爍電路正常工作一段時間後,下列敘述何者正確? (A) Q1導通(ON)時,D1是亮的 (B) Q1導通時,C2在充電 (C) Q2導通時,C2在放電 (D) Q2截止(OFF)時,C1在放電