所屬科目:鐵路◆電路學(概要)
一、圖(一)之電阻組合電路中,已知 = 18 V,試求:等效電阻() 、電壓(v) 與電流(i)各為何?
二、已知圖(二)電路中,試求 6-Ω電阻器的消耗功率為何?
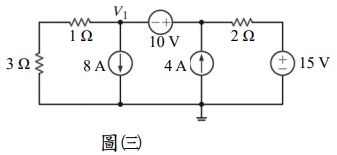
三、已知圖(三)電路中,試求節點電壓(V1)值為何?
四、如圖(四)之電路中,R1 = R2 = R3 = 10 Ω,若施加電壓 vs = 8 V,試求由負載端所看到的諾頓(Norton)等效電路圖,並需註明等效電路圖中之元件數值。
五、考慮如圖(五)之電路中,試依戴維寧(Thévenin)定理求傳遞至負載(RL) 端的最大功率(, max)值為何?