所屬科目:教甄◆電子科/資訊科/電機科/冷凍空調科/控制科/電機空調科
1. 如圖 1 所示,求 I1=_______A(5 分),=_______V(5 分)。
(2)總電流=______A (極座標表示) (3 分)
4. 如圖 3 多工器電路,當 B=1,C=0 且 A=1 時,F 輸出=_______(5 分), 若以 F(A,B,C)數字表示式=Σ(______)。(5 分)
5. 如圖 4 所示,C 級(MSB)輸出脈波頻率為______Hz(5 分);若 CK 改為正 緣觸發,則十進位計數輸出順序 ”6 ”之後的數字為何? (5 分)。
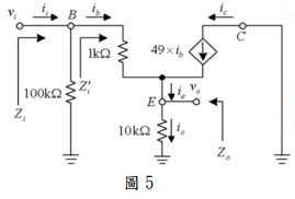
二、計算題: 1.(1)如圖 5 所示電路,試求輸出阻抗 Zo? (5 分)
(2)如圖 6 所示電路,電晶體交流放大電路,若 r π = 1kΩ,β=100, 試求電壓增益 AV? (5 分)
(2)下臨界電壓(2 分)
(3)遲滯電壓(2 分)
(2)有一部三相、4 極、60HZ、定子採 Y 接的同步發電機,若每極最大 磁通量為 0.01 韋伯,總電樞繞組匝數為 300 匝,若電樞繞組節距因數=0.8、分佈因數=0.9,試求感應的線電壓約為多少?(5 分)
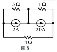
5. (1)如圖 8 所示電路,求 4Ω電阻消耗的功率為多少?(5 分)
(2)如圖 9 所示電路,求電路之總視在功率為多少? (5 分)