所屬科目:統測◆06土木與建築群◆(一)工程力學、工程材料
1. 有一材料斷面是由鋼材與一般混凝土組合而成,如圖(一)所示,相關尺寸為H=100cm、 L=50 cm,則此斷面之重心最可能的位置為何? (A) a (B) b (C) c (D) d
2. 已知一彎矩M及兩個集中力P作用於簡支梁上,如圖(二)所示,若M=500N-m,L=10m, 則P值應為多少才會使得d點垂直反力為0? (A) 50N (B) 100N (C) 16.67N (D) 500N
4. 圖 ( 三 ) 所示為平面應力之莫爾圓,其中 A 點代表 x 面 ( θ = 0 °) 之應力狀態,B 點代表 y 面 ( θ = 90 °) 之應力狀態,C點為圓心,下列何者不正確? (A) 此平面應力為雙軸應力 (B) C點座標為( 10, 0 ) (C) 最大剪應力為17.5MPa (D) 最大正向應力為28MPa
5. 如圖(四)所示之板塊厚度為2 cm,面積為100 cm2,其承受一水平力6 kN使產生10-5cm 之水平剪切變形,板塊之蒲松比 ν 為0.25,則板塊之彈性係數E為何? (A) 330GPa (B) 300GPa (C) 180GPa (D) 150GPa
6. 一均質彈性材料圓形斷面梁所容許承受的最大剪力為 V,現若將圓形斷面變更為相同斷面積之矩形斷面,則所能容許承受的最大剪力為何? (A)(B)(C)(D)
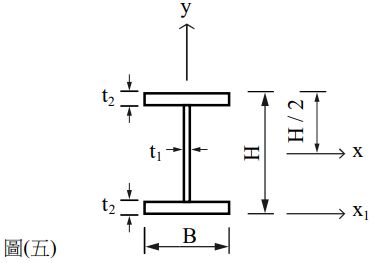
7. 有一H型鋼梁是由三片鋼板銲接而成,如圖(五)所示。相關尺寸為H=100mm、B=50mm、 t 1 = 10mm、t 2 = 20mm;繞x軸的Ix 值、繞x1軸的Ix1值、繞y軸的Iy 值;繞x與y軸之斷面模數分別是Sx與Sy,則對於各軸的慣性矩I及斷面模數S的敘述,下列何者不正確? (A) 任何面積的慣性矩一定是正值 (B) Ix > Iy (C) 平行軸定理可適用於求Ix1,且 Ix1>Ix (D) Sy> Sx
8. 如圖(六)所示,有一物體重量為W=10N緊貼於一垂直面上,物體右側斜面上受一與斜面垂直且通過質心之 P 力,物體與垂直面間之靜摩擦係數為 0.25,若要使物體不向上也不向下移動,則P力範圍為何? (A) 2.5N ≤ P ≤ 5N (B) 5.5N ≤ P ≤ 11N (C) 12.5N ≤ P ≤ 25N (D) 30N ≤ P ≤ 60N
9. 如圖(七)所示,懸掛物體重W= 70N,若使兩繩AB與BC所受之張力相等,則水平力P 為何? (A) 20N (B) 7N (C)N (D) 10N
11. 已知兩鋼索懸吊一均質板,並有一滾輪支承於板中心呈水平情形,如圖(八)所示,正方形均質板邊長尺寸為100 cm,總重量為500N,集中力P為1000N,下列何者不正確? (A) B索拉力=1000N (B) D索拉力=1000N (C) C點反力=500N(向上) (D) B索拉力、D索拉力與C點反力之合力=1500N(向上)
12. 已知一均佈力w作用於上梁,如圖(九)所示,上梁左端置於下梁b點上,則下列何者正確? (A) a點垂直反力為2wL(向上) (B) a點彎矩反力為2wL2(逆時針) (C) e點垂直反力為0 (D) c點可傳遞彎矩力
13. 如圖(十)所示之簡支外伸梁,其最大彎矩絕對值為何? (A) 10 / 3 kN-m (B) 20 / 3 kN-m (C) 40 / 3 kN-m (D) 50 / 3 kN-m
14. 下列各平面應力元素圖中,若 | σx |= 50 MPa; | σy |= 30 MPa; | τxy |= 20 MPa,則下列何者可產生最大平面張應力(主張應力)值? (A)(B)(C)(D)
15. 某地梁受力如圖(十一),下列何者最能代表此地梁之彎矩圖? (A)(B)(C)(D)
18. 若向下P力之大小為1.5 kN 及由應力應變曲線圖求取材料彈性係數,則桁架 A之cg桿件 於向下P力下的伸長或縮短量為何? (A)2/ 60 cm(伸長) (B)1 / 60 cm(伸長) (C)/ 60 cm(縮短) (D)1 / 60 cm(縮短)
19. 一簡支梁如圖(十三)所示,於梁中點承受一順時針彎矩10 kN -m及集中載重10 kN,則斷面D點處之平面應力元素受力情況,下列何者正確? (A)(B)(C)(D)
20. 已知一集中力作用於構架梁上,如圖 ( 十四 ) 所示,則下列何者不正確? (A) d點水平反力=8P(向右) (B) d點垂直反力=6P(向上) (C) a點水平反力=12P(向右) (D) a點垂直反力=3P(向下)
22. 為了解瀝青材料達到流動時之加熱溫度,學生在實驗課時進行試驗儀器的組裝如圖(十五) 所示,此為何種瀝青性質試驗項目? (A) 閃火點 (B) 針入度 (C) 軟化點 (D) 溶解度
33. 有關隨機誤差造成試驗結果呈現常態分佈如圖(十六)所示,若已知其平均值μ與標準差σ ,下列何者正確? (A) 常態分佈圖是以標準差σ為中心,左右對稱,成吊鐘形分佈 (B) 在平均值正負一個標準差內出現的機率為78.3% (C) 在平均值正負二個標準差內出現的機率為85.4% (D) 在平均值正負三個標準差內出現的機率為99.7%
37. 卜特蘭水泥化合物含量、細度及七天水化熱如下表 ( 一 ) ,則該卜特蘭水泥較適合進行何種工程? (A) 重力式混凝土大壩 (B) 搶修工程 (C) 港灣工程 (D) 一般建築工程