所屬科目:教甄◆電子科/資訊科/電機科/冷凍空調科/控制科/電機空調科
1.有一線圈其匝數為10000匝、電感量為10H,若欲將電感量減為2.5H,則線圈匝數應為多少匝?(A)5000匝(B)7500匝(C)2500匝(D)1000匝。
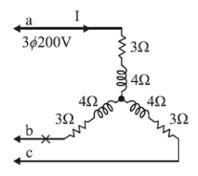
2.如下圖,若b線斷路,則線路電流I值為何?(A)40A(B)20A(C)20√3A(D)
3.在真空中有一電荷帶電量為庫倫為一長直導線相距10cm,今以105m/s之速度沿長直導線平行前進,當長直導線通過電流1A時,則該電荷受力為多少牛頓?(A)牛頓(B)牛頓(C)牛頓(D)牛頓
4.如下圖所示電路,若在a、b接100Ω電阻時,=50V。將a、b改接200Ω電阻時,=80V,若在a、b間改接一電阻R時,可在電阻R上得到最大功率,試問R應為多少Ω?(A)50Ω(B)150Ω(C)300Ω(D)400Ω
5.如下圖所示電路,試求總實功率及總虛功率為何?(A)(B)(C)(D)
6.如圖所示電路,是屬於何種濾波器?(A)低通濾波器(B)高通濾波器(C)帶拒濾波器(D)帶通濾波器。
7.有一矽二極體,在溫度20ºC時的逆向飽和電流為5nA,若溫度升高至40ºC時,其逆向飽和電流為(A)7nA(B)10nA(C)20nA(D)25nA。
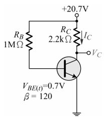
8.如圖所示電路,電壓VC等於?(A)0.2V(B)0.9V(C)15.42V(D)20.7V。
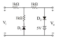
9.如下圖所示電路,假設D1、D2為理想二極體,若Vi=-5V,則Vo=?(A)+5V(B)+2.5V(C)-2.5V(D)-5V
10.如下圖所示,為一N通道空乏型MOSFET電路之直流負載線與轉換特性曲線,試求圖中源極電阻Rs=?(A)2KΩ(B)3KΩ(C)4KΩ(D)1KΩ
11.如下圖為一動態隨機存取記憶體(DRAM)的時序圖,試問此時序圖表示下列何種週期?(A)讀取週期(B)寫入週期(C)更新週期(D)先讀取後寫入。
12.有一8255介面晶片之電路如圖所示,A0~A7為CPUI/O的位址匯流排,則這顆8255介面所佔I/O空間為何?(A)00H~03H(B)0CH~0FH(C)F0H~F3H(D)FCH~FFH。
13.下列有關程式被轉換成執行檔的敘述,何者 不正確 ?(A)編譯器(compiler)的輸入是原始程式檔(sourcefile)(B)原始程式檔是由Loader負責載入編譯器中(C)Linker的功能是將不同的目的程式檔(objectfiles)連結成可執行檔(executablefile)(D)直譯器(interpreter)能夠執行原始程式
14.若以8個位元來儲存資料並採用2的補數法來表示負數,則的運算結果以二進位數字系統表示為何?(A)10101010(B)11000110(C)11100110(D)11111000
15.下列選項何者為圖21之狀態圖所對應之狀態表?(A)(B)(C)(D)
16.假設F1(A,B,C,D)=Σ(0,2,5,6,8,10,13)、F2(A,B,C,D)=Π(1,3,5,7,10,13,15),則下列敘述何者 錯誤 ?(A)F1+F2=Π(1,3,7,15)(B)F1.F2=Σ(0,2,6,8)(C)F1⊕F2=Σ(4,5,7,9,10,11,12,14)(D)
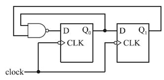
17.如下圖所示之計數電路,若Q1為MSB、Q0為LSB,且假設其初始輸出狀態Q1Q0=01,則其計數的順序應為下列何者?(選項中…表示重複執行前述狀態)(A)01→10→11→01→…(B)01→11→10→01→…(C)01→10→00→01→…(D)01→10→11→00→01→…
18.已知流程圖如下圖所示,請問流程圖的功能可能為何?(A)找出最大值(B)找出中間值(C)找出最小值(D)找出平均值
19.已知變數a為short型態、變數b為int型態、c為float型態、d為double型態,請問運算式「a+b*c-d」運算後的資料型態為?(A)short(B)double(C)int(D)float
20.執行下列程式碼後,請問輸出結果為何?(A)331(B)2831(C)4031(D)90035。
二、填充題1.電阻為22Ω之電熱器接於110V電源上,浸入1000毫升28℃之水中,盛水容器每秒散熱12卡,要讓水溫升高至100℃請問需要多少時間__________。
2.下圖所示電路,若電路已達穩態,當t=0時,開關S由1到2,則=__________。
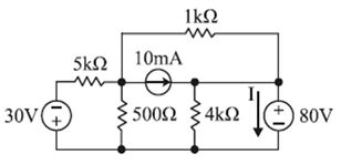
3.如下圖所示電路,試求流經80V電源的電流值I為何?__________。
4.有一P通道空乏型MOSFET其夾止電壓為4V,當=3V時,欲使此MOSFET工作於飽和區,所允許的電壓範圍為?__________。
5.如下圖所示之OPA電路,試求其=__________。
(1)=__________
(2)=__________。
7.TTLIC的電流規格如下圖所示,若一個74Hxx系列的輸出接腳已經接上5個74系列標準型的輸入接腳,則該74Hxx系列標準型的輸出接腳,還可以再接上幾個74LSxx系列的輸入接腳,使電路仍然能夠正常工作?__________。
8.不須化簡求下列布林函數式的輸出,答案請以標準的和項之積(POS)形式來表示________________________。
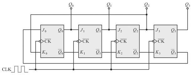
9.如下圖所示之電路,起始狀態Q3Q2Q1Q0=0001,當經過3個時脈週期後Q3Q2Q1Q0=__________。
10.使用直接映成方式的彩色顯示器系統中,當解析度為640×480而且具有8種顏色時,所需要的顯示記憶體容量為多少位元組?__________。
11.某資料共150KBytes,若使用速度57600bps之非同步方式串列傳輸,每傳送一個位元組包含1個起始位元、8個資料位元、1個同位位元、2個停止位元,試求傳送資料完畢所需時間__________。
12.一匯流排時脈1200MHz之64位元個人電腦,記憶體採用DDR4-2400,2400(MT/s)表示記憶體每秒傳輸次數,試求該電腦記憶體傳輸頻寬__________。
13.在C語言中,假設我們有以下一個使用者自訂函數A,若主程式呼叫A(5),則回傳值為何?__________。
14.如下圖所列之程式碼,試求執行結果*j=__________。
15.如下圖所列之程式碼,試求執行結果_____________________。